文库 工程类投标方案 电气工程

标准厂房施工机电安装工程投标方案.docx

DOCX   51页   下载332   2026-01-16   浏览0   收藏60   点赞884   评分-   19585字   10.00
温馨提示:当前文档最多只能预览 15 页,若文档总页数超出了 15 页,请下载原文档以浏览全部内容。
标准厂房施工机电安装工程投标方案.docx 第1页
标准厂房施工机电安装工程投标方案.docx 第2页
标准厂房施工机电安装工程投标方案.docx 第3页
标准厂房施工机电安装工程投标方案.docx 第4页
标准厂房施工机电安装工程投标方案.docx 第5页
标准厂房施工机电安装工程投标方案.docx 第6页
标准厂房施工机电安装工程投标方案.docx 第7页
标准厂房施工机电安装工程投标方案.docx 第8页
标准厂房施工机电安装工程投标方案.docx 第9页
标准厂房施工机电安装工程投标方案.docx 第10页
标准厂房施工机电安装工程投标方案.docx 第11页
标准厂房施工机电安装工程投标方案.docx 第12页
标准厂房施工机电安装工程投标方案.docx 第13页
标准厂房施工机电安装工程投标方案.docx 第14页
标准厂房施工机电安装工程投标方案.docx 第15页
剩余36页未读, 下载浏览全部
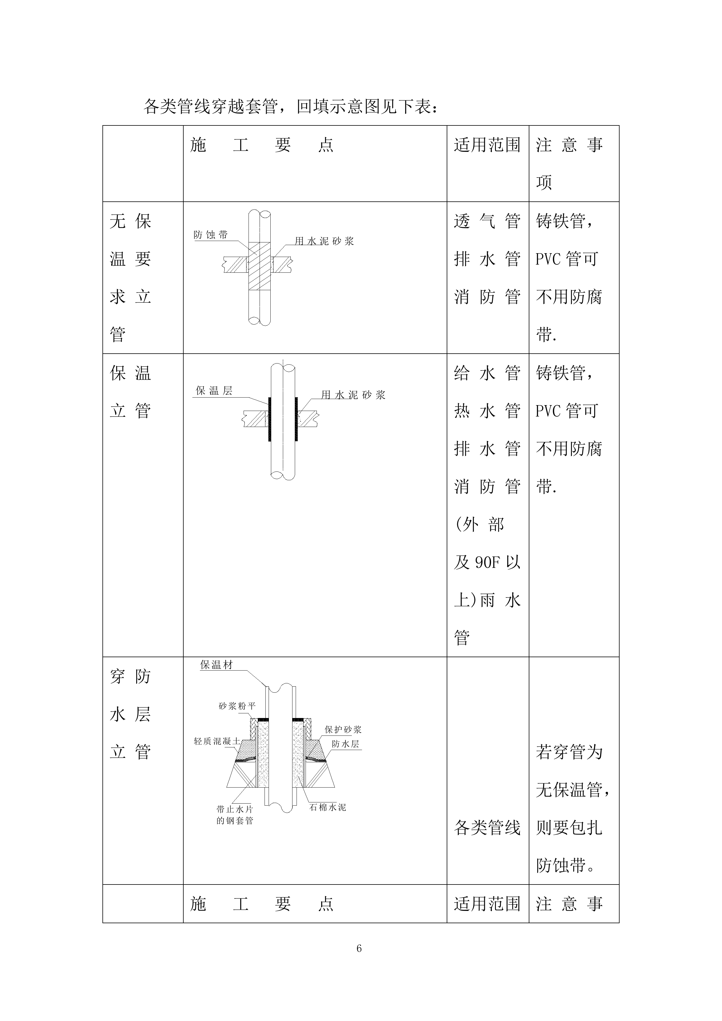
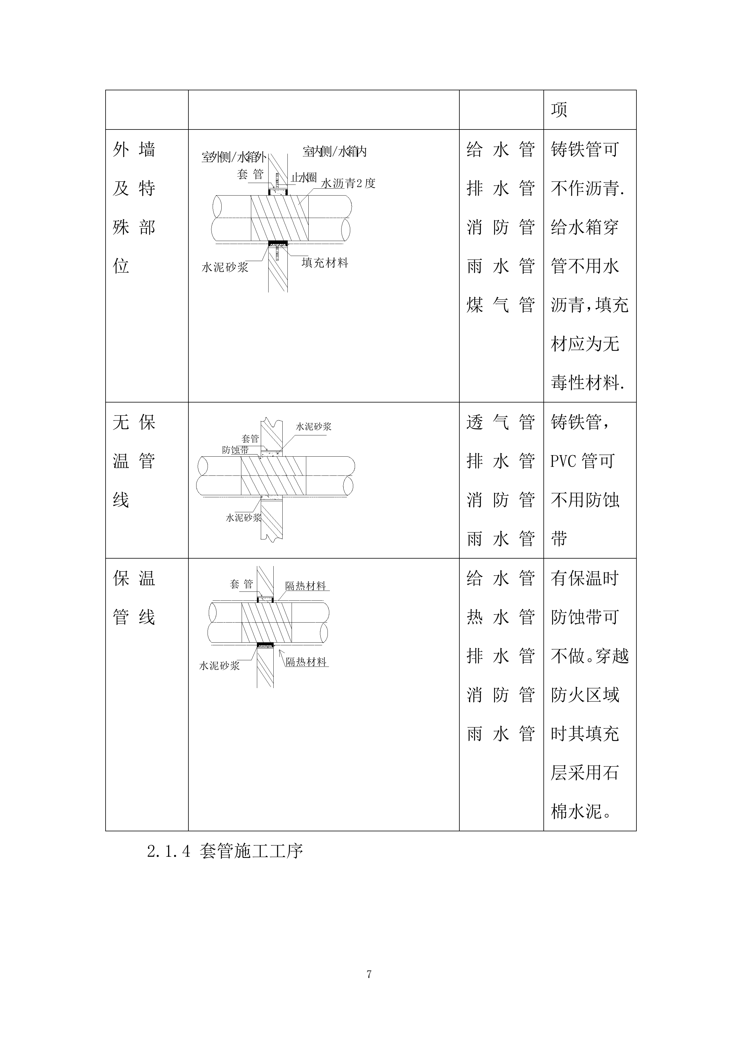
标准厂房施工机电安装工程投标方案 目录 第一章 主要施工组织方案 3 第一节 施工方案与技术措施 3 一、 套管的安装 3 二、 预埋管安装 8 三、 预埋件的安装 8 四、 电气的安装 8 第二节 质量管理体系与措施 10 一、 质量目标及方针 10 二、 质量管理体系 10 三、 成品保护方案 19 第三节 安全管理体系与措施 22 一、 安全施工措施 22 二、 安全文明施工措施 24 三、 应急事故处理措施 28 四、 文明施工管理责任体系及人员的优化配置 29 五、 文明施工(环境保护)措施费的使用计划 32 六、 渣土清运、卫生保洁措施 33 七、 安全保卫措施 35 第四节 工程进度计划与措施 37 一、 施工总工期安排 37 二、 施工总进度计划说明 37 三、 工期保证措施 37 四、 组织保证措施 37 五、 施工进度计划的组织管理 39 六、 合理搭接和交叉作业措施 41 七、 赶工措施 41 八、 地下管线及其他地上地下设备的保护加固措施 42 第五节 源配备计划 45 一、 项目班子组成 45 二、 主要施工机具 46 三、 劳动力 使用 计划 47 四、 材料设备采供计划 49 第一章 主要施工组织方案 第一节 施工方案与技术措施 一、 套管的安装 2.1.1 套管制作要求 1)套管用材 施工场所 条件 带止水片 钢管 PVC管 穿外墙 水池壁 穿内墙 剪力墙 砖 墙 穿楼板 防 水 非防水 穿梁 人防套管 2)为施工需要,统一原则如下:对于DN≤40小口径穿管,无需保温时均采用DN80套管,需保温管均采用DN125套管。外连续墙按业主要求,适当放大。 3)楼层上,部分需穿越钢结构的管线放置套管原则:预留洞DN≤350时,不做套管,仅在钢结构留洞边,作40mm防火涂层。 4)刚性套管 图4.1.2.1 刚性套管 5)刚性防水套管 图4.1.2.2 刚性防水套管 6)穿越楼板套管 图4.1.2.3 穿越楼板套管 7)套管油漆要求: 钢制套管除外墙,水池用以外,套管内壁刷防锈漆. 2.1.2套管安装 套管安装须确定位置的准确性;并按图核对套管数量,以求套管安装数量的精确性。 1)套管安装前应认真核对图纸,再次确认套管管径以及数量; 2)与其他专业配合,进行测量,核实并确认现场具体轴线位置以及水平基准点等基准坐标; 3)按照图纸标志位置和参照尺寸、现场基准坐标,确定套管的标高、纵横坐标; 4)将我方所确认的套管位置,以书面形式(或局部剖面图纸)通知专业施工单位,以便对方审核确认; 5)配合专业单位进行套管安装:套管安装应牢固,不得有晃动,需加固处理时,可用短筋搭焊,接在结构主筋上,但在处理前需与设计监理单位协调,避免破坏建筑结构强度; 6)安装中,应不断复核套管的座标和标高尺寸,以及套管的水平度,一旦发现偏差大于允许范围,立即整改; 7)对于穿越连续墙的防水套管,为防止外部地下水渗入,在安装前可用3mm钢板烧焊在套管两端,以作暂时封堵;朝户外端面可作防锈(防锈漆两度)和防水处理(沥青漆一度);待日后总体开挖施工时,再割开进行穿管施工; 2.1.3套管回填处理 各类管线穿越套管,回填示意图见下表: 施 工 要 点 适用范围 注 意 事 项 无 保 温 要 求 立 管 透 气 管 排 水 管 消 防 管 铸铁管,PVC管可不用防腐带. 保 温 立 管 给 水 管 热 水 管 排 水 管 消 防 管(外 部 及90F以上)雨 水 管 铸铁管,PVC管可不用防腐带. 穿 防 水 层 立 管 各类管线 若穿管为无保温管,则要包扎防蚀带。 施 工 要 点 适用范围 注 意 事 项 外 墙 及 特 殊 部 位 给 水 管 排 水 管 消 防 管 雨 水 管 煤 气 管 铸铁管可不作沥青. 给水箱穿管不用水沥青,填充材应为无毒性材料. 无 保 温 管 线 透 气 管 排 水 管 消 防 管雨 水 管 铸铁管,PVC管可不用防蚀带 保 温 管 线 给 水 管 热 水 管 排 水 管 消 防 管 雨 水 管 有保温时防蚀带可不做。穿越防火区域时其填充层采用石棉水泥。 2.1.4 套管施工工序 二、 预埋管安装 预埋管直径要与所连接的管子、手动密闭阀门或防爆超压排气活门的接管直径相一致。 预埋管件要除锈,并在内外刷红丹防锈漆两度,随土建施工时一起浇捣在墙内。 对预埋管件在土建浇捣前进行复核,并做好施工记录,模板拆除后及时在现场进行标识。 三、 预埋件的安装 针对机房管线管径大,承重支架负荷重,将在机房部位预埋支架连接件,为后期支架制作预留连接部位。 在设备基础部位预埋安装用的固定铁件,为后期设备安装做好准备。 四、 电气的安装 2.4.1暗管敷设 网格接地体分为二部分,其一是采用Φ14.2mm镀铜铜棒,每节供货长度为2.4~3m,逐节打入地下,中间通过连接管使整根接地极达到10~20m长度。其二是利用桩基内主钢筋和大底板水平、垂直主钢筋。主接地网、桩基主钢筋、大底板主钢筋通过配套专用连接件,采用1083℃“放热焊接”技术熔接成一体。 图4.1.2.9 电线接头方式 在圆筒四周1.2m厚地下连续墙、0.8m厚钢筋混凝土衬墙、筒体内结构柱等利用其主钢筋,形成一个封闭的等电位笼子,其相互之间连接同样选用150mm2铜绞线、配套专用连接件,采用1083℃“放热焊接”技术熔接成一体。 第二节 质量管理体系与措施 一、 质量目标及方针 质量标准: 符合国家验评合格标准 。 质量方针:遵章守序,规范管理,精心施工,追求完美。 二、 质量管理体系 公司为确保本期工程以一流的速度、一流的质量、一流的效益,实现工程质量达到优良等级的总目标,公司决定建立一套完整的质量保证体系,组织一支技术精湛、熟练水利过程施工的质量管理队伍。 公司经理对工程质量负总责。公司技术负责人在公司经理领导下,具体地对质量工作负责组织指导、定期定时检查,对质量薄弱环节和重大技术问题组织攻关活动,运用经济手段奖优罚劣。项目经理对工程负责。公司和项目部设立专职质检机构,配足专职质检人员,建立实验室、配足各项试验、检测的工具、器械及表格,施工班组设立兼职质检员,形成质量控制网,一层抓一层,层层抓质量。 工地施工各工序均认真落实“班组自检、项目部复检和公司终检”制度,保证监理人员指示百分之百的落到实处。 1、质量管理体系图 2、质量保证体系、评定体系 3、质量检查评定体系 4、项目部质量检测体系 1)项目经理 对公司经理负责,是本工程质量的第一责任人。负责组织贯彻公司的质量方针目标,保证整体质量体系的有效运行。 2)技术科 技术科对项目经理和公司技术负责人负责。负责施工组织设计、施工方案方法的贯彻实施;负责日常施工的技术管理工作;负责编制施工进度计划,对施工进度、质量进行动态控制;综合平衡、合理调配施工资源;做好完成工程量计算、情况统计、填制报表;做好施工组织设计、施工方案、进度计划的必要修改和报审;做好工程测量放样及其资料、器具管理;填写施工日志;处理解决施工中发生的技术问题。 3)质检科 质检科对公司技术负责人和质检部负责。负责编制项目质量计划,认真按照水利部《水利水电工程施工质量评定规程》中规定的应检项目、优良等级标准、检查方法、检点数量,对各部位各工序的施工质量及施工原材料进行检验,做好检验记录,保证内容齐全、数字准确、情况真实;制定质量不合格项目的纠正和预防措施,并监督实施;认真做好规范规定的各项试验,并把试验资料做好记录、归类、整理和保管;管理好试验器具。 4)施工区质检员 施工区质检员一般由施工区负责人兼任,也可以另行选配,对所在施工区的工程质量直接责任必须全面落实公司、项目部关于质检、技术工作的全部指令。 5、质量奖罚制度 按照各岗位职责分工,能够圆满完成各自职责的,公司酌情给予物资奖励和精神鼓励。对于不能坚守岗位、玩忽职守,给公司形象造成不良影响的,将给予扣减奖金处罚;情节较重的,将酌情扣减基本工资;造成工程事故的,将按照国家有关规定给予经济处罚和行政处分,直至追究刑事责任。 6、工程质量一票否决 在对各部位、各工序坚持“三检制”的同时,公司坚决支持各级质检人员的工作,赋予其“一票否决”的权力,在公司内部三检过程中,无论哪一级质检人员认定该部位工序质量达不到优良等级,都不再向上一级质检部门申报检验,待完全达到优良标准后,方可向上一级审验。公司质检人员认定优良标准,并报经监理人员验收签证后,方可进行下道工序施工。凡不按上述程序实行工序交接的,任一上级人员均有权责令其将违规施工的工序项目拆除检验,不论其上道工序质量是否达标,所造成的经济损失由直接责任人自负。不合格的原材料不得进入施工现场,一旦发现有违纪现象,除责令其立即清除,使之远离现场外,还要追究直接责任人的责任。对阻止、干扰质检人员履行质检程序的,一次批评教育,二次停业整顿,三次令其退出施工现场。 7、施工队伍组建 在各项工程建设中,影响工程质量的主要因素有五项(即 5 MIE): 人、 材料、机械、方法、环境。在此五大要素中,人是第一位,人是其他要素的保证,选择什么样的人参加该项工程施工,对工程质量、进度都至关重要。为此公司在用人上决定: 首先,选择有较高的管理水平,丰富的水利工程施工经验,有强烈的责任感和事业心的项目经理,担任该工程项目经理。 其次是挑选资深的专职质量检查负责人和技术负责人,他们有较高的理论知识和实践经验,他们有严肃认真、一丝不苟的工作作风。 其三是调遣一支精良的施工劳力队伍,他们是有技术素质、有较好身体素质、思想素质,参加过以往多项水利工程施工的技术工人。同时,坚持执行做好特殊工种上岗人员的上岗资格要求,无上岗资格人员不准上岗工作。 其四,我公司有完善的管理制度,由公司强有力的领导班子领导和管理。 大家齐心协力,心往一处想,劲往一处使,拧成一股绳,每个人力争在干好自己本质工作的同时,积极地配合别人的工作。 8、质量控制程序 1)合同变更的控制 一般图纸中的设计变更需经公司技术负责人签发并实施完成,有关文件、图纸纳入竣工资料。 一般性的洽商变更由公司技术负责人组织鉴定,并将结果向质检部、综合办公室传递。 重大合同变更按合同评审程序进行,并将结果送公司综合办备案。 2)文件和资料的控制 受控文件范围:管理性文件和资料包括《质量手册》、《程序文件》及项目《程序文件》;项目文件和资料包括质量计划、施工组织设计、施工图纸及作业指导书等。 受控文件加盖“受控”章进行标示,有效文件以受控文件目录清单进行控制。 文件传递路线:公司→项目经理→施工队。每一级均应有收发文件记录登记,并有专人保管。 项目经理对项目部出台的文件进行评审、批准、签发及宣布作废。 3)采购控制:重要物资的质量保证要求是: 首先必须从经评审过的“合格供方名单”中选择采购对象,若“合格供方名单”中不能满足要求,需新选择分供方时,必须对供方进行评审。若特急使用,须经项目经理批准后方可使用。 对有追溯性要求的物资应由事业单位根据《产品标识和可追溯性程序》进行控制。 4)产品标识和可追溯性 进场的 原材料用 标牌进行标示,内容有品种、标号、性质、合格证编号、生产厂家、生产时间等、 材料 标识内容有品牌、规格尺寸、生产厂家、合格证编号等。 工序过程的质量控制反映在质量检测记录中,重要工序的施工过程,反映在施工日记中。 有追溯要求的产品标识要详尽,有名称、规格、批号、编号、质量特征、分供方名称、生产日期、进货日期、使用部位名称等,对剩余物资进库,第一次发放都应有跟踪记录。 5)过程控制 严格执行已审定批准的施工组织设计。 施工组织设计下发到施工队,加工厂及部(科)室。施工组织设计编写后由公司技术负责人和项目经理审核后签发出版。 作业指导书由施工队提供资料,项目经理组织编写,公司技术负责人审批签发。 技术负责人负责施工图纸的会审会议和技术交底会议,各专业施工队负责向要单位工人交底,并做好记录。 坚持执行特殊工种上岗人员的上岗资格要求,无证不得上岗作业。 现场机械设备应处于受控状态,将出现故障的机械设备及时加以标识,并及时清退出场,不允许带病机械作业。 6)检验和实验 a.主要检验和实验项目。 工程中主要检验和实验项目有: 井管材的检验; 砾料的检验; b.分供方产品的检验和试验的内容有: 验证质量证明文件的有效性 ; 分类、分批验收物资,做好验证记录,明确标识 ; 证明材料不齐全的物资不得进入库房和工地。 7)检验、测量和试验设备 公司质检部在工地建立试验室,承担本工程应检项目的检验和试验。实验室直属公司领导,不受项目经理的管理,保证其工作的独立性和公正性。 检验和试验工作人员是经专业培训、具备相应资质的人员,出具的检验试验证明须公正、有效、且具有法律效应。 8)检验和试验的状态 物资、机械、设备的检验和实验标识以标牌形式进行,按“产品标识和可追溯性”进行控制。 工序、半成品、施工过程的检验和试验以记录、表格等书面形式进行标识。 成品状态的检验、试验以整理好的竣工资料进行标识。 9)不合格品的控制 材料的不合格,经检验和试验发现后立即进行隔离存放,并尽快退场 ; 对可降低标准使用的不合格品必须向技术负责人报告,技术负责人认可后,方可降低使用。 不合格过程,不合格工序分为一般不合格,重大不合格。 一般不合格现场由工地值班技术员当场解决,并作记录和向技术负责人汇报备案。 重大不合格发现以后应尽快和公司质检部、业主代表、技术负责人和监理人共同研究处理方案和纠正措施。根据纠下措施进行处理,并做好记录,经业主同意,可以降低标准使用者应按有关程序文件执行。 10)质量记录的控制 项目经理部质量记录保存时间为一年,在项目经理部资料室专人保留存放。文字记录、胶卷、录像带应注意保存环境条件,不能使之霉变。审批存放和失效消毁由公司技术负责人负责。 11)质量保证措施一般要求 认真贯彻质量方针,建立以项目经理为质量第一责任者的岗位责任制。 ISO质量管理保证系列标准,提高质量管理水平。 实行三级质量检查制,严格控制分部分项工程的质量。 加强人员培训,提高技术素质,特殊工种必须持证上岗。 执行质量一票否决权利。 对质量事故处理坚持“三不放过”的原则。 建立试验机械、配置仪器设备,认真检查原材料质量和半成品质量。 9、质量检验和试验 要想确保该工程质量总体达到 质量标准, 必须加强各环节、各工序、各项目的质量检验和试验。 三、 成品保护方案 成品保护工作的主要内容 为了保证本工程施工过程中的工程产品,完工的单位工程得到有效保护,将符合合同要求的工程交付给业主,我公司将根据不同的施工阶段,将制定切实可行的成品保护实施细则和成品保护方案。 1、建立工程产品保护岗位责任制 (1)项目经理对工程产品保护负直接组织与领导的责任。 (2)施工工长组织班组负责人对正在进行作业的分项分部工程产品和上道分项分部工程产品进行保护。 (3)材料员对进场而未使用的成品和半成品进行保护。 (4)施工班组负责人对当班作业的分项分部工程产品和上道分部工程产品负有直接保护的责任。 (5)最终的工程产品保护工作由项目经理安排专人负责,此项工作直至产品交付为止。 2、建立组织机构: (1)项目经理为领导小组的总负责人。 (2)现场技术负责人对成品保护工作负全面责任。 (3)财务部总监负责制定成品保护资金计划的落实。 (4)各班组负责自身施工范围内的成品保护。 (5)成品保护责任划分,并落实到岗,落实到人。 3、成品保护职责 (1)项目经理部根据施工组织设计和工程进展的不同阶段编制成品保护方案;以合同、协议等形式明确对成品的交接和保护责任,明确项目经理部对保护成品工作协调监督的责任。 (2) 成品保护措施通则 制定成品保护的检查制度、交接制度、考核制度、奖罚制。 (3) 现场材料设备保护责任 材料、成品、设备进场后,由项目经理部材料部门负责保管 。 工程 后期服务与维护 我公司坚持 “质量第一、用户至上、信守合同”的宗旨,竭诚为建设单位及后期工序提供优质服务。 我公司 在工程完成交付后 ,即开始展开工程服务工作 , 在 质保期 间,本着“对用户服务,向业主负责,让用户满意”的认真态度,以有效的制度,措施作保证,以优质、迅速的维修服务维护用户的利益。 一、工程保修维护 工程完工后组成一个由项目副经理为组长,由技术、测量和部分施工人员组成的维修保驾小组,负责对本工程自交付之日起至完成后投入使用后按照国家规定的保修维护期限进行维护。 服务项目内容及范围 我公司对承担工程的服务负全部责任,各专业施工的项目将由我方负责对其服务。 维护措施 服务期间,我公司成立服务小组,成员由施工经验丰富、技术好、处理问题能力强、工作认真的施工管理人员及施工作业人员组成,在工程施工期间,服务小组将配合业主作好各种服务工作,服务期间服务人员24小时值班,出现问题立即处理。 第三节 安全管理体系与措施 一、 安全施工措施 1、安全管理体系 安全工作直接影响到工程施工管理的成败。因此首先从领导组织机构方面给予重视,制定一切切实有效的安全措施,使安全工作处于受控状态,充分保证施工过程的安全。本工程设置安全保卫科,配有专职安全员,直接对项目经理负责。安保科负责制定安全管理措施;督促、检查、处理日常安全工作。项目经理为本项目第一责任人,各作业负责人为本作业队的安全第一责任人,确保整个在实施过程中,安全工作组织落实、责任到人。 搞好劳动保护工作:我们将根据不同工种,尤其特殊工种,对身体危害较大的工种,按国家的劳动法规配备足够的劳保用品。 施工中严格执行安全管理规章制度,加大控制力度,坚持“三不放过”原则,把事故隐患消除在萌芽状态。 对各个施工项目的安全进行控制,对专业制定的安全操作规章制度并监督执行,使工地施工有条不紊的正常运转。制定有关的安全防护措施,并递不交监理单位批准,安全防护措施应包括安全生产、防火、防爆、防讯及易燃、易爆物品的管理等内容。同时严格遵守遵守国家颁布的安全法规,做到彻底消除事故隐患。 做好安全照明工作:遵守合同规定,在各施工区域、施工道路,各仓库及生活区设置足够的系统。 油料的存放和运输:油库离施工现场控制在安全距离范围内,油罐上方应搭建雨防晒棚,并配置避雷装置和足够的消防、灭火设备。油料的储存和运输方法必须遵循国家的有关规定进行严格管理。 按照有关防火规定,在施工现场相应部位配备足够的防、灭火设备、器材,以充分满足消防需要,消防人员对消防设备、器材随时进行检查、保养,使其处于良好的待命状态。 防汛工作:当出现可能危及工程安全和人身、财产安全的洪水预兆时,立即采取有效的措施,迅速组织足够人员投入防汛工作,以确保工程和人身财产的安全,确保工程正常进行。 安全信号设置 在施工区内设置必要的信号,这些信号包括: 标准的道路信号、报警信号、危险信号、安全信号、指示信号。 定期保护所有信号及标志,听从监理工程师对信号系统的指示、建议,进行整改和完善,安装闸刀、配电盘的地方必须设置闸刀箱,必须有防雨措施,有防护警示标牌。 9)机械使用“定人、定机、定责”,严格按操作规程操作,非操作人员不得随意操作。 10 ) 施工场地的杂物及时清理,模板拆除后的废钉及时回收,以免伤人。 11 ) 对一些刚砌筑、浇筑而未凝结的工程部位,做好防护工作,防止人踩、水淹。 12)安全防护规程 根据国家颁布的各种安全规程,结合自己的实践,编印通俗易懂、适合于本规程使用的安全防护规程手册,分发给相关人员,进行普及安全知识教育。 13)定期和不定期地召开安全会议和进行安全防护教育,开工前组织施工人员学习安全手册,进行安全知识考试,上岗职工必须是经考试合格者。 定期召开安全工作会议,检查、落实工作,表彰先进,鞭挞落后,促进安全工作向前发展。各级领导直到作业班组长,要对安全工作进行检查和总结,并及时处理安全作业中存在的问题。加强对危险作业域内的安全检查、监督,并在危险作业区附近设置醒目标志,以防事故发生。 二、 安全文明施工措施 文明施工是展现施工队伍形象、体现施工队伍素质的重要方面,我们将严格按照工程文明施工管理办法的规定组织本 项目 施工,争创文明工地。 1、文明施工组织管理措施 为维护市容整洁和区域安全,使文明施工规范化、标准化,我们将成立文明施工领导小组,建立文明施工管理责任制,开展文明施工达标活动,以加强施工现场管理,提高文明施工水平,创建文明工地。 1)制定目标:树立良好形象,创建市文明工地。 2)狠抓管理:成立文明施工领导小组,由项目经理任组长,项目总工程师任副组长,负责本工程文明施工的管理工作,结合本工程的实际情况制定文明施工管理细则,报监理工程师批准后实施。现场办公室负责将文明施工管理细则上墙广泛宣传。 3)注重考核:项目经理部每周进行一次自检,并认真填写文明工地考核表,予以保存。 4)奖惩制度:严格按照本工程文明施工管理规定执行,奖罚分明,及时兑现。 2、施工现场文明管理措施 1) 施工现场平面布置 (1)开工前,完成施工现场平面布置图的设计,设计满足消防、施工、环保的有关法规要求,并严格依法办理有关审批手续。 (2)经业主、监理批准后在施工中严格按平面布置图实施管理,施工场地内的一切临时设施及物品,严格按图定位设置,做到图物相符。 (3)施工区、办公区和生活区明确划分。 (4)根据施工进展,适时对施工现场进行整理及必要的调整。 2)临时设施 (1)临时设施布置 临时设施布置要方便灵活,尽量少占用地,并符合消防和卫生有关规定,生活区、施工区和办公区有明确的划分。 (2)临时房屋 ①临时房屋布置符合防火安全和工地卫生规定,修建前报消防部门批准。 ②集体宿舍内的高度不小于2.5m,通道宽度不小于0.7m,人均占有面积不少于2.5m2,每18人有一个可以直接出入的大门口,门窗不小于1.2m,门扇向外开,窗户面积不少于地面面积的八分之一,屋内有每个人放置毛巾衣物生活用品的桌柜等。 ③房屋修建面积根据储存物资,安放的机械等而定,以保证安全为准则。 ④临时建筑采用砖墙体或国家规定的活动房,屋顶用防火材料铺盖,室内通风,光亮,无异味。 ⑤民工宿舍位置在总平面中明确标识,标准符合安全、通风、光亮及工地卫生要求,有醒目的安全通道标志。 3)临时给排水 ①施工现场安装临时供水管道提供的接口处接入管路最短、干扰最小,管线做到不渗漏。为确保工程连续作业,在现场设置储水池,生活区、办公区采用节水设备。 ②在施工总平面中做出现场的排水规划设计,计算每日总排量和高峰排量,根据规划,施工现场设置连续顺畅的排水系统,主干网和沟渠布置合理。排水沟用砖砌筑,流水面用砂浆抹面,确保施工现场没有积水,排水沟穿越道路时埋设排水管道或盖板。 4)临时供电 ①编制临时用电施工组织设计,确定电源进线,总配电箱的位置及线路的走向,进行负荷计算,选择变压器容量和导线截面,绘制电器、平面图和接线供电系统。并制定安全用电技术措施和电器防火、防雨、防湿措施。 ②夜间施工或自然采光差的场所、作业厂房,局部照明或混合料具堆放场,道路、仓库、办公室、食堂、厕所等设一般局部照明或混合照明。停电后,操作人员及时撤离现场的特殊工程,必须装有自备电源的应急照明,工地照明保证亮度充足均匀及不闪烁。 5)工地卫生管理 工地垃圾随时清理,不用材料、工具和机械及时退场,保持施工现场内整洁。 工地各种标牌标志统一制作,书写整齐,做到规范化。 生活区内设置垃圾容器,不将垃圾及杂物乱丢乱弃。生活区内由专人定时进行清扫,排水沟派人负责清理,确保排水畅通,生活区路面整洁、干净、无异味。 宿舍男女分设,严禁男女混居。施工现场宿舍不设家属宿舍,职工宿舍及办公地点严禁各种违法违规活动。 生活区内员工、民工凭发放的胸卡出入,生活区内明显的位置设防火、安全警示牌及住宿规定,冬季有防煤气的措施及炉火管理规定。 工地食堂采用市内专用自来水管道引水,非自来水不得供应食堂及饮用水,食堂地面进行硬化处理并有一定坡度,确保冲刷排水顺畅,食堂内消毒、灭蝇、防火、防腐措施齐全,冬季有保暖措施,食堂工作人员由经防疫部门体检合格的人员担任,并备有体检合格证,以备专业部门的检...
标准厂房施工机电安装工程投标方案.docx
下载提示

1.本文档仅提供部分内容试读;

2.支付并下载文件,享受无限制查看;

3.本网站所提供的标准文本仅供个人学习、研究之用,未经授权,严禁复制、发行、汇编、翻译或网络传播等,侵权必究;

4.左侧添加客服微信获取帮助;

5.本文为word版本,可以直接复制编辑使用。


这个人很懒,什么都没留下
未认证用户 查看用户
该文档于 上传
×
精品标书制作
百人专家团队
擅长领域:
工程标 服务标 采购标
16852
已服务主
2892
中标量
1765
平台标师
扫码添加客服
客服二维码
咨询热线:192 3288 5147
公众号
微信客服
客服