文库 工程类投标方案 电气工程

变电站电力管廊配套工程投标方案.docx

DOCX   57页   下载739   2026-01-13   浏览5   收藏18   点赞963   评分-   17353字   10.00
温馨提示:当前文档最多只能预览 15 页,若文档总页数超出了 15 页,请下载原文档以浏览全部内容。
变电站电力管廊配套工程投标方案.docx 第1页
变电站电力管廊配套工程投标方案.docx 第2页
变电站电力管廊配套工程投标方案.docx 第3页
变电站电力管廊配套工程投标方案.docx 第4页
变电站电力管廊配套工程投标方案.docx 第5页
变电站电力管廊配套工程投标方案.docx 第6页
变电站电力管廊配套工程投标方案.docx 第7页
变电站电力管廊配套工程投标方案.docx 第8页
变电站电力管廊配套工程投标方案.docx 第9页
变电站电力管廊配套工程投标方案.docx 第10页
变电站电力管廊配套工程投标方案.docx 第11页
变电站电力管廊配套工程投标方案.docx 第12页
变电站电力管廊配套工程投标方案.docx 第13页
变电站电力管廊配套工程投标方案.docx 第14页
变电站电力管廊配套工程投标方案.docx 第15页
剩余42页未读, 下载浏览全部
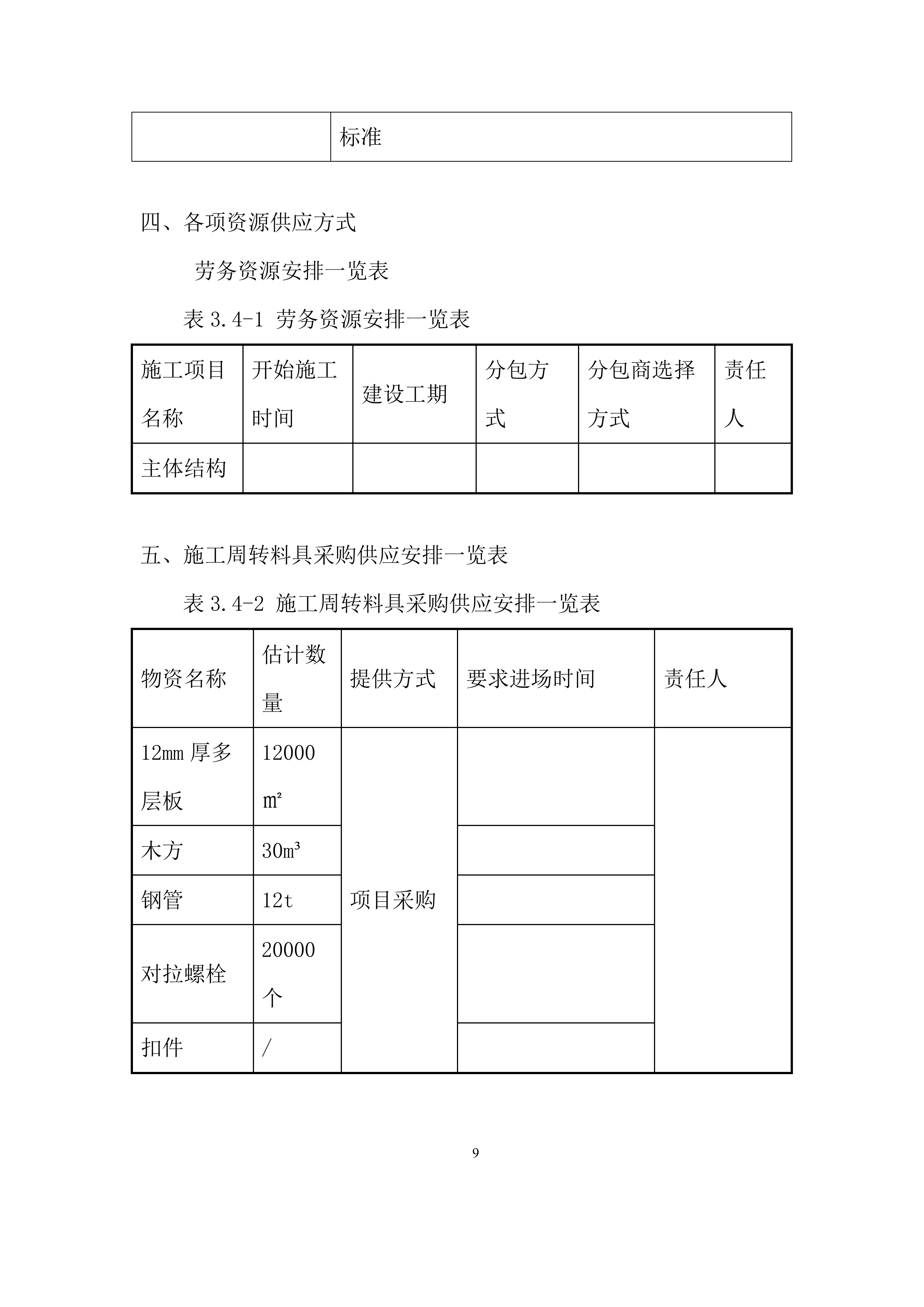
变电站电力管廊配套工程 投标方案 目 录 第一章 编制依据 1 第二章 工程概况 2 一、 工程建设概况一览表 2 二、 设计概况 3 第三章 施工安排 5 一、 项目组织机构 5 二、 项目人员分工 5 三、 项目管理目标 8 四、 各项资源供应方式 9 五、 施工周转料具采购供应安排一览表 9 第四章 施工进度计划 10 第五章 施工准备与资源配置计划 11 六、 施工准备计划 11 七、 资源配置计划 12 第六章 施工方法及工艺要求 14 一、 垫层模板 14 二、 砖胎膜底板模板 14 三、 侧墙及顶板模板施工 15 四、 变形缝 17 五、 控制要点 18 第七章 各项管理计划 23 一、 进度管理计划 23 二、 质量管理计划 30 三、 安全管理计划 35 四、 环境管理计划 45 第八章 绿色施工管理计划 51 第九章 成品保护 52 一、 成品保护制度 52 二、 成品保护措施 54 第一章 编制依据 序号 类别 文件名称 编号 1 国家行政文件 工程建筑标准强制性条文 2 国家行业规范 《混凝土结构工程施工质量验收规范》 3 《建筑工程施工质量验收统一标准》 4 《钢筋机械连接通用技术规程》 5 设计文件 《 xx 1 10 kV变电站电力管廊配套工程》设计图纸 第二章 工程概况 一、 工程建设概况一览表 工程名称 xx 110kV 变电站电力管廊配套工程 工程性质 市政工程 建设规模 1.2km 电力管道, 2.1km 电力管廊 工程地址 建设单位 项目承包范围 设计单位 主要工程 勘察单位 合同要求 质量 合格 监理单位 工期 1 38 日历天 总承包单位 安全 无重大工伤事故,杜绝死亡事故 工程主要工程或用途 新材料产业园输电、供电管道。 二、 设计概况 本次电力管廊工程实施范围包括宏平路、和融路、纵四路和横三路,由横三路接入 xx 110kV变电站,管廊全长约2100m,其中宏平路、和融路与纵四路电力管廊采用单舱结构断面,管廊断面外尺寸为B×H= 3×3.4m[净尺寸为2.4×2.8m],长约1620m;横三路电力管廊采用双舱结构断面,管廊断面外尺寸为B×H= 5.65×3.4m[净尺寸为(2.4+2.4)×2.8m],长约480m。 图2 .2-1 双舱标准断面图 图2 .2-2 单舱标准断面图 电力管廊设计内容包括:管廊总体、管廊结构及附属工程(消防系统、通风系统、供电系统、照明系统、监控与报警系统、排水系统、标识系统)设计,主要是为 xx 110kV变电站进、出线电缆提供敷设条件。 第三章 施工安排 一、 项目组织机构 二、 项目人员分工 xx 1 10 kV变电站电力管廊配套工程人员分工表。 序号 管理职务 姓名 职责和权限 1 项目经理 工程总负责 2 执行经理 施工总体协调,组织现场按方案实施,负责施工所需人、机、物的组织管理与控制,协调外围关系和组织项目周检。 3 技术负责人 协助项目负责人管理和领导技术质量部的工作;组织相关部门和人员参与业主、监理或设计方等就施工方案、技术、设计、质量等方面问题的会议、讨论或磋商;主持施工组织设计和重大技术方案、测量方案的编制并负责审核、把关; 组织进度计划的编制并监督落实,负责土建与机电安装工作之间在进度安排方面的配合和协调;参与劳务商选择,负责劳务商技术方案的审核工作;参与项目质量策划并督促技术方案和施工组织设计主要内容的落实工作;对新技术、新工艺和新材料在本工程的推广和使用进行指导并把关;协助项目领导和组织创优工作;负责组织对工人和劳务公司的岗前培训工作并审查培训效果; 质量总监 根据项目质量保证体系的展开要求和质量职能分配情况,负责指导、检查、监督、纠正、控制现场一切与产品有关的因素,保证工序与产品的一次验收合格或一次成优;根据项目计划,检查、监督、纠正或处置,控制不合格品,并及时向项目负责人反映;认真完成项目负责人和项目工程师布置的其它各项工作;确保质量方针、目标的全面实现; 4 安装经理 负责机电各专业工种之间和其它专业项目的协调及配合,制定本专业项目工期、质量、成本、安全文明施工等各项管理目标、措施,并组织实施机电各专业管理人员、施工日常工作的落实,组织各分项工程的施工、验收工作等;及时解决施工中出现的各种问题,对机电工程施工生产、进度计划全面协调管理,确保机电工程施工顺利进行;对现场消防设施、机械设备用电等进行全面管理; 5 安全总监 贯彻执行安全法规、条例、标准、规定,协助项目负责人搞好项目的安全生产工作;做好安全生产的宣传教育和管理工作,总结交流先进经验;在施工现场,对新工人进场培训,入场教育,监督和指导和工种施工班组安全工作,掌握项目安全生产情况及动态,提出改进意见和措施;定期组织安全活动和安全检查,在检查中贯彻边查边教,及时整改,不留隐患的原则,并督促落实限期解决; 6 商务经理 协助项目负责人做好对外、对内商务管控;负责项目的成本及合同管理、验工计价工作、商务条款在实施过程中的落实、工程变更费用清算及竣工结算工作;完成工程合同的技术评审,与劳务队伍进行合同谈判; 7 物资经理 负责材料采购及周转料具回收保管 9 土建工程师 负责现场施工生产平面管理;实施现场施工过程旁站监督,确保施工按方案实施;具体负责现场道路改造施工过程控制和对作业人员进行技术交底、安全交底和技术培训等;检查作业人员的上岗证件是否齐全有效;同时负责竣工验收及资料的归档整理工作; 三、 项目管理目标 项目管理目标名称 目 标 值 工 期 1 38 日历天 质量目标 合格 安全目标 零伤亡、无重大安全事故 节能目标 满足公司及国家节能减排相关规定 环保施工、 CI 目标 满足四节一环保基本要求,绿色施工达到良好标准 四、 各项资源供应方式 劳务资源安排一览表 表 3. 4 -1 劳务资源安排一览表 施工项目名称 开始施工时间 建设工期 分包方式 分包商选择方式 责任人 主体结构 五、 施工周转料具采购供应安排一览表 表 3. 4-2 施工周转料具采购供应安排一览表 物资名称 估计数量 提供方式 要求进场时间 责任人 1 2 mm厚多层 板 12 000㎡ 项目采购 木方 30 m³ 钢管 12 t 对拉螺栓 2 0000个 扣件 / 第四章 施工进度计划 计划 xx 年9月1 6 日开工, xx 年 2 月 1 日竣工,总工期 138 日历天,详见网络进度计划。 第五章 施工准备与资源配置计划 六、 施工准备计划 技术准备 项目部配齐重要的技术规范及所需的全部测量仪器,开工前组织相关施工人员认真学习施工组织设计,阅读、审核施工图纸,澄清相关技术问题,熟悉规范和施工技术标准;对现场人员进行技术交底,对参加施工人员进行上岗前技术培训,考试合格后方可持证上岗;对现场人员进行技术交底,对参加施工人员进行上岗前技术培训,考试合格后方可持证上岗; 同时根据现场调查情况,制定相应安全保证措施及针对性的应急预案。 表 5-1 技术文件准备计划一览表 序号 文件名称 文件编号 配备数量 持有人 1 《公路工程施工安全技术规范》 2 《城镇综合管廊工程施工及验收规范》 3 《城市综合管廊工程技术规范》 4 《城镇道路工程施工与质量验收规范》 5 《工程测量规范》 现场准备 (1)根据图纸及进度计划提出钢筋材料计划,经项目施工员初步审核后。审核通过,由项目施工员填写《物资需求计划》,经项目生产经理、项目商务经理、项目总工审核,项目经理审批,报物资采购部门采购进场。若未通过项目施工员初步审核,分包单位需在2小时内重新上报钢筋材料计划,按照以上程序进行二次审核。 (2)钢筋进场必须带有产品质量证明书或原材试验报告单。钢筋进场验收时,外观检查表面不得有裂纹、结疤、弯折,表面允许有凸块,但不得超过横肋的最大高度。钢筋进场后要及时复试,钢筋复试时应保证钢筋的抗拉强度实测值与屈服强度实测值的比值不应小于1.25;钢筋的屈服强度实测值与强度标准值的比值不应大于1.30;钢筋的最大力下总伸长率不应小于9%。 七、 资源配置计划 根据现场实际施工条件,配齐配足人、材、机等资源要素,合理配置资源,保证现场施工需要,主要配置如下。 人员配置计划 序号 专业工种 需要量计划(人) 责任人 1 现场管理人员 2 2 指挥交通人员 3 3 普工(围挡安拆) 10 仪器设备配置计划 序号 测量设备名称 分类 数量 使用特征 检定状态 保管人 1 GPS 3 台 性能良好 合格 2 全站仪 1台 性能良好 合格 3 水准仪 1台 性能良好 合格 4 10米卷尺 2 把 性能良好 合格 5 50米卷尺 1 把 性能良好 合格 第六章 施工方法及工艺要求 模板工程是保证混凝土施工质量,加快工程施工进度的关键环节之一,因此,结合工程特点、规模,选择适宜的模板及支撑体系,是模板工程施工必须考虑的主要因素。模板及其支撑体系必须具有一定的强度、刚度和稳定性,能可靠承受新浇筑混凝土的自重,侧压力及施工过程中所产生的荷载。 本工程选用1 2mm的竹胶板 , 考虑工期安排 , 材料一次性投入 。次龙骨采用5 0 × 80 木方,主龙骨采用φ 48.3 × 3.6 钢管。 一、 垫层模板 垫层采用5 0 × 80 木方作为模板,下部采用木楔调节标高,竖向采用短钢筋进行定位。 二、 砖胎膜底板模板 如图6 .2-1 所示,底板厚度3 0 cm,结合设计要求,第一次上翻高度 0.85 m。砌筑0 .24 m×0 .49 m砖胎膜,防水做完后单砖压顶。防水施工完成后,砖胎膜上支设0 .35 m高的模板。保证施工完成后,水平施工缝距管廊内底高度为0 .85 m。 图6 .2-1 砖胎膜及底板模板(单位:mm) 三、 侧墙及顶板模板施工 侧墙纵向钢筋绑扎,支设侧墙模板,侧墙模板采用1 2 mm厚竹胶板,次龙骨采用5 0 × 80 木方,主龙骨采用φ 48.3 × 3.6 双钢管。采用φ1 4 三段式止水螺杆(止水片5 0 *5 0 ),竖向布置 5 道,水平间距2 00+400+400+450+450 ,第一道从施工缝位置向上2 0 0mm起布置,断面跨度方向间距450mm,整体成梅花型布置。 顶板支设采用满堂支架,横向间距0 .9 m,纵向间距0 .9 m,设置 3 道水平杆,步距从下到上分别为 1.2 m、 1.1 m。在顶层水平杆设置连续水平剪刀撑,纵向中间立杆连续设置一道垂直剪刀撑,横向每 4 跨设置一道垂直剪刀撑。下部采用5cm× 20 cm木垫板,顶板次龙骨采用 50 × 8 0木方,间距 0.3 m,主龙骨采用双钢管φ48 .3 × 3.6 mm。模板为1 2 mm竹胶板,顶托与主龙骨钢管间隙采用木楔楔紧。 侧墙内、外侧竖向各设置2道斜撑钢管,纵向间距 0.9 m,作为侧墙斜支撑,管廊内侧斜撑与满堂支架立杆采用扣件连接,增加稳定性。 图6 .3-1 侧墙及顶板模板 图6 .3-2 水平连续剪刀撑 图6 .3-3 竖向纵向剪刀撑 四、 变形缝 如图6 .3-2 、3所示,纵向钢筋在变形缝位置回弯,变形缝内填充2cm厚低发泡聚乙烯板,居中安装钢边橡胶止水带,用纵向钢筋进行定位,安装2个2 00 ×1 35 mm的木盒子进行辅助定位,顶板和底板外侧采用木方支撑,侧墙采用钢管,与侧墙主龙骨连接固定。底板支撑点预埋钢筋固定在防水保护层内,严禁破坏防水,顶板支撑点支撑于次龙骨。 图6 .4-1 钢边橡胶止水带(单位:cm) 图 6. 4-2 底板、顶板封头模板加固 图6 .4-3 侧墙封头模板加固 五、 控制要点 侧墙模板 (1)安装墙模前,首先对墙体施工缝处凿毛,用空压机清除墙体内的杂物,做好测量放线工作。 (2)按照图纸,弹好墙体位置线及管道预留口位置线。复查墙模板位置的定位基准线,按位置线安装洞口模板和各预埋件以及各专业预埋洞口。 (3)为防止墙体模板根部出现漏浆“烂根”现象,墙模板安装前,在底板上根据放线尺寸贴海绵条,做到平整、准确、粘结牢固。并注意穿墙螺栓的安装质量。 (4)焊接模板定位筋,防止下口模板移位。 (5)安装一侧模板并先固定防止倒下伤人,然后安装穿墙螺栓和塑料套管。具体操作为把预先拼装好的一面模板按位置线就位,然后止水对拉螺栓,螺栓规格和间距严格按模板设计中的要求,安装模板应边校正边安装,注意对两侧穿孔的模板对称放置,穿墙螺栓与墙模板保持垂直。 (6)清扫墙内杂物,安装另一侧模板,调整垂直后,拧紧穿墙螺栓,控制好墙体厚度,穿墙螺栓采用Ф14mm三段式止水螺栓(止水片5 0 *5 0 )。 (7)检查螺栓是否紧固,模板拼缝及下口是否严密,拉通线检查模板是否顺直,封堵清扫口,办好预检手续。 顶板模板 (1)顶模板铺设时,从四周先用阴角模板与墙模板连接,然后向中央铺设。 (2)顶板主龙骨为双钢管,调节立杆顶托高度,将主龙骨找平,然后安装次龙骨,间距为300mm。 (3)接缝处用海绵条堵塞挤严,使接缝严密、平整无错台、防漏浆。在拼缝处可用窄尺寸的拼缝模板或木板代替,但均应拼缝严密,小拼缝模板之间也应加海绵条夹紧,防止漏浆。 (4 )平铺完后测量模板标高,并进行校正。 模板拆除 (1)拆模前必须填写拆模申请,在技术人员及监理同意后才可拆除模板,严禁私自拆模。 (2)拆模时必须注意确保混凝土结构的质量和安全,应严格遵守以下规定。 a.拆模顺序是先拆除承重小的部位模板及其支架,然后拆除其他部分的模板及其支架;例如,先拆非承重的侧模,然后拆承重的水平向模板等。 b.在拆除模板过程中,如发现混凝土出现异常现象,可能影响混凝土结构的安全和质量等问题时,应立即停止拆模,与设计、监理等单位研究处理措施后,方可继续拆模。 ( 3 )模板拆除原则 a.模板拆除的顺序应遵循先支后拆、先非承重部位后承重部位以及自上而下的原则。应先拆墙模板,再拆顶板底模。在模板拆除时,严禁用大锤和撬棍硬砸硬撬。 b.侧墙、顶板模板的拆除必须待混凝土达到设计或规范要求的脱模强度。侧墙模板必须待混凝土强度达到1.2MPa以上时,先拆除一块模板,保证拆模时不缺棱掉角方可进行全部模板的拆除。顶板底模板的拆模强度符合设计要求。 c.侧墙模板的拆除顺序是:先松动对拉螺栓,再拆两侧模板的龙骨,使模板与墙的表面逐渐脱离。脱模困难时,可在底部用撬棍轻微撬动,不得在上口使劲撬动、晃动和用大锤砸模。 模板支撑体系 模板支撑体系见图 6.2-1 。 ( 1 )脚手架立杆横向间距0 .9 m,纵向间距0 .9 m,步距从下至上 1.2 m、1 .1 m。底层纵、横向横杆作为扫地杆距地面高度 0.2 m,严禁施工中拆除扫地杆。 ( 2 )架体沿纵向从底到顶采用钢管设置连续竖向剪刀撑,如图6 .2-1 所示,剪刀撑支撑掖角主龙骨,斜杆应每步与立杆扣接,旋转扣件中心线至扣件节点的距离不宜大于150mm。剪刀撑斜杆宜采用搭接,搭接长度1m,不少于3个旋转扣件,端部扣件盖板边缘至杆端距离不小于100mm,每个扣件的拧紧力矩都要控制在45-60N•m。 (3)根据支架的搭设高度,支架主要操作: 1)支架搭设前先根据施工方案,管廊尺寸、高度,测量放出支架布设中心的位置,用石灰洒出线型,便于架子工进行搭设。搭设时以3-4人为一小组,其中1-2人递料,另外2人共同配合搭设,每个人负责一端,同时要求至多两层向一个方向或中间向两边推进,不得从两边向中间合拢搭设;搭设顺序:立杆底座→立杆→横杆→剪刀撑斜杆,立杆下设置木垫板。 2)支架搭设过程中,同时搭设纵向剪刀撑,保证支架的稳定。 3)模板支撑架顶部设置U顶托,通过其螺栓调整标高,以满足箱涵标高的变化,顶部U型可调托撑上放置双排φ48mm钢管。模板支撑架立杆及顶丝自由端长度不得大于0. 3 m。 4)支架立杆搭设间距允许偏差应为±50mm,单根立杆搭设垂直度允许偏差应为3‰,纵轴平面位置允许偏差应为L(结构跨径)/1000且不得大于30mm,底层水平框架的纵向直线度偏差小于1/200架体长度,横杆间水平度偏差小于1/400架体长度,保证每道剪刀撑与立杆采用扣件连接,拧紧力矩不得小于45-60N•m。 5)支架搭设后必须经过检查验收后方可进行模板支设,检验主要内容: a . 立杆木垫板与基础面是否接触良好,有无松动或者脱落情况; b. 检验构件是否锁紧; c. 剪刀撑、扫地杆等构件的设置是否达到设计要求。 (4)支架拆除 1)拆除前应对脚手架作一次全面检查,清除所有多余物件,并设置拆除区,禁止无关人员进入。 2)拆除前应清理脚手架上的器具及多余的材料和杂物。 3)支撑架体的拆除,严禁将拆卸的杆件向地面抛掷,应设专人传递至地面,并按规格分类堆放。 4)拆除过程中,凡已经松开的杆件、构件应及时拆除运走,以免误扶误靠。 第七章 各项管理计划 一、 进度管理计划 施工进度控制点 详见第4章 施工进度计划。 施工进度计划组织机构及责任分工 序号 措施类别 措施内容 责任人 1 组织措施 工期管理组织机构:为确保本工程进度,成立以总承包项目部和各劳务作业层组成的项目工期管理组织机构。 2 分包模式: 1) 在选择劳务作业层时,根据不同的专业特点和施工要求,采取不同的合同模式,在合同中明确保障进度的具体要求。 2) 选用素质高,技术能力强的土建及安装劳务队进行施工。 3 合同管理: 1) 施工前就要和各分包单位签订施工合同,规定完工日期及不能按期完成的惩罚措施等。 2) 在合同中添加专款专用制度以防止施工中因为资金问题而影响工程的进展,充分保障劳动力、机械的充足配备,材料的及时进场。随着工程各阶段控制日期的完成,及时支付各作业队伍的劳务费用,为施工作业人员的充足准备提供保障。按工期节点设立奖罚制度,提前或按期完成给予奖励,拖期给予处罚。 4 专题例会制度: 1)项目部定期召开施工生产协调会议,会议由项目经理主持,劳务作业队主管生产的负责人参加。主要是检查计划的执行情况,提出存在的问题,分析原因,研究对策,采取措施。 2)项目部随时召集并提前下达会议通知单。各作业单位必须派符合资格的人参加,参加者将代表其决策者。 3)工程进度分析。计划管理人员定期进行进度分析,掌握指标的完成情况是否影响总目标。劳动力和机械设备的投入是否满足施工进度的要求,通过分析、总结经验、暴露问题、找出原因、制定措施,确保进度计划的顺利进行。 4)下达施工任务指令。施工任务指令原则上由项目经理签发,主要是针对出现新情况利用签发指令的形式,取得短平快的效果,其次是针对在穿插施工时,必须在规定的时间内完成相应的施工任务,否则影响下道工序的施工计划。 5)各作业单位及时根据项目部的安排调整进度计划,在进度上有任何提前及延误应及时向项目部进行说明。 5 管理措施 计划编制: 1)依据施工承包合同,以整个工程为对象,综合考虑各方面的情况,对施工过程作出战略性的部署,确定主要施工阶段的开始时间及关键线路、工序,明确施工的主攻方向。进度控制: 2)分包单位根据总进度计划要求,编制所施工专业的分部、分项工程进度计划,在工序的安排上服从施工总进度计划的要求和规定,时间上保障留有余地,确保施工总目标(合同工期)的实现。 3) 本工程所有进度计划全部采用梦龙和Project计划编制软件进行编制。 4) 编制进度计划时必须很严谨地分析和考虑工作之间的逻辑关系,网络计划的关键线路清晰明了。 5) 每周,每月编制横道图对比实际进度与计划进度的偏差,并认真分析偏差产生的原因,及时调整进度计划。 6 进度考核: 1) 利用计算机,推行全面计划管理,控制工程进度,建立主要形象进度控制点,运用网络计划跟踪技术和动态管理方法。做到周保月,月保季,坚持月平衡、周调度、工期倒排,确保总进度计划实施。 2) 认真做好施工中的计划统筹、协助与控制。严格坚持落实每周工地施工协调会制度,作好每日工程进度安排,确保各项计划落实。编制详细的工程施工总进度计划,并采用计算机管理技术,对施工计划实行动态管理;建立主要的工程形象进度控制点,围绕总进度计划,编制月、周施工进度计划,作到各分部分项工程的实际进度按计划要求进行;每期根据前期完成情况和其他预测变化情况,对当期计划和后期计划、总计划进行重新调整和部署,确保按原定或因非施工原因调整了的期限交工。 7 进度考核:严格按照合同条款中规定的工期对各分包单位进行考核,合同中明确的工期责任,必须履行,实行奖罚制度。 8 流水施工管理: 1) 根据工程特点,结合现场条件,科学划分流水段,合理进行工序穿插,缩短工期。 2) 将各施工阶段划分为若个施工段,组织段与段之间流水施工。在满足进度要求的情况下,配备足够的人力、机械、物资等资源,提高计划的可实施性。在保障上道工序质量的前提下,下道工序提前插入施工。 9 交叉施工管理: 1)交叉施工时主要考虑的是防止发生对成品的破坏以及安全事故,进而影响工期。 2)项目部由专职人员负责对现场工作环境进行实时跟踪,预见与现场观察相结合,一旦发现具备交叉施工条件,立即在最短时间内安排资源组织施工。 1 0 工序质量:加强质量检查和成品保护工作,尤其是样板间的贯彻和施工过程中的监督检查工作,严格控制工序施工质量,确保一次验收合格,杜绝返工,以一次成优的施工过程,获取缩短工期的效果。 1 1 协调管理: 1) 强化项目部内部管理人员效率与协调,增强与业主的联系,加强对劳务分包方的控制和与各供货厂商的协作,并明确各方及个人的职责分工,减少扯皮现象,争取将围绕本工程建设的各方面人员充分调动起来,共同完成工期总目标。 2)创造和保持施工现场各方面各专业之间的良好的人际关系,使现场各方认清其间的相互依赖和相互制约的关系。 3)加强对设计的配合工作,提供合理化建议,共同消除设计对施工进度的影响。 1 2 日计划管理: 每天1 6 :30前将当天日报表上报工程管理部,日报内容包括当日投入工、料、机情况,当日工作完成情况(包括形象进度、工程报验及验收情况等),次日工、料、机计划投入情况,计划形象进度,内容必须详细准确。 1 3 周计划管理: 每周四16: 3 0前将本周的工程周报上报工程管理部,工程周报内容包括本周工作完成情况(包括形象进度,对周计划落实情况的说明,工程报验及验收情况,本周现场安全、质量文明施工管理,本周发生的设计变更索赔情况等),下周计划形象进度,内容必须详细准确。 1 4 月计划管理: 每月25日17:00前将工程月报上报给工程管理部,工程月报内容包括本月工程形象进度,对上月计划落实完成情况说明,工程报验及验收情况,本周现场安全、质量文明施工管理,本周发生的设计变更索赔情况等,下月计划形象进度,内容必须详细准确。 周边环境协调措施 序号 周边环境影响要素 协调、控制措施 责任人 1 市场动态 密切关注相关资源的市场动态,尤其是材料市场,预见市场的供应能力,对消耗强度高的材料,除现场有一定的储备外,还必须要求供应商第一供应保障。 2 信息沟通 与业主、监理单位、设计单位以及政府相关部门建立有效的信息沟通渠道,确保各种信息在第一时间进行传输。 3 周边协调 1)设立独立的部门或者人员,专职负责外联工作,及时解决影响工程的各种事件(如交通路口和仓储等)。 2)积极主动与当地街道办事处,派出所、交通、环卫等政府主管部门协调联系,取得他们的支持理解,并多为施工提供方便条件。 二、 质量管理计划 质量管理组织机构 质量管理职责分工 依据项目质量管理组织机构,明确各岗位及部门的质量管理职责,突出了项目经理是项目质量管理第一责任人以及质检工程师的监督权利和一票否决权,详见 下表 。 序号 岗位/部门 职责内容 1 项目经理 项目质量的第一责任人,负责组织工程质量策划和施工组织设计大纲的编制,制定工程质量实施总目标。执行公司质量方针,组织贯彻实施公司质量体系文件;执行项目主要质量管理活动;领导项目全面质量管理工作,主持制定和实施项目各项管理制度。 2 项目总工程师 与监理人进行有关质量工作的沟通和汇报,并定期组织质量讲评、质量总结;根据工程质量策划和质量计划,组织专项施工方案、工艺标准、操作规...
变电站电力管廊配套工程投标方案.docx
下载提示

1.本文档仅提供部分内容试读;

2.支付并下载文件,享受无限制查看;

3.本网站所提供的标准文本仅供个人学习、研究之用,未经授权,严禁复制、发行、汇编、翻译或网络传播等,侵权必究;

4.左侧添加客服微信获取帮助;

5.本文为word版本,可以直接复制编辑使用。


这个人很懒,什么都没留下
未认证用户 查看用户
该文档于 上传
×
精品标书制作
百人专家团队
擅长领域:
工程标 服务标 采购标
16852
已服务主
2892
中标量
1765
平台标师
扫码添加客服
客服二维码
咨询热线:192 3288 5147
公众号
微信客服
客服