文库 工程类投标方案 电气工程

电控快速熔断器专业框架投标方案.docx

DOCX   141页   下载425   2026-01-16   浏览0   收藏64   点赞113   评分-   65116字   15.00
温馨提示:当前文档最多只能预览 15 页,若文档总页数超出了 15 页,请下载原文档以浏览全部内容。
电控快速熔断器专业框架投标方案.docx 第1页
电控快速熔断器专业框架投标方案.docx 第2页
电控快速熔断器专业框架投标方案.docx 第3页
电控快速熔断器专业框架投标方案.docx 第4页
电控快速熔断器专业框架投标方案.docx 第5页
电控快速熔断器专业框架投标方案.docx 第6页
电控快速熔断器专业框架投标方案.docx 第7页
电控快速熔断器专业框架投标方案.docx 第8页
电控快速熔断器专业框架投标方案.docx 第9页
电控快速熔断器专业框架投标方案.docx 第10页
电控快速熔断器专业框架投标方案.docx 第11页
电控快速熔断器专业框架投标方案.docx 第12页
电控快速熔断器专业框架投标方案.docx 第13页
电控快速熔断器专业框架投标方案.docx 第14页
电控快速熔断器专业框架投标方案.docx 第15页
剩余126页未读, 下载浏览全部
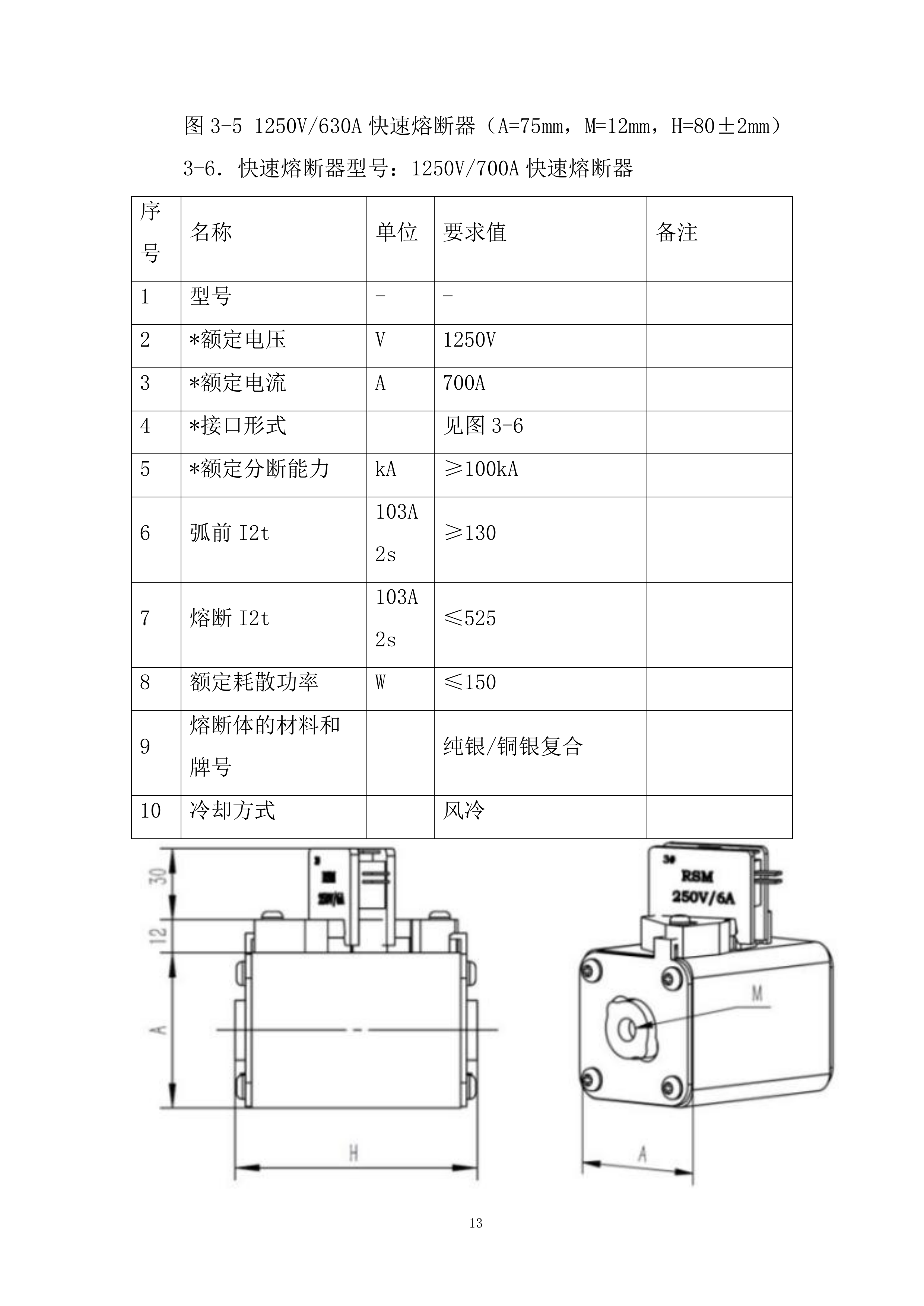
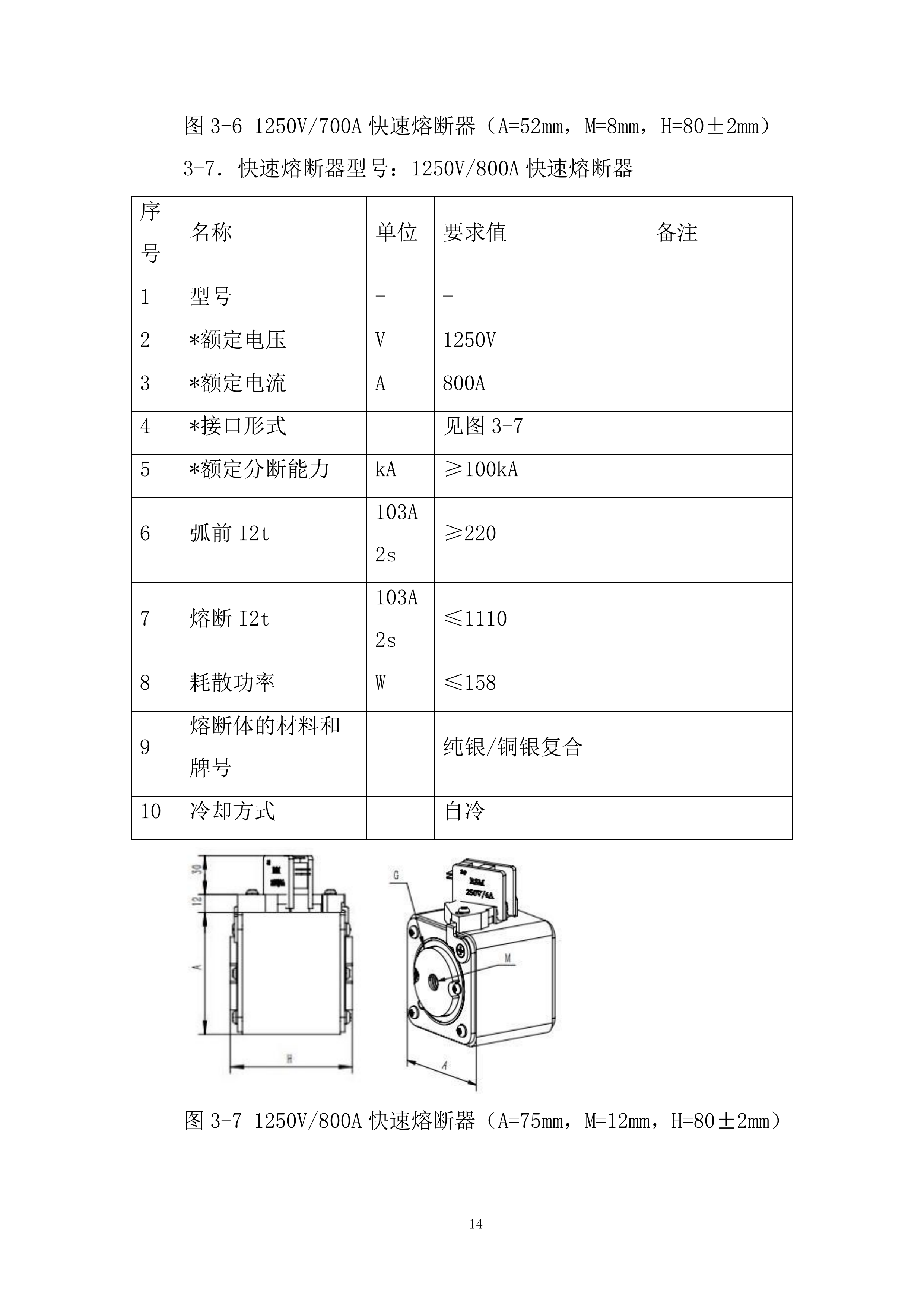
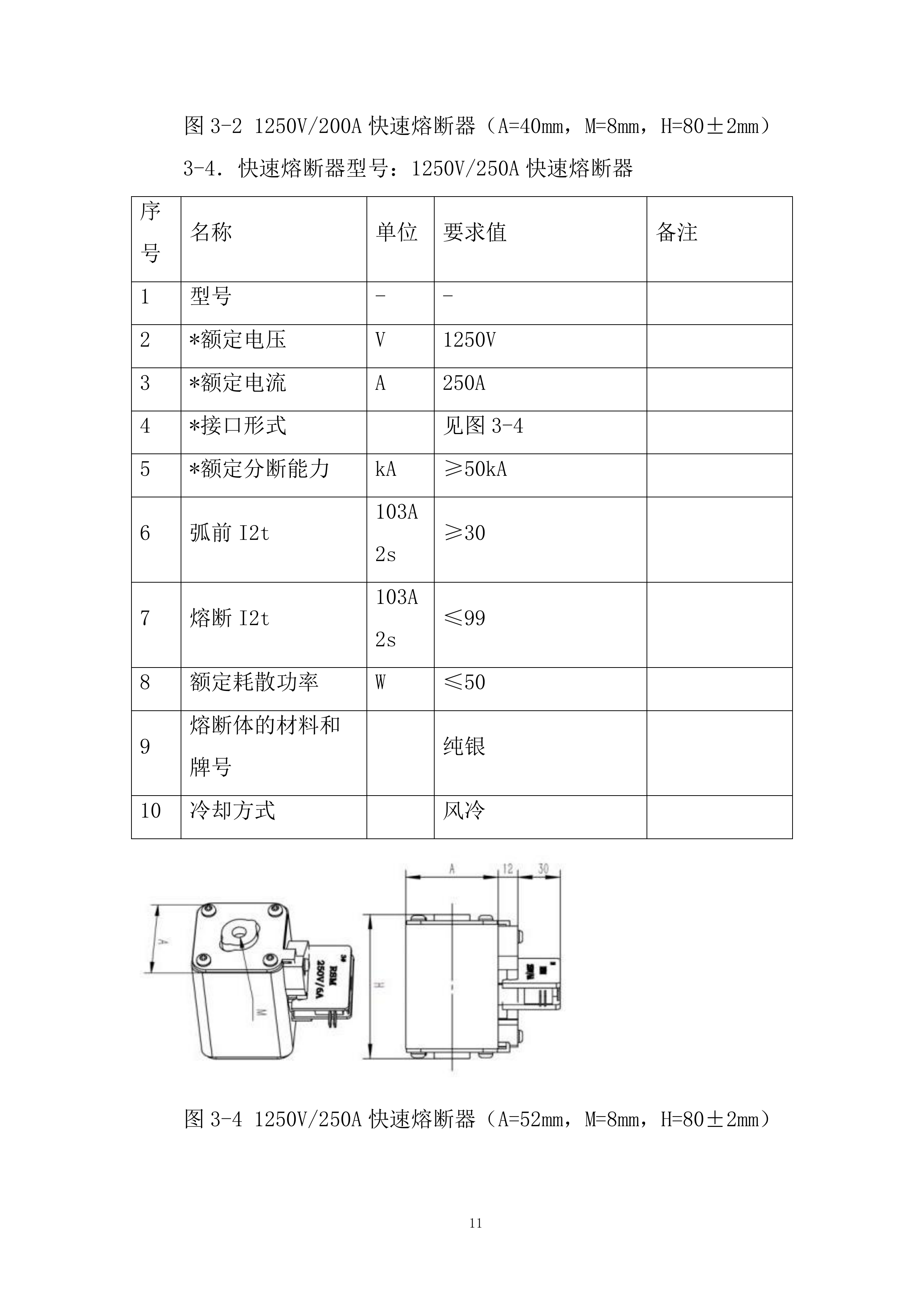
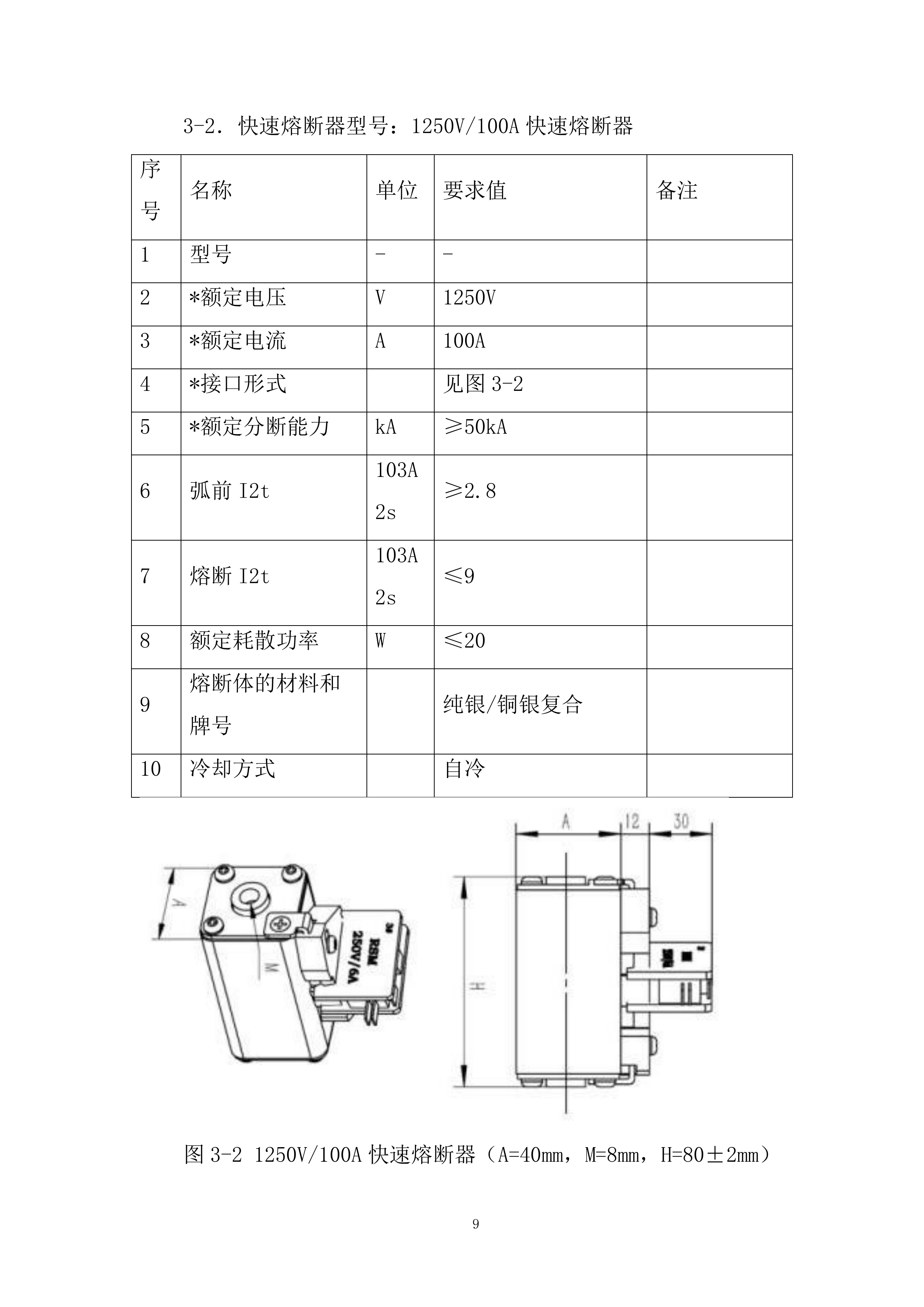
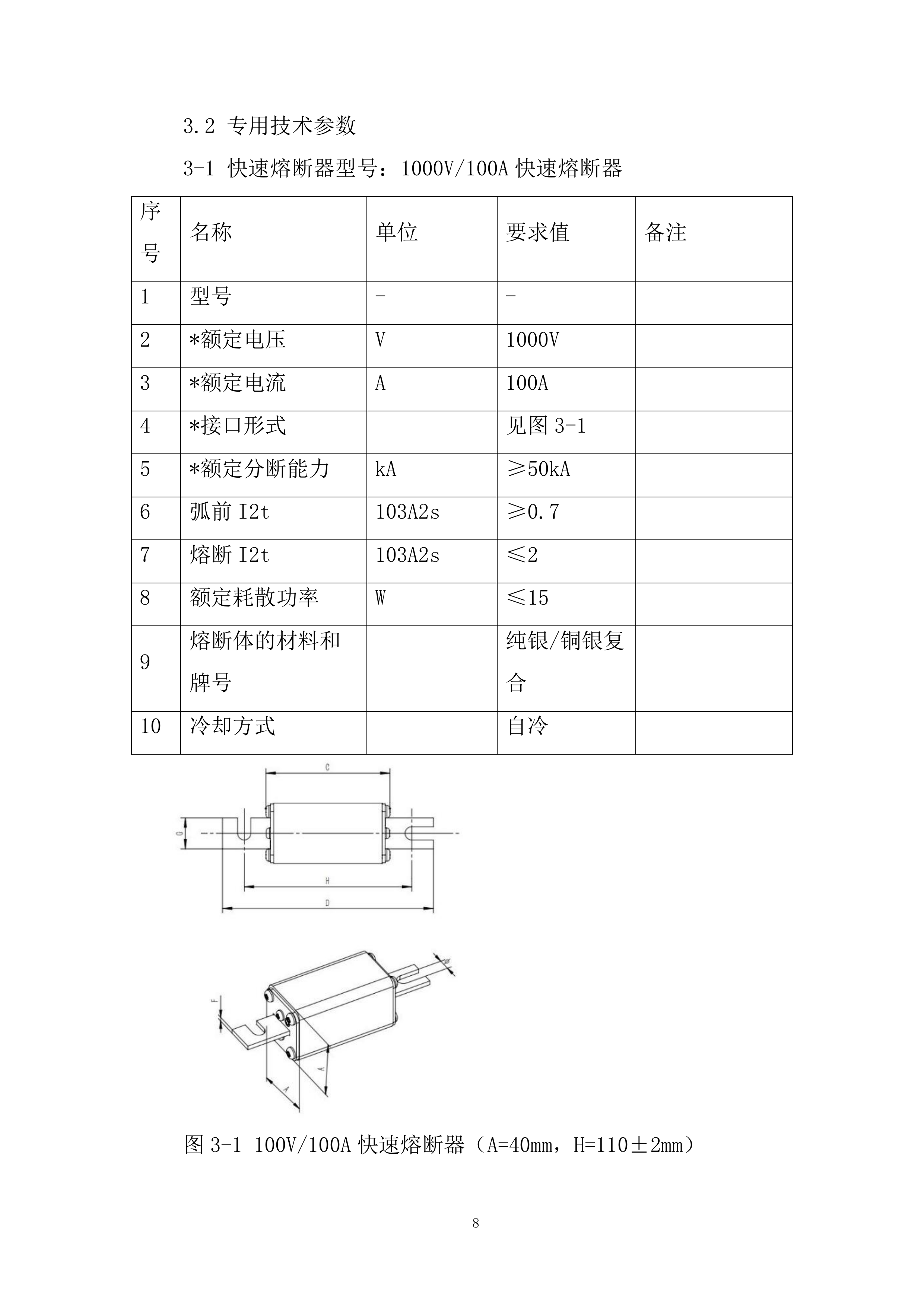
电控快速熔断器专业框架投标方案 目 录 第一章 技术特性参数表 6 第一节 标1包1-快速熔断器技术规范书-序号33~42 6 一、 总则 6 二、 引用标准 6 三、 技术参数 7 四、 原材料要求 18 五、 检验要求 19 六、 包装储运 20 七、 质量和保密 21 第二节 标1包1-快速熔断器技术规范书-序号43~48 23 一、 总则 23 二、 引用标准 23 三、 技术参数 24 四、 原材料要求 31 五、 检验要求 32 六、 包装储运 34 七、 质量和保密 35 第三节 标1包1-快速熔断器技术规范书-序号49~52 37 一、 总则 37 二、 引用标准 37 三、 技术参数 38 四、 检验要求 44 五、 包装储运 45 六、 质量和保密 46 第二章 技术服务,包括培训、安装指导等 48 第一节 技术支持服务 48 一、 技术咨询 48 二、 故障处理 49 三、 产品升级 51 第二节 培训服务 54 一、 培训目标 54 二、 培训内容 55 三、 培训方式 60 四、 培训时间和地点 62 第三节 安装指导服务 64 一、 安装前准备 64 二、 调试配合 70 第三章 售后服务保障及承诺 73 第一节 质保服务 73 一、 质保范围及期限 73 二、 故障响应及处理机制 75 第二节 技术服务 78 一、 技术支持团队组建 78 二、 技术文件提供 78 三、 设备部件停产通知 79 四、 生产过程监造配合 80 第三节 备品备件供应 81 一、 备品备件储备计划 81 二、 备品备件供应时效 83 第四节 培训服务 85 一、 培训方案制定 85 二、 培训内容设置 86 三、 培训方式选择 90 第五节 售后服务监督与评估 93 一、 服务监督机制建立 93 二、 服务质量评估与改进 94 第四章 质量保证措施方案 98 第一节 质量目标 98 第二节 质量保证体系 100 第三节 质量控制措施 102 一、 产品选型控制 102 二、 采购过程控制 104 三、 仓储管理控制 105 第四节 外购外协件的质量检验措施 108 一、 供应商评估​ 108 二、 入厂检验​ 110 三、 定期审核​ 111 第五节 厂内/出厂检验调试、验收方案 114 一、 厂内检验​ 114 二、 出厂检验​ 115 三、 验收方案​ 117 第六节 执行的标准 119 第七节 质量保证承诺 120 第八节 质保期 121 第五章 采购文件“应答人须知前附表附件一技术评分标准”涉及的支撑材料 122 第一节 引言 122 第二节 供应商技术支持及售后服务质量 123 一、 技术支持 123 二、 售后服务 124 第三节 产品到货检验质量 126 一、 包装与外观 126 二、 随机文件 126 三、 性能检验 126 第四节 产品运行表现 128 一、 稳定性 128 二、 可靠性 128 第五节 产品全寿命周期综合状况 129 一、 使用寿命 129 二、 成本效益 129 三、 环保性 129 第六节 综合评价 131 第六章 生产场地、生产能力及剩余产能列表、厂房面积 132 第七章 生产装备 133 第八章 调试试验场所、试验检测设备 139 第九章 制造工艺 141 第一章 技术特性参数表 第一节 标1包1-快速熔断器技术规范书-序号33~42 一、 总则 1.1 本文件描述了适用于国电南瑞科技股份有限公司变流器快速熔断器采购之技术规范。 1.2 本技术规范包括变流器快速熔断器制造所采用技术标准、技术要求及参数、检验验收、标志、包装及质保等事宜。本技术规范提出的是最低限度的技术要求,并未对一切技术要求做出详细规定,也未充分引述有关标准及规范的条文。供应方应保证提供符合本协议书和相关的国际、国内工业标准的优质产品。 1.3 本技术协议所使用的标准与现行国家标准、 ISO 、 IEC 等标准不一致或有相互冲突时,按较高标准执行。 1.4 本技术规范作为采购合同附件与合同正文具有同等法律效力。 1.5 本规范一经生效,作为变流器快速熔断器制造,交货,试验及验收主要依据。 响应:我公司承诺,完全响应上述总则的全部条款,无偏差。 二、 引用标准 本技术协议引用下列标准的有关条文,当这些标准修订后,应引用下列标准最新版本的有关条文。 GB 13539.1-2008 低压熔断器 第1部分:基本要求 GB 13539.2-2008 低压熔断器 第2部分 专职人员使用的熔断器的补充要求 GB/T 13539.4-2009 低压熔断器 第4部分:半导体设备保护用熔断体的补充要求 GB 7251.1-1997 低压成套开关设备和控制设备 第一部分:型式试验和部分型式试验成套设备 GBT 4798-2005 电工电子产品应用环境条件 GBT 4937-2006 半导体器件 机械和气候试验 IEC61000-4 电磁兼容试验和测量技术 射频电磁场辐射抗扰度试验 IEC60068-2 电工电子产品环境试验 第2部分 试验方法 响应:我公司承诺,完全响应上述引用标准的全部条款,无偏差。 三、 技术参数 变流器快速熔断器技术参数分为通用参数和专用参数,均为必须执行之技术要求。专用参数为针对每款具体型号产品的技术要求。技术参数未规定的按第 2 部分相关国家和行业标准执行。 3.1 通用技术参数 序号 项目 数值 单位 备注 1 系统电压 1140 V 2 工作温度 -40--85 ℃ 3 存储温度 -40--85 ℃ 4 工作湿度 小于95%,有凝露 % 5 污染等级 3类 6 过电压类别 III 3.2 专用技术参数 3-1 快速熔断器型号: 1000V/100A 快速熔断器 序号 名称 单位 要求值 备注 1 型号 - - 2 *额定电压 V 1000V 3 *额定电流 A 100A 4 *接口形式 见图3-1 5 *额定分断能力 kA ≥50kA 6 弧前I2t 103A2s ≥0.7 7 熔断I2t 103A2s ≤2 8 额定耗散功率 W ≤15 9 熔断体的材料和牌号 纯银/铜银复合 10 冷却方式 自冷 图 3-1 100V/100A 快速熔断器( A=40mm , H=110 ± 2mm ) 3-2 .快速熔断器型号: 1250V/100A 快速熔断器 序号 名称 单位 要求值 备注 1 型号 - - 2 *额定电压 V 1250V 3 *额定电流 A 100A 4 *接口形式 见图3-2 5 *额定分断能力 kA ≥50kA 6 弧前I2t 103A2s ≥2.8 7 熔断I2t 103A2s ≤9 8 额定耗散功率 W ≤20 9 熔断体的材料和牌号 纯银/铜银复合 10 冷却方式 自冷 图 3-2 1250V/100A 快速熔断器( A=40mm , M=8mm , H=80 ± 2mm ) 3-3 .快速熔断器型号: 1250V/200A 快速熔断器 序号 名称 单位 要求值 响应值 1 型号 - - 2 *额定电压 V 1250V 3 *额定电流 A 200A 4 *接口形式 见图3-3 5 *额定分断能力 kA ≥50kA 6 弧前I2t 103A2s ≥13 7 熔断I2t 103A2s ≤44 8 额定耗散功率 W ≤40 9 熔断体的材料和牌号 纯银/铜银复合 10 冷却方式 自冷 图 3-2 1250V/200A 快速熔断器( A=40mm , M=8mm , H=80 ± 2mm ) 3-4 .快速熔断器型号: 1250V/250A 快速熔断器 序号 名称 单位 要求值 备注 1 型号 - - 2 *额定电压 V 1250V 3 *额定电流 A 250A 4 *接口形式 见图3-4 5 *额定分断能力 kA ≥50kA 6 弧前I2t 103A2s ≥30 7 熔断I2t 103A2s ≤99 8 额定耗散功率 W ≤50 9 熔断体的材料和牌号 纯银 10 冷却方式 风冷 图 3-4 1250V/250A 快速熔断器( A=52mm , M=8mm , H=80 ± 2mm ) 3-5 .快速熔断器型号: 1250V/630A 快速熔断器 序号 名称 单位 要求值 备注 1 型号 - - 2 *额定电压 V 1250V 3 *额定电流 A 630A 4 *接口形式 见图3-5 5 *额定分断能力 kA ≥100kA 6 弧前I2t 103A2s ≥147 7 熔断I2t 103A2s ≤570 8 额定耗散功率 W ≤117 9 熔断体的材料和牌号 纯银/铜银复合 10 冷却方式 自冷 图 3-5 1250V/630A 快速熔断器( A=75mm , M=12mm , H=80 ± 2mm ) 3-6 .快速熔断器型号: 1250V/700A 快速熔断器 序号 名称 单位 要求值 备注 1 型号 - - 2 *额定电压 V 1250V 3 *额定电流 A 700A 4 *接口形式 见图3-6 5 *额定分断能力 kA ≥100kA 6 弧前I2t 103A2s ≥130 7 熔断I2t 103A2s ≤525 8 额定耗散功率 W ≤150 9 熔断体的材料和牌号 纯银/铜银复合 10 冷却方式 风冷 图 3-6 1250V/700A 快速熔断器( A=52mm , M=8mm , H=80 ± 2mm ) 3-7 .快速熔断器型号: 1250V/800A 快速熔断器 序号 名称 单位 要求值 备注 1 型号 - - 2 *额定电压 V 1250V 3 *额定电流 A 800A 4 *接口形式 见图3-7 5 *额定分断能力 kA ≥100kA 6 弧前I2t 103A2s ≥220 7 熔断I2t 103A2s ≤1110 8 耗散功率 W ≤158 9 熔断体的材料和牌号 纯银/铜银复合 10 冷却方式 自冷 图 3-7 1250V/800A 快速熔断器( A=75mm , M=12mm , H=80 ± 2mm ) 3-8 .快速熔断器型号: 1250V/1000A 快速熔断器 序号 名称 单位 要求值 备注 1 型号 - - 2 *额定电压 V 1250V 3 *额定电流 A 1000A 4 *接口形式 见图3-8 5 *额定分断能力 kA ≥100kA 6 弧前I2t 103A2s ≥450 7 熔断I2t 103A2s ≤1900 8 耗散功率 W ≤180 9 熔断体的材料和牌号 纯银/铜银复合 10 冷却方式 自冷 图 3-8 1250V/1000A 快速熔断器( A=75mm , M=12mm , H=80 ± 2mm ) 3-9 .快速熔断器型号: 1250V/1100A 快速熔断器 序号 名称 单位 要求值 备注 1 型号 - - 2 *额定电压 V 1250V 3 *额定电流 A 1100A 4 *接口形式 见图3-9 5 *额定分断能力 kA ≥100kA 6 弧前I2t 103A2s ≥450 7 熔断I2t 103A2s ≤1900 8 耗散功率 W ≤180 9 熔断体的材料和牌号 纯银/铜银复合 10 冷却方式 自冷 图 3-9 1250V/1100A 快速熔断器( A=75mm , M=12mm , H=80 ± 2mm ) 3-10 .快速熔断器型号: 1250V/1200A 快速熔断器 序号 名称 单位 要求值 备注 1 型号 - - 2 *额定电压 V 1250V 3 *额定电流 A 1200A 4 *接口形式 见图3-10 5 *额定分断能力 kA ≥100kA 6 弧前I2t 103A2s ≥950 7 熔断I2t 103A2s ≤3950 8 耗散功率 W ≤150 9 熔断体的材料和牌号 纯银/铜银复合 10 冷却方式 自冷 图 3-10 1250V/1200A 快速熔断器( A=75mm , M=12mm , H=80 ± 2mm ) 响应:我公司承诺,完全响应上述技术参数的全部条款,无偏差。 四、 原材料要求 快速熔断器用原材料必须是全新的、没使用过的以及有足够的原材料采购证明材料,必须符合以下准入要求,建议使用推荐供应商和型号的原材料,如乙方原材料不符合以下要求,需提前告知甲方,甲方确认后方可批量使用。 表 1 原材料要求(甲方要求) 序号 类型 关键技术要求 推荐供应商 备注 1 熔体 2 填料 3 填料固化剂 4 熔断器外壳/瓷管 5 熔断器导体端子 下表“关键原材料”表由乙方填写。关键材料必须符合原材料要求,为保持产品一致性,确定后不能随意更改。若有更改,请提前以书面形式通知甲方,甲方确认后方可更改。 表 2 关键原材料(乙方填写) 序号 类型 型号 厂家 批号/序列号 UL编号 1 熔体 铜银带 2 陶瓷 95瓷 3 触刀 T2紫铜 响应:我公司承诺,完全响应上述原材料要求的全部条款,无偏差。 五、 检验要求 5.1 检验内容 快速熔断器的试验项目应包含但不局限于如下项目。出厂试验测试结果在随机试验报告中给出。批量供货产品(批量指累计供货数量达到 24 )必须提供型式试验报告。对于快速熔断器样品设计,乙方须配合南瑞在变流器上完成新产品试验,直至各项测试指标符合要求。 快速熔断器试验项目 序号 试验名称 型式试验 出厂试验 1 外观和尺寸检查 √ √ 2 电阻 √ √ 3 温升和耗散功率 √ √ 4 额定电流 √ √ 5 过载 √ 6 分断能力 √ 7 熔断特性 √ 8 截断电流特性 √ 9 I2t特性验证 √ 5.2 收货检验 收货检验项目由甲方实施,如供货快速熔断器不满足其中某项或某些项,该快速熔断器属于不合格品。 关于快速熔断器生产及检验过程,国电南瑞保留驻厂监造的权利。 收货检验项目 检验项目 具体实施 是否合格 随机文件完整性 装箱清单;产品质量合格证;出厂检验报告。 合格 外观检查 壳体表面光洁、完好,无划痕及其他损伤;产品铭牌、标牌等应正确、完整、清晰,并牢固在外壳上;接线端子齐全、标注正确、清晰。 合格 包装 包装无破损、无水渍、无污染。 合格 快速熔断器是否合格 合格 5. 3 技术服务 甲方有技术服务需求时,乙方应当提供全方面的支持。乙方需在样机发货前提供至少如下的技术文档供甲方审核及存档。 序号 所需提供资料 备注 1 计算书 2 主要材料资料 3 3D模型 4 技术规格书(包含图纸、安装说明) 5 型式试验报告 6 认证证书 7 应用业绩(相关行业) 响应:我公司承诺,完全响应上述检验要求的全部条款,无偏差。 六、 包装储运 6.1 包装标志 快速熔断器的外包装上有收发货标志、包装储运标志和安全警告标志,按《 GB/T191 包装储运图示标志 》的有关规定执行。 6.2 随机资料 随同产品供应的技术文件 ( 1 )装箱清单 ( 2 )产品质量合格证 ( 3 )出厂检验报告 6.3 型式认证 型式认证资料,包含型式试验报告、原材料清单等,在发货前提交甲方技术部门。 6.4 产品包装 产品包装应符合《 GB/T13384 机电产品包装通用技术条件》。 响应:我公司承诺,完全响应上述包装储运的全部条款,无偏差。 七、 质量和保密 7.1 重要声明 本技术协议所涉及内容为变流器快速熔断器的生产制造依据,乙方应严格按照此协议内容生产制造,甲方将按照此协议进行产品验收。在生产期间发生技术问题,比如原材料更换,结构改动等事宜,乙方应及时通知甲方人员,并以书面文件形式说明,此文件将作为本技术协议的附件,具有同等法律效力。 7.2 品质保证 ( 1 )产品质保期为从变流器整机在风场调试完成,并网发电开始 60 个月,在此期间发生的任何产品质量问题及由此质量问题产生的连带问题,乙方需负全责。 ( 2 )当同一型号产品因相同原因产生故障,数量达到 2 件时,该项目批次产品必须全部更换,更换后,该批次产品的质保期重新开始计算。 ( 3 )当乙方产品发生故障时,乙方必须在 24 小时内响应,在 72 小时内(不可抗拒的特殊情况除外)完成故障处理。超出服务时间的,逾期按 2000 元 / 天扣除质保金。 ( 4 )批次产品发货程序为:乙方提前 48 小时通知甲方见证出厂试验,并提供出厂试验方案→甲方在 24 小时内回复是否见证出厂试验→在乙方工厂,甲方见证出厂试验;若甲方明确回复不见证出厂试验,则乙方提交出厂试验报告和录像证明材料。若出厂试验满足技术协议,在甲方对出厂试验结果认可后,以书面形式通知甲方,甲方执行发货。 ( 5 )甲方对出厂试验的认可,不意味着对乙方产品品质责任和质保责任的解除。 ( 6 )如果乙方没有按照发货程序执行发货,则甲方有权利拒收。 ( 7 )乙方须保证试验条件可以满足所有出厂试验。 ( 8 )乙方需要按甲方要求及时提交故障分析报告。 7.3 保密责任 乙方不得把该技术协议以电子、纸质等任何形式扩散给甲乙双方之外的第三方。 响应:我公司承诺,完全响应上述质量和保密的全部条款,无偏差。 第二节 标1包1-快速熔断器技术规范书-序号43~48 一、 总则 1.1 本文件描述了适用于国电南瑞科技股份有限公司制氢电源快速熔断器采购之技术规范。 1.2 本技术规范包括制氢电源快速熔断器制造所采用技术标准、技术要求及参数、检验验收、标志、包装及质保等事宜。本技术规范提出的是最低限度的技术要求,并未对一切技术要求做出详细规定,也未充分引述有关标准及规范的条文。供应方应保证提供符合本协议书和相关的国际、国内工业标准的优质产品。 1.3 本技术协议所使用的标准与现行国家标准、 ISO 、 IEC 等标准不一致或有相互冲突时,按较高标准执行。 1.4 本技术规范作为采购合同附件与合同正文具有同等法律效力。 1.5 本规范一经生效,作为制氢电源快速熔断器制造,交货,试验及验收主要依据。 响应:我公司承诺,完全响应上述总则的全部条款,无偏差。 二、 引用标准 本技术协议引用下列标准的有关条文,当这些标准修订后,应引用下列标准最新版本的有关条文。 GB 13539.1-2008 低压熔断器 第1部分:基本要求 GB 13539.2-2008 低压熔断器 第2部分 专职人员使用的熔断器的补充要求 GB/T 13539.4-2009 低压熔断器 第4部分:半导体设备保护用熔断体的补充要求 GB 7251.1-1997 低压成套开关设备和控制设备 第一部分:型式试验和部分型式试验成套设备 GBT 4798-2005 电工电子产品应用环境条件 GBT 4937-2006 半导体器件 机械和气候试验 IEC61000-4 电磁兼容试验和测量技术 射频电磁场辐射抗扰度试验 IEC60068-2 电工电子产品环境试验 第2部分 试验方法 响应:我公司承诺,完全响应上述引用标准的全部条款,无偏差。 三、 技术参数 制氢电源快速熔断器技术参数分为通用参数和专用参数,均为必须执行之技术要求。专用参数为针对每款具体型号产品的技术要求。技术参数未规定的按第 2 部分相关国家和行业标准执行。 3.1 通用技术参数 序号 项目 数值 单位 备注 1 系统电压 AC660V、DC800V V 2 工作温度 -40--85 ℃ 3 存储温度 -40--85 ℃ 4 工作湿度 小于95%,有凝露 % 5 污染等级 3类 6 过电压类别 III 3.2 专用技术参数 3-1 快速熔断器型号: AC6600V/2400A 快速熔断器 序号 名称 单位 要求值 备注 1 型号 - - 2 *额定电压 V AV660V 3 *额定电流 A 2400A 4 *接口形式 见图3-1 5 *额定分断能力 kA ≥50kA 6 弧前I2t 103A2s - 7 熔断I2t 103A2s - 8 额定耗散功率 W - 9 熔断体的材料和牌号 纯银/铜银复合 10 冷却方式 自冷 图 3-1 AC660V/2400A 快速熔断器( A=75mm , H=55mm , D=167mm ) 3-2 .快速熔断器型号: DC800V/2000A 快速熔断器 序号 名称 单位 要求值 备注 1 型号 - - 2 *额定电压 V DC800V 3 *额定电流 A 2000A 4 *接口形式 见图3-2 5 *额定分断能力 kA ≥50kA 6 弧前I2t 103A2s - 7 熔断I2t 103A2s - 8 额定耗散功率 W - 9 熔断体的材料和牌号 纯银/铜银复合 10 冷却方式 自冷 图 3-2 DC800V/2000A 快速熔断器( A=75mm , H=79mm , D=167mm ) 3-3 .快速熔断器型号: DC380V1250A 快速熔断器 序号 名称 单位 要求值 1 型号 - - 2 *额定电压 V DC380V 3 *额定电流 A 1250A 4 *接口形式 见图3-3 5 *额定分断能力 kA - 6 弧前I2t 103A2s - 7 熔断I2t 103A2s - 8 额定耗散功率 W - 9 熔断体的材料和牌号 纯银/铜银复合 10 冷却方式 自冷 图 3-3 DC380V/1250A 快速熔断器( H=51 ± 2mm ) 3-4 .快速熔断器型号: AC500V2200A 快速熔断器 序号 名称 单位 要求值 备注 1 型号 - - 2 *额定电压 V AC500V 3 *额定电流 A 2200A 4 *接口形式 见图3-4 5 *额定分断能力 kA - 6 弧前I2t 103A2s - 7 熔断I2t 103A2s - 8 额定耗散功率 W - 9 熔断体的材料和牌号 纯银/铜银复合 10 冷却方式 自冷 图 3-4 AC500V2200A 快速熔断器( A=75mm , H=55mm , D=167mm ) 3-5 .快速熔断器型号: AC660V2600A 快速熔断器 序号 名称 单位 要求值 备注 1 型号 - - 2 *额定电压 V AC660V 3 *额定电流 A 2600A 4 *接口形式 见图3-5 5 *额定分断能力 kA - 6 弧前I2t 103A2s - 7 熔断I2t 103A2s - 8 额定耗散功率 W - 9 熔断体的材料和牌号 纯银/铜银复合 10 冷却方式 自冷 图 3-5 AC660V2600A 快速熔断器 3-6 .快速熔断器型号: DC400V2800A 快速熔断器 序号 名称 单位 要求值 备注 1 型号 - - 2 *额定电压 V DC400V 3 *额定电流 A 2800A 4 *接口形式 见图3-6 5 *额定分断能力 kA - 6 弧前I2t 103A2s - 7 熔断I2t 103A2s - 8 额定耗散功率 W - 9 熔断体的材料和牌号 纯银/铜银复合 10 冷却方式 自冷 图 3-6 DC400V2800A 快速熔断器 响应:我公司承诺,完全响应上述技术参数的全部条款,无偏差。 四、 原材料要求 快速熔断器用原材料必须是全新的、没使用过的以及有足够的原材料采购证明材料,必须符合以下准入要求,建议使用推荐供应商和型号的原材料,如乙方原材料不符合以下要求,需提前告知甲方,甲方确认后方可批量使用。 表 1 原材料要求(甲方要求) 序号 类型 关键技术要求 推荐供应商 备注 1 熔体 2 填料 3 填料固化剂 4 熔断器外壳/瓷管 5 熔断器导体端子 下表“关键原材料”表由乙方填写。关键材料必须符合原材料要求,为保持产品一致性,确定后不能随意更改。若有更改,请提前以书面形式通知甲方,甲方确认后方可更改。 表 2 关键原材料(乙方填写) 序号 类型 型号 厂家 批号/序列号 UL编号 1 熔体 铜银带 重庆川仪 A224028929...
电控快速熔断器专业框架投标方案.docx
下载提示

1.本文档仅提供部分内容试读;

2.支付并下载文件,享受无限制查看;

3.本网站所提供的标准文本仅供个人学习、研究之用,未经授权,严禁复制、发行、汇编、翻译或网络传播等,侵权必究;

4.左侧添加客服微信获取帮助;

5.本文为word版本,可以直接复制编辑使用。


这个人很懒,什么都没留下
未认证用户 查看用户
该文档于 上传
×
精品标书制作
百人专家团队
擅长领域:
工程标 服务标 采购标
16852
已服务主
2892
中标量
1765
平台标师
扫码添加客服
客服二维码
咨询热线:192 3288 5147
公众号
微信客服
客服