文库 工程类投标方案 防水工程

数据中心二期地下防水施工投标方案.docx

DOCX   55页   下载468   2026-01-13   浏览3   收藏30   点赞772   评分-   14551字   10.00
温馨提示:当前文档最多只能预览 15 页,若文档总页数超出了 15 页,请下载原文档以浏览全部内容。
数据中心二期地下防水施工投标方案.docx 第1页
数据中心二期地下防水施工投标方案.docx 第2页
数据中心二期地下防水施工投标方案.docx 第3页
数据中心二期地下防水施工投标方案.docx 第4页
数据中心二期地下防水施工投标方案.docx 第5页
数据中心二期地下防水施工投标方案.docx 第6页
数据中心二期地下防水施工投标方案.docx 第7页
数据中心二期地下防水施工投标方案.docx 第8页
数据中心二期地下防水施工投标方案.docx 第9页
数据中心二期地下防水施工投标方案.docx 第10页
数据中心二期地下防水施工投标方案.docx 第11页
数据中心二期地下防水施工投标方案.docx 第12页
数据中心二期地下防水施工投标方案.docx 第13页
数据中心二期地下防水施工投标方案.docx 第14页
数据中心二期地下防水施工投标方案.docx 第15页
剩余40页未读, 下载浏览全部
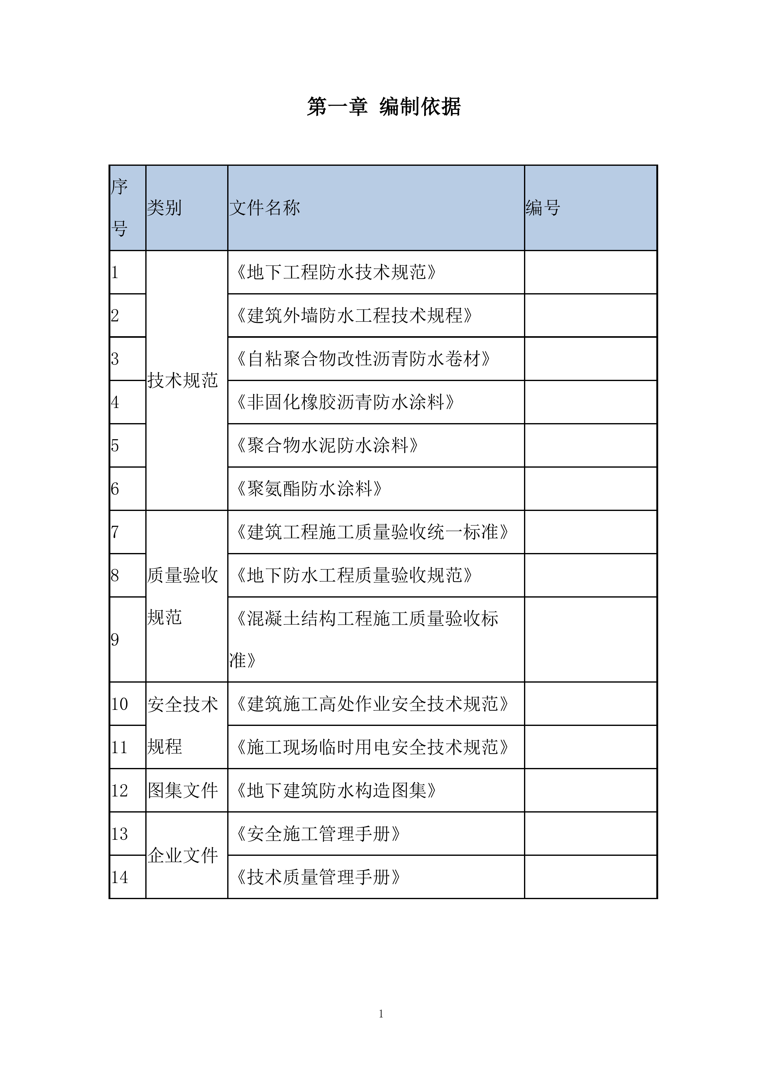
数据中心二期 地下防水施工 投标 方案 目 录 第一 章 编制依据 1 第二 章 工程概况 2 一、 工程建设概况表 2 二、 防水设计概况 3 第三 章 施工安排 5 一、 管理人员配置及职责 5 二、 施工段的划分 8 三、 工程施工重点和难点分析及应对措施 8 第四 章 施工进度计划 11 第五 章 资源配置计划 12 一、 劳动力配置计划 12 二、 工程用原材料需用量计划 12 三、 机具、设备配置计划 12 四、 技术复核和隐蔽验收计划 13 五、 施工试验检验计划 14 六、 测量计量仪器配置计划 15 第六 章 施工方法 16 一、 方案及技术参数 16 二、 施工工艺流程 16 三、 施工工艺 17 四、 施工要点 21 五、 细部节点 23 第七 章 进度管理计划 32 一、 确定施工进度控制点 32 二、 施工进度管理 32 三、 进度管理措施 35 第八 章 质量管理计划 37 一、 质量控制目标分解 37 二、 确定质量控制点 37 三、 质量保证措施 38 第九 章 职业健康安全管理计划 40 一、 职业健康安全重大危险源 40 二、 安全生产管理制度 40 三、 安全生产保证措施 42 四、 安全生产应急预案 45 第十 章 环境管理计划 50 一、 重大环境因素清单 50 二、 环境保护措施 50 第十一章 成品保护管理计划 51 一、 成品保护管理组织和职责分工 51 二、 成品保护计划及保证措施 52 第一 章 编制依据 序号 类别 文件名称 编号 1 技术规范 《地下工程防水技术规范》 2 《建筑外墙防水工程技术规程》 3 《自粘聚合物改性沥青防水卷材》 4 《非固化橡胶沥青防水涂料》 5 《聚合物水泥防水涂料》 6 《聚氨酯防水涂料》 7 质量验收规范 《建筑工程施工质量验收统一标准》 8 《地下防水工程质量验收规范》 9 《混凝土结构工程施工质量验收标准》 10 安全技术规程 《建筑施工高处作业安全技术规范》 11 《施工现场临时用电安全技术规范》 12 图集文件 《地下建筑防水构造图集》 13 企业文件 《安全施工管理手册》 14 《技术质量管理手册》 第二 章 工程概况 一、 工程建设概况表 工程名称 工程性质 工业、厂房 建设规模 工程地址 总占地面积 总建筑面积 建设单位 项目承包范围 设计单位 主要分包工程 土方、基坑支护、装饰装修、屋面、室外工程 勘察单位 合同要求 质量 争创“鲁班奖” 监理单位 工期 450天 总承包单位 安全 创建 xx 市建筑施工现场标准化管理样板工程 工程主要功能或用途 建成中国北方沿海最大的五星级云数据中心 二、 防水设计概况 序号 设防部位 建筑做法 防水做法 1 地下室底板 防水钢筋混凝土底板 50厚C20细石混凝土保护层 0.4厚聚氯乙烯塑料薄膜隔离层 3+3厚双层聚酯胎SBS改性沥青防水卷材 20厚1:3水泥砂浆找平层 100厚C15混凝土垫层 回填土夯实,压实系数≥0.94 3厚改性沥青防水 3+3厚双层聚酯胎SBS改性沥青防水卷材 2 地下室侧墙 1、3:7灰土分层夯实 2、粘贴50厚挤塑聚苯板保温层 3、3+3厚双层聚酯胎SBS改性沥青防水卷材 4、2.0厚橡化沥青非固化防水涂料(防水胶泥) 5、20厚1:3水泥砂浆找平层 6、400厚防水钢筋混凝土侧墙 3+3厚双层聚酯胎SBS改性沥青防水卷材 3 桩头 1、桩周: 防水钢筋混凝土底板及承台 20厚1:2聚合物水泥砂浆防水层 水泥基渗透结晶防水涂料层 100厚C15混凝土垫层 素土夯实 2、 桩头: 防水钢筋混凝土底板 20厚1:2聚合物水泥砂浆防水层 3) 水泥基渗透结晶防水涂料 4)钢筋混凝土桩头(清理干净) 水泥基渗透结晶防水涂料 第三 章 施工安排 一、 管理人员配置及职责 图3.1.1-1 防水施工管理组织机构 项目管理人员及职责分工 序号 管理职务 姓名 职责和权限 1 项目经理 1、履行与业主签订的工程总承包合同与书面承诺。 2、协调好业主、监理、设计、市政、环境等与项目相关各方面的关系。 3、负责施工所需人、财、物的组织管理与控制。 4、负责专业分包进度、质量、安全、文明等综合协调。 5、针对地下防水工程实施过程中的重大问题组织专题讨论和方案论证,处理专业分包重大的管理和协调问题,保证地下防水工程的有效实施。 2 项目总工 1、全面负责项目的技术管理工作,负责地下防水工程施工方案的编制和方案的交底。 2、全面负责地下防水工程的技术、质量管理,竣工验收。 3、主持项目部例会并根据现场地下防水施工的实际工程进度及时调防水施工计划,并进行资源再分配。 3 商务经理 1、协助项目经理进行工作,具体负责物资设备采购和商务合约管理工作。 2、在项目经理的领导下,对施工管理的重要或重大决策进行研究,形成决议,并分别予以落实。 3、负责施工现场的各种物资资源管理。 4、负责分包商工作的协调。 4 生产经理 1、地下防水工程施工不出现因项目自身原因导致的工期一般及以上延误。 2、对地下防水工程施工总、月、周计划完成情况进行过程记录。 3、组织、监督专业工程师进行地下防水工程施工前技术交底。 4、进场安全教育,组织、监督专业工程师,地下防水工程施工前进行安全交底,安全隐患整。 5、掌握地下防水工人人员组成及动态,及时协调分包商配合及组织施工。 5 质量总监 1、负责工程质量的现场监督检查和地下防水工程的质量验收。 2、负责地下防水工程一般不合格品的处置,发现严重不合格品及时报告技术负责人,并负责处置后的质量验收与评定。 3、对防水分包和防水施工班组提出质量奖罚。 4、质量验收文件的记录与整理。 6 安全总监 1、参与地下防水工程危险源辨识、风险评价与控制策划,参与环境因素的识别与评价。 2、参与地下防水工程职业健康安全与环境管理规划、管理方案及技术措施方案的制定,落实相关责任。 3、巡回进行地下防水工程职业健康安全/环境管理检查,对关键特性参数定期进行监测,发现问题下达整改通知单,并对整改情况进行验证。 4、负责地下防水工程职业健康安全/环境应急准备检查,按应急预案进行响应 7 物资工程师 1、负责地下防水工程的物资控制,包括经上级授权对物资供应商进行评价、实施招标采购、做好进场物资的验证和记录、物资保管、标识等。 2、监督检查防水分包商自行采购物资的控制。负责不合格物资的处置和记录。 8 试验工程师 负责地下防水工程的试验、检验工作。 二、 施工段的划分 整体施工段以楼座为单位划分,分别为3#厂房、4#厂房、5#厂房及动力中心,各单体施工段划分为:3#厂房、4#厂房、5#厂房各进线室底板及外墙、-0.05m区域、-1.2m区域、-1.8m区域;动力中心划分为蓄水池底板及侧墙、其他区域。 三、 工程施工重点和难点分析及应对措施 序号 重点和难点 具体分析 应对措施 责任人 1 桩头防水处理 1、桩头部位为防水的薄弱环节。 1、桩头防水施工时作为重点控制项目确保桩头防水质量。 2 细部节点做法 1、外墙上返节点处理。 2、阴阳角处理 3、外墙管根节点大样。 4、阴阳角附加卷材大样。 5、外墙后浇带防水做法。 1、细部节点绘制细部节点图,并给作业班组进行技术交底。 2、防水细部节点位置验收完成方可进行下道工序施工,严格控制施工工序和施工质量。 3 非固化沥青防水涂料的粘结质量 质量控制管理知识不足 加强技术交底的质量以及技术交底的可视化。 4 卷材长短边搭接长度 长短边搭接长度控制不到位 做好技术交底,加大巡查频次 5 材料的搭接 由于防水节点较多,材料搭接处将成为整个防水系统的薄弱环节 绘制节点详图明确搭接方式。 6 立面防水脱落 由于立面做法为沥青防水卷材,长时间暴露极易滑落 1、外墙顶部平直段部分采用钢钉不锈钢片固定。 2、长时间外漏部位可采用保护墙代替苯板保护层 3、合理安排作业工序,及时回填 第四 章 施工进度计划 序号 防水部位 开始时间 结束时间 工期 1 地下室底板 2 地下室外墙 第五 章 资源配置计划 一、 劳动力配置计划 施工阶段 工种 人数 底板防水施工阶段 防水工 40 外墙防水施工阶段 防水工 随施工进度 二、 工程用原材料需用量计划 序号 材料名称 规格 需要时间及数量 责任人 单位 专业分包队伍 1 水泥基渗透结晶防水涂料 15kg/桶 T 2 1 专业分包队伍 2 3厚双层聚酯胎SBS改性沥青防水卷材 1m*10m/卷 万M2 2 2 专业分包队伍 三、 机具、设备配置计划 序号 机具、设备名称 规格型号 数量 进场时间 责任人 1 搅拌机 / 3套 2 吹风机(或吸尘器) / 3部 3 钢丝刷 / 50套 4 铲刀/扁铲 / 50把 5 扫帚 / 20把 6 剪刀 / 20把 7 壁纸刀 / 20把 8 墨线盒 / 30个 9 粉笔 / 10盒 10 钢卷尺 / 9把 11 滚刷 / 20把 12 毛刷 / 20把 13 喷涂机 / 3台 14 压辊 / 9把 四、 技术复核和隐蔽验收计划 序号 技术复核、隐蔽验收部位 复核和隐蔽内容 责任人 1 桩头防水 水泥基渗透结晶防水涂料涂刷厚度、桩头外扩宽度。 2 防水附加层 附加层位置、附加层宽度和粘接质量。 3 3厚双层聚酯胎SBS改性沥青防水卷材 长短边搭接宽度、相邻接头错开宽度、接头粘贴质量、接头留置位置、有无空鼓等。 五、 施工试验检验计划 序号 工程部位 检验项目 单位 检验频率 检验时间 责任人 1 桩头 水泥基渗透结晶防水涂料 吨 同一类型、同一规格 10 吨为一验收批,不足 10 吨亦为一验收批。1组 施工前1个月 2 底板、侧墙 3厚双层聚酯胎SBS改性沥青防水卷材 m2 同一类型、同一规格 10000 m2 为一验收批,不足 10000m 2 亦为一验收批。1组 施工前1个月 六、 测量计量仪器配置计划 序号 仪器名称 分类 数量 使用特征 检定周期 保管人 1 钢卷尺 5米 20 搭接长度 / 2 游标卡尺 2 厚度 / 第六 章 施工方法 一、 方案及技术参数 本工程地下室防水分为地下室底板防水、地下室外墙防水和桩头防水。不同防水层材料分类详见下表。 序号 设防部位 防水做法 1 地下室底板 3+3厚双层聚酯胎SBS改性沥青防水卷材 2 地下室侧墙 3+3厚双层聚酯胎SBS改性沥青防水卷材+2.0厚橡化沥青非固化防水涂料(防水胶泥) 5 桩头 水泥基渗透结晶型防水涂料 二、 施工工艺流程 6.2.1 地下室底板防水施工流程 地下室底板3+3厚双层聚酯胎SBS改性沥青防水卷材施工工艺流程: 基层清理→涂刷基层处理剂→细部附加层加强处理→铺贴改性沥青防水卷材附加层→大面积铺贴防水卷材→搭接缝处理→检查验收→成品保护。 6.2.2 地下室外墙防水施工流程 地下室外墙:3+3厚双层聚酯胎SBS改性沥青防水卷材+2.0厚橡化沥青非固化防水涂料(防水胶泥)施工工艺流程:: 对拉螺杆头处理→基层清理→涂刷基层处理剂→细部附加层加强处理→铺贴改性沥青防水卷材附加层→大面积铺贴防水卷材→搭接缝处理→检查验收→成品保护。 6.2.3 桩头防水施工流程 基层处理→湿润基层→涂刷水泥基渗透结晶防水涂料→止水环安装→养护→检查验收 三、 施工工艺 6.3.1 改性沥青防水卷材施工工艺 1、施工流程 基层清理→涂刷基层处理→细部附加层加强处理→试铺弹线→→铺贴改性沥青防水卷材附加层→大面积铺贴防水卷材→搭接缝处理→检查验收→成品保护。 2、施工程序及方法 1)基层处理 基层要平整、坚实、干净、无明水,如有混凝土起皮、模板钉、砂浆等需清扫干净。阴阳角、管根、设备基础等细部应做成圆弧,圆弧直径应大于50mm。采用抹子等以手工涂刮的方式对接缝、螺栓,局部腐蚀等薄弱部位以及龟裂、边角等薄弱部位进行附加层处理。地下结构基层表面应平整、牢固,不得有起砂、空鼓等缺陷;阴阳角处,应做成圆弧形或钝角,同时表面应洁净干燥,经隐蔽验收合格才能进行防水层施工。 2)喷涂基层处理剂 用喷雾器在基础表面喷涂一层基层处理剂,基层处理剂涂刷后要尽快铺完防水层,以免面积过大,来不及铺贴卷材,时间过长易被风沙尘土污染,影响铺贴防水质量 3)附加层施工 阴角、阳角部位:在阴角和阳角处加铺一层 600mm 宽的附加防水卷材作为加强,附加层平立面均不小于250mm。如右图所示: 2、管根部位:在伸出结构面的管道周围的找平层做成圆锥台,管道与找平层间留凹槽,并嵌填密封膏;管道根部周圈,另铺加高度和宽度为 300mm 宽的防水卷材做为加强层,管道上的防水层收头处应用金属箍紧固,并用密封膏封严。 4)铺贴改性沥青防水卷材 (1)异型部位 施工时先对阴阳角、平面与立面的转角处等细节部分先进行涂刮,厚度宜为2mm,并将卷材裁成相应形状附上。 (2)铺贴卷材 橡胶沥青作为改性沥青自粘卷材的胶黏剂,橡胶沥青每次刮涂宽度应比改性沥青防水卷材宽度稍宽,喷涂完成之后,立即进行对改性沥青防水卷材的粘贴,铺贴卷材从一头按住改性沥青防水卷材,均匀向前铺贴,刮平,赶出气泡,相邻卷材间搭接长度不得小于100mm。 (3)卷材搭边粘贴 铺贴卷材时,要注意卷材搭边处保持清洁,先将卷材粘结膜撕除进行粘结,一边排除空气一边压实。须保证搭接宽度不小于100mm。 (4)防水卷材密封收头:卷材收口用金属压条和钢钉固定,再用密封膏密封。卷材收口应高出室外地坪500mm。 6.3.2桩头防水施工工艺 1、施工工艺流程:基层处理→湿润基层→涂刷水泥基渗透结晶防水涂料灰浆层→止水环安装→养护→检查验收 2、施工程序及方法 (1)基层处理 1)清理剔凿合格后的桩头和桩身(垫层上部分),用钢钎铲除桩头松动的混凝土块及浮土,将桩头、桩身表面以及桩身周围500mm范围内的混凝土垫层用钢丝刷刷成粗糙毛面并清扫干净,最后用清水和墩布冲洗干净。 2)桩头及桩身若有超过0.4mm的裂缝,均凿成“U型槽,槽宽20mm,深20mm,用清水清洗干净,但不得有明水,在槽内和沿槽口的两面延伸150mm涂刷道水泥基渗透结晶防水涂料灰浆,待灰浆层干燥约10分钟,但仍有粘着性的时候,用水泥基渗透结晶防水涂料半干料团填平压实凹槽;填平层初凝后再涂刷一层水泥基渗透结晶防水涂料灰浆层;灰浆在半干时开始用雾状水喷洒养护72小时,每天喷洒水4-6遍。水泥基渗透结晶防水涂料半干料团配比为干粉:水=6:1(体积比)。 3)防水灰浆涂刷前,要求基层湿润,但表面不得有明水。 (2)灰浆的调制 水泥基渗透结晶防水涂料灰浆配合比为干粉:水=5:2.5,调制方法为将粉料与水倒入容器内,搅拌试件3~5min,必须充分搅拌均匀,一次搅拌不宜过多,以20min内用完为宜。使用过程中不得另行加水加料。 (3)涂刷方法及要求 1)涂刷范围:垫层以上桩头、桩身及距桩身500mm范围内的基础底板垫层。 2)涂刷遍数:防水涂料涂刷三遍成活水泥基渗透结晶防水涂料用量1.2~1.5kg/m,每遍涂刷的方向应相互垂直。 3)涂刷要求:涂刷时应来回往返用力揉涂,确保凹凸处都能涂刷均匀,坑洞沟槽等处要用力涂刷开,不得有积浆,否则积浆处易开裂。下一遍涂刷应在上一遍涂层终凝后,但仍为潮湿状态时进行,中间间隔不得超过24h。 4)涂料防水层厚度不得小于0.8mm (4)止水环安装 桩头钢筋处止水环安装,桩头钢筋处是主要渗水通道,为防止钢筋根部渗水,必须安装遇水膨胀止水环.以防止钢筋根部渗水进入底板。 (5)养护 水泥基渗透结晶防水涂料涂刷完毕后,必须用净水精心养护,在涂层呈半干状态时,即使用雾状水养护,要避免用水冲刷。养护期间始终保持表面湿润状态,尤其天热时要排专人负责养护多喷水,连续养护72h后交付验。 四、 施工要点 表6.4.1 防水层施工要点 序号 工序名称 施工要点 1 基层清理 除去基层表面的浮灰和其他突出的杂物,修补抹平蜂窝、孔洞等缺陷,使基层表面达到坚实、平整和充分干燥的要求。 阴阳角部位均要做出直径为150mm的圆弧形。 2 附加层施工 对阴阳角等细部节点处人工刮涂非固化沥青防水涂料做加强处理,并铺贴一道500mm宽防水卷材,用防水卷材在两面转角、三面阴阳角等部位进行增强处理,平立面平均展开,展开后平立面各外出中线300mm。 3 铺贴改性沥青防水卷材 为了更好的保证防水质量,使卷材和涂料更好的相容,待涂料层施工完成后立即进行卷材的铺贴,按照铺贴卷材的基准线弹好,按此基准线进行卷材与涂料层的热粘接法复合。铺贴后卷材应平整、顺直,搭接尺寸正确,不得扭曲,且同层相邻两幅卷材的短向搭接缝应错开不小于1/3卷材幅宽。 4 搭接缝处理 强力交叉膜高分子自粘卷材的搭接采用自粘接法处理,揭掉搭接边表面隔离膜,并用压辊压实,对卷材端口进行密封。 5 检查验收 涂料喷涂过程中质检员进行旁站,对喷涂的厚度,喷涂的均匀性进行监督检查。并督促及时施做卷材层,卷材铺贴时边铺边检查,检查时用螺丝刀检查接口发现搭接缝不实之处及时修补。特别要注意平立面交接处、转角处、阴阳角部位的涂料和卷材的节点做法是否正确。 专业队伍施工完成后进行自检,自检合格后报总包验收,验收通过以后邀请监理进行现场验收,验收合格后方可进行下道工序施工。 6 成品保护 涂料防水层喷涂后立即进行卷材铺贴,且勿停留时间过长,卷材铺贴完毕经验收合格后,及时进行防水保护层施工予以保护。 五、 细部节点 细部节点(阴阳角及其立面与水平面的转角处、施工缝、变形缝、后浇带、穿墙管道根、预留通道口以及凸出水平面的相关细部以及防水层的部位主要是搭接缝(俗称接缝口)和卷材末端收头)是防水工程的薄弱环节,必须有针对性的进行合理、安全、科学的设计并要求高质量的施工操作,才能保证地下室防水系统的整体性及密闭不透水性。因此,细部节点附加层防水完成并经检查质量合格后,方可进行主体防水层施工。 6.5.1 底板与外墙交接处 平立面交接处、转折处附加与大面施工同等规格的防水涂料和防水卷材,宽度为500mm。地下室甩槎、接茬做法示意图见图6.5.1-1。 图6.5.1-1 地下室底板与外墙交界处节点图 6.5.2 外墙防水收头节点处理 外墙顶部防水卷材在主体外墙上返收口节点参照10J301做法,详图如下: 图6.5.2-1 外墙防水收头构造图 6.5.3 防水卷材细部节点 阴角附加层卷材搭接 阴阳角防水做法 集水坑防水做法 卷材搭接做法 6.5.4 施工缝防水节点大样 图6.5.4-1 底板、顶板、外墙施工缝防水构造图 6.5.5 群管穿墙防水节点大样 根据图纸做法要求,群管穿墙防水做法参照10J301,详见下图: 图6.5.4-1 群管穿墙防水构造图 6.5.6 止水螺杆节点大样 图6.5.6-1 止水螺杆节点大样图 6.5.7 卷材在散水处节点大样 图6.5.7-1 卷材在散水处收头构造图 6.5.8 止水钢板节点做法 1、止水钢板安装采用钢筋固定。在结构钢筋上焊接钢板支撑架,支撑架采用φ12钢筋切割后焊接,(如有剩余短钢筋,则优先考虑短钢筋)一般焊成三角形,支撑架底板和顶板按500的间距进行布置,边墙竖向施工缝跟边墙分布筋等间距布置,支撑架跟主筋焊接,钢板跟支撑架焊接,边墙水平施工缝钢板先在钢板的地步焊一根支撑钢筋,然后再用支撑架进行定位。焊接所有焊条的规格及材料性能应符合设计要求。 2、钢板中心线与施工缝重合,安装于1/2板(墙)厚,并且先浇混凝土和后浇混凝土各一半,保证钢板的水平度和垂直度。 3、钢板止水带燕尾朝向要求为:底板燕尾朝下,侧墙水平施工缝朝迎水侧,侧墙竖向施工缝朝迎水侧。 4、钢板搭接不小于5cm,贴合边焊接,钢板交叉部位采用贴合四边满焊,钢板焊缝严密,如发现焊缝不合格或有渗漏现象,应予修整或补焊。 5、阴阳角处采用成品直角钢板连接满焊或者料场定型化加工。 6、止水钢板穿过箍筋时,箍筋在止水钢板处打断,弯折10d与止水钢板焊接。 5、钢板安装结束,首先进行自检,后由质检员会同监理一同进行验收,经验收合格后才能进行下一道工序的施工。 止水钢板穿过箍筋做法 止水钢板钢筋固定做法 止水钢板穿过箍筋处2 止水钢板焊接现场施工效果图 6.5.9 桩头防水节点做法 桩头防水按照图集10J301做法说明进行施工: 图6.5.9-1 桩头防水大样图 第七 章 进度管理计划 一、 确定施工进度控制点 序号 防水部位 开始时间 结束时间 工期 1 地下室底板 5 2 地下室外墙 5 二、 施工进度管理 7.2.2 施工进度管理职责分工 序号 岗位名称 姓名 职责和权限 1 项目执行经理 1、明确地下防水工程的合同工期目标并进行分解,并将工期管理的责任落实到人;每周组织召开一次生产例会,对失控的计划要及时进行调整,采取有效的措施组织施工,并做好记录。 2、协调好业主、监理、设计、市政、环境等与项目相关各方面的关系。 3、负责施工所需人、财、物的组织管理与控制。 4、负责地下室防水分包的进度、质量、安全、文明等综合协调。 2 项目总工 1、负责编制地下防水工程施工进度计划、主要控制点计划、资源配置计划。 2、协助项目经理工作,分管深化设计部、技术管理部,负责地下防水工程的深化设计和技术工作。 3、审核地下防水工程分包商的施工方案,并解决地下防水工程分包商之间的技术问题。 4、及时组织技术人员解决工程施工中出现的技术问题。 3 工程部 1、编制周进度计划及配套的资源配置计划,对地下防水工程的施工进度情况加以控制。 2、编制《每周情况报告表》,对每周的施工进度情况进行总结分析。 3、负责施工现场的管理及工序管理,编制《项目每日情况报告表》,对每天的施工进度情况加以控制。 4 商务部 1、负责地下防水工程的预决算。 2、负责地下防水工程的合同管理、商务洽谈等工作。 3、负责项目与财务有关的统计工作。 5 安全部 1、负责每周的全员安全生产例会,定期和不定期组织安全生产和文明施工的检查,加强安全监督管理、消除施工现场安全隐患。 2、负责地下防水工程安全目标的分解落实和安全生产责任制的考核评比。 3、负责地下防水工程安全应急预案编制,进行安全应急演练,保证项目施工生产正常进行。 4、负责对地下防水工程分包单位的安全监督和管理工作,督促地下防水工程分包单位作好安全防护工作,消除施工过程中的安全隐患,确保安全生产。 6 质量部 1、负责编制地下防水工程质量计划并监督计划实施,对地下防水工程质量目标进行分解落实,加强过程控制和日常管理,保证项目质量保证体系有效运行。 2、对地下防水工程分包单位的质量检查和监督,确保地下防水工程分包单位的质量符合规范要求。 3、负责地下防水工程质量创优和评奖的策划、组织、资料准备和日常管理等工作。 7 物资工程师 1、负责地下防水工程物资(水泥)的采购和供应工作 2、负责要求地下防水工程分包单位及时报送材料采购计划、材料报审资料,及时采购和进场工程所需的各种材料,并对材料进行检验,保证质量。 8 地下室防水施工单位 对地下防水工程分包队伍施工进度负全责,执行并落实总包单位提出的各项质量管理规定和管理要求。 三、 进度管理措施 序号 措施类别 措施内容 责任人 1 组织措施 1、建立例会制度,每周一次工程例会,检查进度偏差、总结安全生产情况;每日班前会,强调安全生产、质量控制落实情况,保证计划的层层落实,协调解决影响质量、安全及进度的问题。 2、制定强制性的安全检查和维护保养制度,规定每周必须定期进行设备维护保养及安全检查工作。 3、根据工程进度情况合理调整工作时间,每日可按14小时考虑,实行“两班倒”制度。为充分发挥现场施工人员的劳动积极性,可定期开展劳动竞赛,对完成工作好的予以表扬和奖励,对完成差的予以批评和处罚。 2 经济措施 合同规定工期,严格按照合同执行。 3 技术保证措施 1、方案编制和图纸会审时做好工序穿插,解决影响施工进度的不利方案。 2、及时组织技术人员解决工程施工中出现的技术问题。 第八 章 质量管理计划 一、 质量 控制 目标分解 序号 分项工程名称 检查项目 合格率 1 地下防水工程 主控项目 100% 一般项...
数据中心二期地下防水施工投标方案.docx
下载提示

1.本文档仅提供部分内容试读;

2.支付并下载文件,享受无限制查看;

3.本网站所提供的标准文本仅供个人学习、研究之用,未经授权,严禁复制、发行、汇编、翻译或网络传播等,侵权必究;

4.左侧添加客服微信获取帮助;

5.本文为word版本,可以直接复制编辑使用。


这个人很懒,什么都没留下
未认证用户 查看用户
该文档于 上传
×
精品标书制作
百人专家团队
擅长领域:
工程标 服务标 采购标
16852
已服务主
2892
中标量
1765
平台标师
扫码添加客服
客服二维码
咨询热线:192 3288 5147
公众号
微信客服
客服