文库 工程类投标方案 防水工程

拆迁安置房工程防水工程施工投标方案.docx

DOCX   111页   下载782   2026-01-13   浏览3   收藏85   点赞796   评分-   37911字   15.00
温馨提示:当前文档最多只能预览 15 页,若文档总页数超出了 15 页,请下载原文档以浏览全部内容。
拆迁安置房工程防水工程施工投标方案.docx 第1页
拆迁安置房工程防水工程施工投标方案.docx 第2页
拆迁安置房工程防水工程施工投标方案.docx 第3页
拆迁安置房工程防水工程施工投标方案.docx 第4页
拆迁安置房工程防水工程施工投标方案.docx 第5页
拆迁安置房工程防水工程施工投标方案.docx 第6页
拆迁安置房工程防水工程施工投标方案.docx 第7页
拆迁安置房工程防水工程施工投标方案.docx 第8页
拆迁安置房工程防水工程施工投标方案.docx 第9页
拆迁安置房工程防水工程施工投标方案.docx 第10页
拆迁安置房工程防水工程施工投标方案.docx 第11页
拆迁安置房工程防水工程施工投标方案.docx 第12页
拆迁安置房工程防水工程施工投标方案.docx 第13页
拆迁安置房工程防水工程施工投标方案.docx 第14页
拆迁安置房工程防水工程施工投标方案.docx 第15页
剩余96页未读, 下载浏览全部
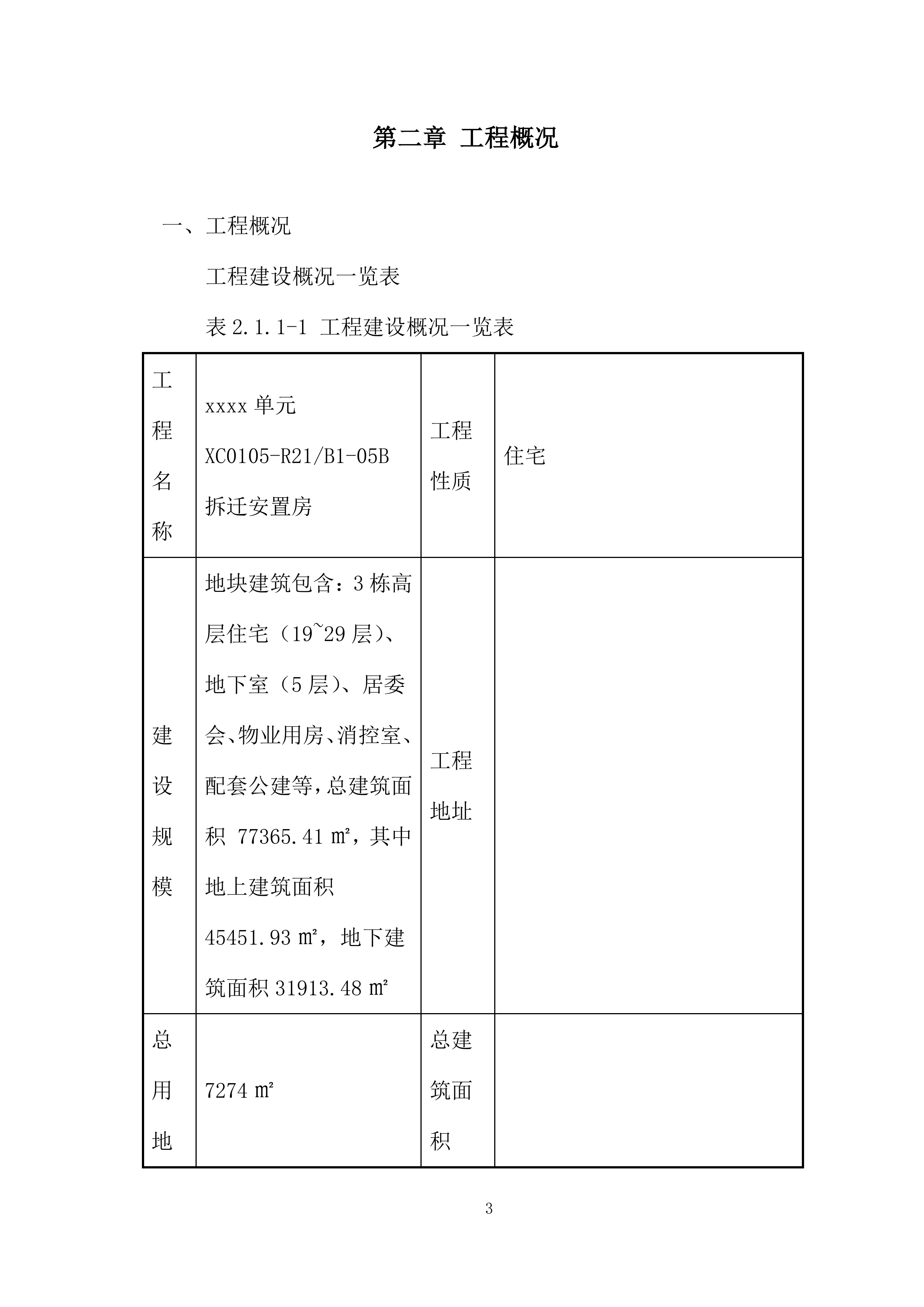
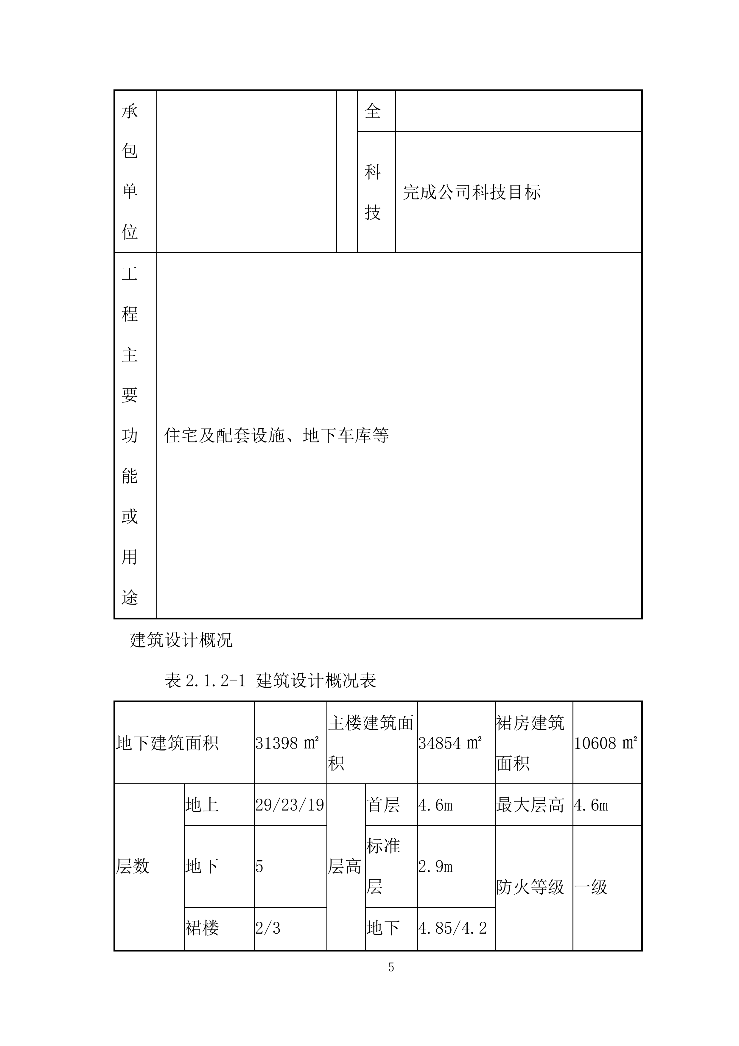
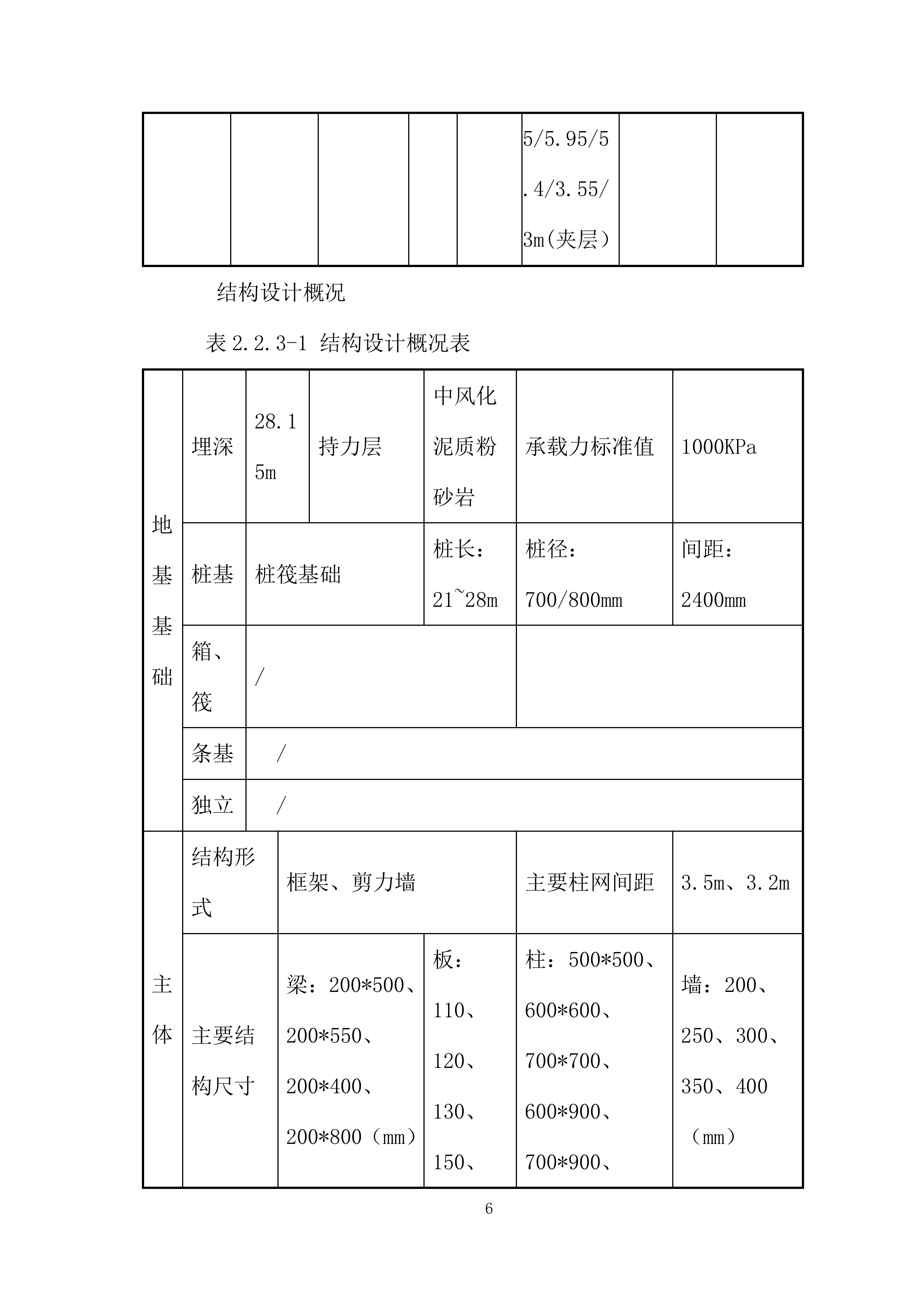
拆迁安置房工程防水工程施工 投标 方案 目 录 第一 章 编制依据 1 第二章 工程概况 3 一、 工程概况 3 二、 防水设计概况 8 三、 屋面防水设计 15 第三章 施工安排 19 一、 项目管理组织 19 二、 项目管理目标 20 三、 各项资源供应方式 21 四、 施工流水段的划分及施工工艺流程 22 第四章 施工进度计划 25 第五章 施工准备与资源配置计划 26 一、 施工准备计划 26 二、 资源配置计划 28 三、 工程用原材料需要量计划 29 四、 施工机具配置计划 30 五、 测量设备配置计划 30 第六章 施工方法及工艺要求 32 第七章 各项管理计划 49 一、 绿色施工管理计划 49 二、 进度管理计划 69 三、 质量管理计划 78 四、 安全管理计划 87 五、 成品保护计划 98 第八章 应急预案 100 一、 事故类型和危害程度分析 100 二、 组织机构及职责分工 100 三、 应急处置 101 四、 应急救援的培训 103 第九章 疫情防控 105 一、 现场疫情防控管理措施 105 二、 生活区和办公区的疫情防控管理措施 106 三、 新型冠状病毒肺炎知识的宣传教育 106 四、 疫情防控的检查与报告 107 五、 疫情防控具体方法 107 第一 章 编制依据 序号 类别 文件名称 编号 1 国家行业规范 《建筑工程施工质量验收统一标准》 2 《混凝土结构工程施工规范》 3 《屋面工程技术规范》 4 《地下工程防水技术规范》 5 《地下防水工程质量验收规范》 6 《聚氨酯防水涂料》 7 《建筑屋面雨水排水系统技术规程》 8 《建筑地基处理技术规范》 9 《建筑工程施工质量评价标准》 10 《地下工程渗漏治理技术规程》 11 《建筑施工安全检查标准》 12 《弹性体改性沥青防水卷材》 13 《住宅室内防水工程技术规范》 14 《种植屋面工程技术规程》 15 《种植屋面用耐根穿刺防水卷材》 16 《自粘聚合物改性沥青防水卷材》 17 《水泥基渗透结晶型防水材料》 18 设计文件 xxxx 单元 xx 拆迁安置房工程设计图纸 19 xxxx 单元 xx 拆迁安置房工程施工组织设计 20 相关图集 地下建筑防水构造图集 21 平屋面建筑构造 22 企业技术标准 《技术质量手册》 23 《工程实体质量通病防治书册》 24 《质量亮点做法图集》 25 《房屋建筑工程实体质量实测实量操作手册》 第二 章 工程概况 一、 工程概况 工程建设概况一览表 表2.1.1-1 工程建设概况一览表 工程名称 xxxx 单元XC0105-R21/B1-05B拆迁安置房 工程 性质 住宅 建设 规模 地块建筑包含:3栋高层住宅(19~29层)、地下室(5层)、居委会、物业用房、消控室、配套公建等,总建筑面积 77365.41㎡,其中地上建筑面积45451.93㎡,地下建筑面积31913.48㎡ 工程地址 总用地面 积 7274㎡ 总建筑面积 建设单位 项目承包范围 地基处理、桩基围护、土方开挖回填、主体结构、二次结构、装饰装修、屋面、防水、保温、外墙涂料及真石漆、设备基础、配套设施、给排水、电气、通风等。 设计单位 主要分包工程 消防工程、弱电工程、幕墙工程、绿化工程、室外市政工程等 勘察单位 合同要求 质量 确保“西湖杯”,争创“钱江杯” 监理单位 工期 绝对值工期 1200 天 总承包单 位 安全 xx 市标化工地 科技 完成公司科技目标 工程主要 功能或用 途 住宅及配套设施、地下车库等 建筑设计概况 表2.1.2-1 建筑设计概况表 地下建筑面积 31398㎡ 主楼建筑面积 34854㎡ 裙房建筑面积 10608㎡ 层数 地上 29/23/19 层高 首层 4.6m 最大层高 4.6m 地下 5 标准层 2.9m 防火等级 一级 裙楼 2/3 地下 4.85/4.25/5.95/5.4/3.55/3m(夹层) 结构设计概况 表2.2.3-1 结构设计概况表 地基 基础 埋深 28.15m 持力层 中风化泥质粉砂岩 承载力标准值 1000KPa 桩基 桩筏基础 桩长:21~28m 桩径:700/800mm 间距:2400mm 箱、筏 / 条基  / 独立  / 主体 结构形式 框架、剪力墙 主要柱网间距 3.5m、3.2m 主要结构尺寸 梁:200*500、200*550、200*400、200*800(mm) 板:110、120、130、150、160、170、180(mm) 柱:500*500、600*600、700*700、600*900、700*900、700*1100、850*1100、700*1050、700*1300(mm) 墙:200、250、300、350、400(mm) 结构安全等级 二级 结构抗震等级 本工程1#、2#楼为框架剪力墙结构,一层楼面~三层楼面之间,框架、剪力墙抗震等级为一级;三层楼面以上,框架、 剪力墙抗震等级为二级。3#楼为框架剪力墙结构,一层楼面~三层楼面之间,框架等级为二级,剪力墙抗震等级为一级;三层楼面以上,框架等级为三级,剪力墙抗震等级为二级。与塔楼设缝脱开的裙房为框架结构,抗震等级为二级。地下车库采用现浇钢筋混凝土框架结构,地下一层及夹层框架抗震等级为一级,地下二层框架抗震等级为二级,地下三层框架抗震等级为三级,地下四层及以下框架抗震等级为四级。楼面采用现浇钢筋混凝土肋梁结构。 人防等级 甲类、常六级 抗震设防烈度 7度 混凝土强度等级及抗渗要求 基础  C35P10 垫层C15(100mm) 墙体 C50、C45、C40、C35、C30 其它  / 梁  C35、C30 板 C35、C30 柱  C60、C55、C50、C45、C40、C35、C30 楼梯  C35、C30 钢筋 类别:箍筋HPB300、主筋HRB400 预应力筋 部位: / 规格:/ 特殊结构 (钢结构、网架)/ 其它需说明的事项:/ 二、 防水设计概况 地下室防水设计 1 地下室防水工程执行《地下工程防水技术规范》GB50108-2008 和地方有关规程和规定。地下室坑、槽、池和预埋件等的防水构造等均按标准图集《地下建筑防水构造》10J301 施工。 2 根据图纸设计设计,地下室防水设防等级为二级,种植顶板、变配电所防水等级为一级。本工程地下室底板采用湿铺自粘聚合物改性沥青防水卷材(无胎体)达到二级防水要求,地下室变电所底板、桩头、承台、基础梁、后浇带通过增加层1.5mm厚水泥基渗透结晶型防水涂料达到一级防水要求。地下室顶板为一级防水,采用结构防水混凝土自防水、1.5厚防水涂料及4厚APP耐根穿刺自粘防水卷材设防。地下室侧墙为二级防水,采用自粘聚合物改性沥青防水卷材(延伸至室外地坪上500高),地下室变电所通过增加一层1.5mm厚APP自粘防水卷材设防使防水等级达到一级,防水层外采用 50 厚挤塑聚苯板作为保护层。 3 本工程地下室防水砼应满足抗渗等级要求,还应满足抗压、抗冻、抗侵蚀性等耐久性要求,防水砼抗渗等级为 P6。 4 防水层施工完毕并检验合格后,尽快对地下工程外围进行回填,回填时应采用未冻结的净素土(不得掺有工程垃圾和块状土),回填时分层夯实和碾压,以免破坏防水层、保护层等。 5 凡钢筋混凝土水池、集水坑、雨水集水井、电梯扶梯底坑等积水房间内壁均需刷1.5厚JS防水涂料。 6 防水做法 表2.2.1-1 地下室构造做法 适用范围 工程做法 地下室顶板 (一级防水,由下而上) 1、覆土层 2、过滤层:聚酯无纺布滤水层(200g/㎡) 3、疏水层:100厚φ10mm~25mm碎石 4、C20细石混凝土保护层兼做找坡层,厚度最薄处≥70,最厚处≤150,内配φ6@200双向钢筋网,4X4分缝,缝宽20~30mm,缝填聚苯板,单组分聚氨酯密封胶嵌缝 5、隔离层:干铺一层土工布 6、耐根穿刺层 :4厚APP耐根穿刺自粘防水卷材一道 7、普通防水层:1.5厚聚氨酯防水涂料 8、找平层:20厚1:3水泥砂浆找平层一道(随捣随抹光) 9、钢筋混凝土顶板自防水(原浆收光) 地下室侧墙 (二级防水,由下而上,由内到外) 自粘聚合物改性沥青防水卷材(无胎体) 地下室变配电所防水等级提高一级 增加一层1.5mmAPP自粘防水卷材 1、素填土,分层夯实 2、50厚挤塑聚苯板保护层 3、自粘聚合物改性沥青防水卷材 4、刷界面剂一道 5、钢筋混凝土结构自防水,抗渗等级≥P6 地下室底板 自粘聚合物改性沥青防水卷材(无胎体) (二级防水,由下至上) 地下室变电所防水等级提高一级 增加一层1.5mm厚水泥基渗透结晶型防水涂料 1、平均100厚C30细石混凝土,随捣随抹光,内配φ6@200双向钢筋,根据现场局部找坡,每3~6m(与柱网尺寸协调)纵横设分仓缝,才用环氧地坪漆面层 2、三彩布一道隔离层 3、600厚碎石滤水层 4、钢筋混凝土结构自防水,抗渗等级≥P6 5、50厚C20细石混凝土保护层 6、隔离层:无纺布一道(200g/㎡) 7、4.0厚湿铺自粘聚合物改性沥青防水卷材( 配电房、桩头、承台、基础梁、后浇带增加一层1.5mm厚水泥基渗透结晶型防水涂料 ) 8、20厚1:3水泥砂浆找平层一道 9、150厚C15素砼垫层,原浆收光 10、素填土,分层夯实 地下室(防水材料均应采用不含焦油型)桩头防水采用水泥基渗透结晶型防水涂料(用量不应小于1.5kg/㎡,且厚度不应小于1.5mm,刷至桩外周边250mm) 涉水房间防水设计 本工程卫生间、厨房、设备平台、管道井、阳台、水泵房、垃圾房、水井等施工做法见下表: 房间 部位 防水做法 地下一二层水泵房等潮湿设备用房 细石混凝土楼面 1、硬化剂(耐磨、防尘)面层 2、20厚1:3干硬性水泥砂浆结合层,表面撒水泥粉 3、1.5厚JS防水涂料,遇墙翻起300高 4、最厚处80厚C20细石混凝土随捣随抹,1:2水泥砂浆压实抹光 刷水泥浆一道 5、现浇钢筋混凝土楼板,表面修补平整并清理干净 设备平台 细石混凝土楼面 1、30厚C20细石混凝土面层0.5%坡向地漏 2、1.2厚JS防水涂料,四周上翻250高,1.2厚JS防水涂料在阴阳角、管道井周围(倒圆角)局部加强 3、刷水泥浆一道 4、现浇钢筋混凝土楼板,表面修补平整并清理干净 住宅厨房 细石混凝土楼面 1、预留装饰面层 2、30厚C20细石混凝土随抹随平 3、JS防水涂料1.2厚,沿墙上翻300 4、刷水泥浆一道 5、现浇钢筋混凝土板,四周设置与墙体同厚的C20素砼,高200 配套公建公共楼梯 水泥砂浆楼面 1、预留20厚面层 2、30厚1:3干硬性水泥砂浆结合层,表面撒水泥粉 3、1.5厚JS防水涂料,遇墙翻起300高(仅卫生间有) 4、刷水泥浆一道(内掺建筑胶) 5、现浇钢筋混凝土楼板 住宅卫生间、阳台 水泥砂浆地面 1、预留装饰面层 2、20厚1:2.5水泥砂浆面撒素水泥 3、1.2厚JS防水涂料防水层,遇墙翻起300高,淋浴房上翻至墙顶 4、最薄处20厚C20细石混凝土找坡抹平(i=0.5%坡向地漏或排水沟),找坡层厚度大于40厚时需要内配φ6@150双向钢筋 5、刷水泥浆一道(内掺建筑胶) 6、现浇钢筋混凝土楼板随捣随光,闭水试验,四周设置与墙体同厚的C20混凝土导墙,高度高于室外完成面至少200 社区配套公建的卫生间 防滑地砖楼面 1、防滑地砖饰面,正背面及四周满涂防污剂 2、20厚1:3水泥砂浆面撒素水泥 3、1.5厚JS防水涂料防水层,遇墙翻起300高,淋浴房上翻至墙顶 4、最薄处20厚C20细石混凝土找坡抹平(i=0.5%坡向地漏或排水沟),找坡层厚度大于40厚时需要内配φ6@150双向钢筋 5、刷水泥浆一道(内掺建筑胶) 6、现浇钢筋混凝土楼板随捣随光,闭水试验,四周设置与墙体同厚的C20混凝土导墙,高度高于室外完成面至少200。 架空层 防滑地砖楼面 1、防滑仿石地砖饰面,正背面及四周满涂防污剂 2、30厚1:3干硬性水泥砂浆结合层,表面撒水泥粉,周边1m范围内向外找坡1% 3、50厚C20细石混凝土,内配φ6@200双向钢筋 4、1.5厚JS防水涂料,遇墙翻起300高 5、刷水泥浆一道(内掺建筑胶) 6、现浇钢筋混凝土楼板,表面修补平整并清理干净 三、 屋面防水设计 本工程屋面防水包括保温平屋面、不上人不保温屋面、管道井屋面、天沟屋面、种植屋面五种类型,防水 等级均为一级,设防做法为两道防水,防水层合理使用年限不得少于 20 年。具体防水要 求及做法见下表。 编号 分项工程名称 做法说明(由上到下) 1 保温平屋面 1、50厚C20细石混凝土(内配φ6@200双向钢筋网)设分仓缝3mX3m,钢筋断开,缝宽20mm,缝内填高分子密封膏 2、土工布隔离层(200~300g/㎡) 3、挤塑苯板 4、 3厚自粘聚合物改性沥青防水卷材 5、1.5厚聚氨酯防水涂料(非焦油型) ,遇墙上翻不少于400mm,地漏、管道周围2.0厚聚氨酯防水涂料(非焦油型)附加层,立面及水平面不少于250mm 6、最薄处30厚C20细石砼找坡找平层随捣随抹,坡度2% 7、刷水泥浆一道(内掺建筑胶) 8、现浇钢筋混凝土楼板随捣随抹,闭水检验 2 不上人不保温屋面 1、50厚C20细石混凝土(内配φ6@200双向钢筋网)设分仓缝3mX3m,钢筋断开,缝宽20mm,缝内填高分子密封膏 2、土工布隔离层(200~300g/㎡) 3、3厚自粘聚合物改性沥青防水卷材 4、1.5厚聚氨酯防水涂料(非焦油型),遇墙上翻不少于400mm,地漏、管道周围2.0厚聚氨酯防水涂料(非焦油型)附加层,立面及水平面不少于250mm 5、20厚1:3水泥砂浆找平层 6、最薄处30厚C20细石砼找坡找平层随捣随抹,坡度2% 7、刷水泥浆一道(内掺建筑胶) 8、现浇钢筋混凝土楼板随捣随抹,闭水检验 3 管道井屋面 1、1:2.5水泥砂浆找坡层,坡度1%,最薄处20厚 2、1.5厚JS防水涂料,高度至翻边顶,顶全涂刷,与墙面交接处刷至完成面250mm高 3、刷水泥浆一道 4、现浇钢筋混凝土屋面板随捣随抹,闭水检验 4 天沟屋面 1、20厚1:3水泥砂浆保护层 2、土工布隔离层(200~300g/㎡) 3、挤塑苯板 4、3厚自粘聚合物改性沥青防水卷材,遇墙上翻不少于400mm 5、1.5厚聚氨酯防水涂料(非焦油型),遇墙上翻不少于400mm,地漏、管道周围2.0厚聚氨酯防水涂料(非焦油型)附加层,立面及水平面不少于250mm 6、20厚1:3水泥砂浆找平层,坡度1% 7、刷水泥浆一道 8、现浇钢筋混凝土屋面板随捣随抹,闭水检验 5 种植屋面 1、种植层:1000厚轻质混合营养土 2、过滤层:聚氨酯无纺布滤水层,四周上翻100高,端部通长用粘结剂50高 3、疏水层:100厚φ10mm~25mm碎石 4、干铺一层土工布隔离层 5、50厚C20细石混凝土(内配φ6@200双向钢筋网)设分仓缝3mX3m,钢筋断开,缝宽20mm,缝内填高分子密封膏 6、土工布隔离层(200~300g/㎡) 7、75mm厚挤塑聚苯板(燃烧性能等级:B1)计算值60mm 8、4厚自粘聚合物改性沥青耐根穿刺防水卷材,遇墙上翻不少于400mm 9、1.5厚聚氨酯防水涂料(非焦油型),遇墙上翻不少于400mm,地漏、管道周围2.0厚聚氨酯防水涂料(非焦油型)附加层,立面及水平面不少于250mm 10、最薄处30厚C20细石砼找坡找平随捣随抹,坡度2% 11、刷水泥浆一道(内掺建筑胶) 12、现浇钢筋混凝土屋面板随捣随抹,闭水检验 第三 章 施工安排 一、 项目管理组织 3.1-1 管理人员及职责分工表 序号 管理职务 姓名 职称(资质) 职责和权限 1 项目经理 工程师 全面负责项目管理工作 2 项目总工 工程师 负责组织编制施工方案,施工现场施工中技术问题的解决及指导工作 3 生产经理 工程师 负责现场施工管理 4 商务经理 助理工程师 负责分包队伍招标工作 5 物资工程师 助理工程师 负责保证施工过程中的物资供应 6 安全工程师 助理工程师 负责施工过程中的安全管理工作,检查 监督安全隐患的整改落实 按照标准配备不少6个安全员 7 质量总监/质量工程师 助理工程师 负责防水施工过程中的质量控制工作,发现质量问题及时通知专业工程师进行整改 8 技术工程师 助理工程师 负责现场技术复核工作 9 专业工程师 助理工程师 负责现场具体施工内容的实施,落实现场负责区域的具体施工管理工作,对施工的质量、安全负直接责任 二、 项目管理目标 项目管理目标名称 目 标 值 工 期 项目施工总进度计划1200日历天,开始时间 xx 年11月11日,结束时间 xx 年2月23日 质量目标 确保“西湖杯”,争创“钱江杯”; 安全文明目标 xx 市安全文明施工标准化工地;责任事故死亡率为零,无重大工伤事故、火灾事故和恶性中毒事件;轻伤频率控制在1.5‰以内 绿色施工目标 达到局绿色施工工地要求 科技目标 完成公司科技指标 三、 各项资源供应方式 劳务资源安排一览表 劳务分包应根据现场实际进度需求提前招标,及时进场,需求人数按下表配备。 施工阶段 工种 人数 地下室防水施工 杂工 10人 防水工 20 人 保护层施工(泥工) 20人 机电安装工 20 人 屋面防水施工 找坡层、找平层施工 10 人 机电安装工 15 人 杂工 10 人 防水工 20 人 卫生间、厨房、阳台、设备平台、水池等涉水位置 找坡层、找平层施工 10 人 机电安装工 25 人 杂工 15 人 防水工 30 人 工程用大宗物资供应安排一览表 物资名称 数量 使用部位 要求进场时间 责任人 APP耐根穿刺自粘防水卷材 根据实际进度需求进场 地下室种植顶板和种植屋面 结合现场实际进度进场 JS防水涂料 根据实际进度需求进场 楼面 结合现场实际进度进场 水泥基渗透结晶型防水涂料 根据实际进度需求进场 桩头、承台、基础梁、后浇带、地下室变配电所等 结合现场实际进度进场 自粘聚合物改性沥青防水卷材 根据实际进度 需求进场 地下室底板、侧墙、屋面 结合现场实际进 度进场 聚氨酯防水涂料 根据实际进度需求进场 地下室顶板、屋面 结合现场实际进度进场 四、 施工流水段的划分及施工工艺流程 按照工程总工期的要求,结合底板土方开挖分区及垫层浇筑情况,进行防水工程施工。 本项目底板防水施工划分为7个施工区,分别为1区、2区、3区、4区、5区、6区、7区。 图3.4-1 底板混凝土施工流水分区 因项目北侧与恒隆广场项目连通,地下室外墙防水根据方向划分为东西南三个作业面同步施工。室内涉水房间防水根据装修进度同协同进行。屋面防水根据屋面施工协同进行,每个单体建筑划分为一个流水段,共6个流水段。 工程施工重点和难点分析及应对措施 序号 项目 重点和难点 应对措施 1 地下室底板 本工程地下水位高, 地下室水头压力大, 整个地下室底板及侧墙常年受到地下水的侵蚀,极易发生渗 漏,因此地下室底板后浇带、变形缝的防 渗漏为重中之重 1)防水工程采用专业分包的方式组织施工。专业施工队伍选择与我单位有长期合作经历的合格分包商,并征得监理业主的同 意 。 2)按照业主要求并经考察选择合格供应商,材料进场后与业主、监理共同见证取样,合格方可使用。 3)施工工人持证上岗,施工前进行细致的技术交底。 4)重要节点绘制详图,进行特殊处理。 5)施工中质检员全程跟踪检查,做好隐蔽验收和成品保护。 6)地下室防水施工时,严格遵守相关防水施工规范,从源头预防裂缝、松动、空鼓、起砂、凹坑等质量通病 7)原材料进场时组织物资,质量等相关部门验收,原材料供应商提供齐全的质量证明文件 8)回填土宜选用净素土:过湿需要晾晒或掺土、灰处理,过干可适当洒水 2 地下室穿管 穿墙管道、穿楼板管道的防水节点多,工艺复杂,是防水施工 管控的重点。 3 地下室预留孔洞 窗口、楼梯洞口、电梯洞口、出顶板结 构、沉降后浇带等需 要特殊处理,是防水施工管控的重点。 4 土方回填 回填土夯实,防止下沉。 第四章 施工进度计划 本项目计划开工日期: xx 年11月11日,计划竣工日期: xx 年02月23日,总工期1300日历天,防水作业穿插于底板施工、屋面施工、室内装修等,施工进度应匹配工程整体进度要求。 第五章 施工准备与资源配置计划 一、 施工准备计划 技术文件准备 技术文件准备计划一览表 序号 文件名称 文件编号 配备数量 持有人 1 《地下工程防水技术规范》 2 《地下防水工程质量验收规范》 3 《聚氨酯防水涂料》 4 《地下工程渗漏治理技术规程》 5 《建筑施工安全检查标准》 6 《弹性体改性沥青防水卷材》 7 《住宅室内防水工程技术规范》 8 《种植屋面工程技术规程》 9 《种植屋面用耐根穿刺防水卷材》 10 《自粘型聚合物改性沥青防水卷材》 11 《水泥基渗透结晶型防水材料》 技术复核计划 序号 技术复核、隐蔽验收部位 责任人 1 地下室底板砼结构 2 地下室底板防水 3 地下室外墙防水 4 顶板砼结构 5 顶板防水工程 6 屋面结构淋水/蓄水 7 屋面防水层 8 保护层 9 蓄水试验 检试验计划 序号 检验项目 单位 检验频率 责任人 1 水泥基渗透结晶型防水涂料 t 每 10t 为一批,不足 10t 按一批抽样 2 聚氨酯防水涂料 t 连续生产,同一配料工艺条件制得的同一类型产品 50t 为一批,不足 50t 亦按一批计。 3 自粘性聚合物改性沥青防水卷材 t 以同一类型、统一规格 10000 ㎡为一批,不足 10000 ㎡亦作为一批。 4 JS防水涂料 t 连续生产,同一配料工艺条件制得的同一类型产品 50t 为一批,不足 50t 亦按一批计。 5 APP耐根穿刺自粘防水卷材 ㎡ 以同一类型、统一规格 10000㎡为一批,不足 10000 ㎡亦作为一批。 二、 资源配置计划 劳动力配置计划 施工阶段 工种 人数 地下室防水施工 杂工 5 人 防水工 20 人 保护层施工(泥工) 10 人 机电安装工 10 人 屋面防水施工 找坡层、找平层施工 10 人 机电安装工 15 人 杂工 10 人 防水工 20 人 卫生间、厨房、阳台、设备平台、坡道、水池等涉水位置 找坡层、找平层施工 10 人 机电安装工 25 人 杂工 15 人 防水工 30 人 三、 工程用原材料需要量计划 物资名称 数量 备注 要求进场时间 责任人 APP耐根穿刺自粘防水卷材 根据实际进度需求进场 地下室种植顶板和种植屋面 结合现场实际进度进场 JS防水涂料 根据实际进度需求进场 楼面 结合现场实际进度进场 水泥基渗透结晶型防水涂料 根据实际进度需求进场 桩头、承台、基础梁、后浇带、地下室变配电所等 结合现场实际进度进场 自粘聚合物改性沥青防水卷材 根据实际进度 需求进场 地下室底板、侧墙、屋面 结合现场实际进 度进场 聚氨酯防水涂料 根据实际进度需求进场 地下室顶板、屋面 结合现场实际进度进场 四、 施工机具配置计划 序号 周转材料名称 规格型号 需用量 进场日期 1 手推车 / 10 辆 匹配进度 2 铁锹 / 10 把 匹配进度 3 铲刀 / 5 把 匹配进度 4 扫帚 / 10 把 匹配进度 5 卷尺 50 米 10 个 xx .12 6 压辊 / 10 根 匹配进度 7 长柄滚刷 φ60×250mm 15 把 匹配进度 8 平铲 / 5 把 匹配进度 9 钢丝刷 / 8 把 匹配进度 10 棕笤帚 / 5 把 匹配进度 11 铁...
拆迁安置房工程防水工程施工投标方案.docx
下载提示

1.本文档仅提供部分内容试读;

2.支付并下载文件,享受无限制查看;

3.本网站所提供的标准文本仅供个人学习、研究之用,未经授权,严禁复制、发行、汇编、翻译或网络传播等,侵权必究;

4.左侧添加客服微信获取帮助;

5.本文为word版本,可以直接复制编辑使用。


这个人很懒,什么都没留下
未认证用户 查看用户
该文档于 上传
×
精品标书制作
百人专家团队
擅长领域:
工程标 服务标 采购标
16852
已服务主
2892
中标量
1765
平台标师
扫码添加客服
客服二维码
咨询热线:192 3288 5147
公众号
微信客服
客服