文库 工程类投标方案 水利工程

追风堤坝项目投标方案.docx

DOCX   60页   下载213   2026-01-04   浏览4   收藏94   点赞712   评分-   24658字   10.00
温馨提示:当前文档最多只能预览 15 页,若文档总页数超出了 15 页,请下载原文档以浏览全部内容。
追风堤坝项目投标方案.docx 第1页
追风堤坝项目投标方案.docx 第2页
追风堤坝项目投标方案.docx 第3页
追风堤坝项目投标方案.docx 第4页
追风堤坝项目投标方案.docx 第5页
追风堤坝项目投标方案.docx 第6页
追风堤坝项目投标方案.docx 第7页
追风堤坝项目投标方案.docx 第8页
追风堤坝项目投标方案.docx 第9页
追风堤坝项目投标方案.docx 第10页
追风堤坝项目投标方案.docx 第11页
追风堤坝项目投标方案.docx 第12页
追风堤坝项目投标方案.docx 第13页
追风堤坝项目投标方案.docx 第14页
追风堤坝项目投标方案.docx 第15页
剩余45页未读, 下载浏览全部
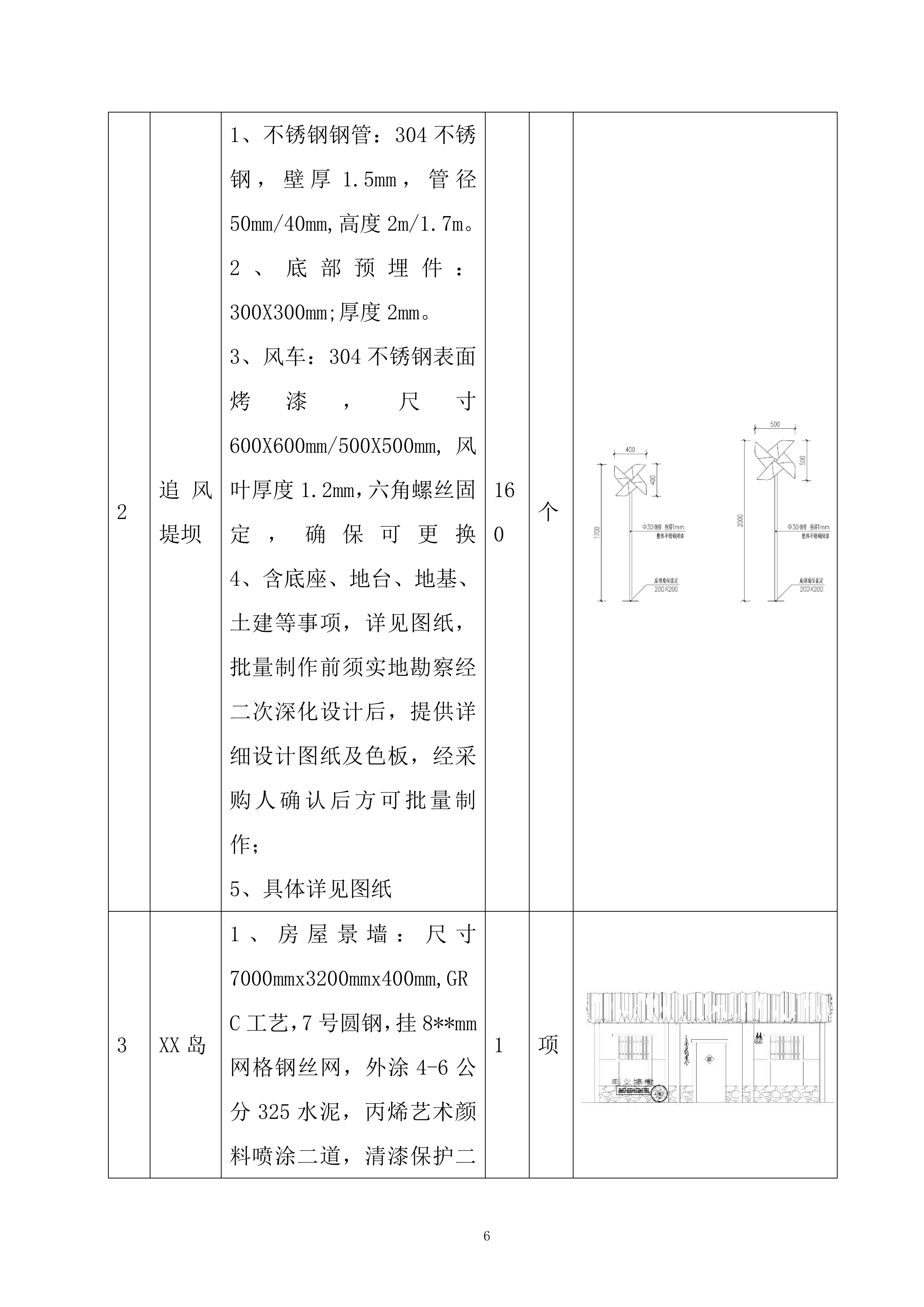
追风堤坝项目 投标方案 目录 第一章 其他技术参数 4 第二章 产品制造工艺 10 第一节 欢乐草坪文字产品制造工艺 11 一、 产品制造工艺 11 二、 质量控制方案 13 三、 工艺管理方案 14 第二节 追风堤坝制作工艺 16 一、 项目概述 16 二、 制作工艺方案 16 三、 质量控制方案 18 四、 工艺管理方案 19 第三节 XX 岛制作工艺 22 一、 项目概述 22 二、 制作工艺方案 22 三、 质量控制方案 25 四、 工艺管理方案 26 第四节 钓鱼台制作工艺 31 一、 引言 31 二、 制作工艺 31 三、 质量控制 34 四、 工艺管理 34 五、 结语 35 第三章 供货、安装实施方案 37 第一节 供货、安装实施方案 37 一、 项目概述 37 二、 供货实施方案 37 三、 安装实施方案 39 四、 售后服务 42 第四章 产品运输防护方案 43 一、 运输车辆选择 43 二、 产品包装 43 三、 防雨措施 44 四、 上卸车措施 45 第五章 安全文明施工方案 46 第一节 产品安装安全文明施工方案 46 一、 工程概况 46 二、 安全管理目标与组织架构 46 三、 安全施工措施 47 四、 文明施工措施 48 五、 应急管理措施 49 六、 附则 50 第六章 产品质量保障措施 51 一、 引言 51 二、 实施过程的全面质量管理 51 三、 加强产品检验制度和措施 52 四、 质量检查与监督 54 五、 产品进场管理 54 六、 产品质量保证管理措施 55 七、 结语 56 第七章 售后服务方案 57 一、 服务目标 57 二、 保修范围 57 三、 维修响应时间 57 四、 维修服务流程 58 五、 客户服务渠道 59 六、 服务质量保障措施 59 其他技术参数 我司完全响应采购需求一览表内容: 序号 名称 技术参数和规格型号 数量 单位 备注 1 欢乐草坪文字 1、激光切割:不锈面板切割出字形正面,边缘精度±0.2m。 2、围 边:切割侧边条高度250mm,按字厚定。 3、折弯卷圆:围边用折弯机折角(R角≥3mm),圆弧部分用卷板机成型。(复杂曲面需分段焊接) 4、焊接组装:满焊成型:氩弧焊填满接缝,焊后处理:打磨焊缝至平整,酸洗膏去除焊斑。 5、 表面处理工艺:表面粗糙度Ra0.4-0.8μm。 6、防指纹处理:喷涂纳米涂层。 7、镜面抛光: 粗抛(600#砂轮)→ 精抛(3000#羊毛轮+钻石研磨膏)。 表面粗糙度Ra≤0.1μm,需贴保护膜防刮花。 8、烤 漆:焊接成型后烘烤加固(200℃×2小时) 9、整体结构: 不锈钢正反面焊接烤漆(内部用100mmX100mm不锈钢方管焊支撑架,下端留1000mm长腿+固定钢板) 10、含底座、地台、地基、土建等事项,详见图纸,批量制作前须实地勘察经二次深化设计后,提供详细设计图纸及色板,经采购人确认后方可批量制作; 11、尺寸:单个字体1500X1500MM/1200x900mm. 12、具体详见图纸 1 项 2 追风堤坝 1、不锈钢钢管:304不锈钢,壁厚1.5mm,管径50mm/40mm,高度2m/1.7m。 2、底部预埋件:300X300mm;厚度2mm。 3、风车:304不锈钢表面烤漆,尺寸600X600mm/500X500mm,风叶厚度1.2mm,六角螺丝固定,确保可更换 4、含底座、地台、地基、土建等事项,详见图纸,批量制作前须实地勘察经二次深化设计后,提供详细设计图纸及色板,经采购人确认后方可批量制作; 5、具体详见图纸 160 个 3 XX 岛 1、房屋景墙:尺寸7000mmx3200mmx400mm,GRC工艺,7号圆钢,挂8**mm网格钢丝网,外涂4-6公分325水泥,丙烯艺术颜料喷涂二道,清漆保护二道,顶部铺仿真茅草。 2、人物:数量2个,高度1650mm/1800mm,GRC工艺,7号圆钢,挂8**mm网格钢丝网,外涂4-6公分325水泥,丙烯艺术颜料喷涂二道,清漆保护二道。 3、茶桌树凳:茶桌尺寸900mmX700mmX700mm,树凳尺寸高500mm,直径400mm,GRC工艺,7号圆钢,挂8**mm网格钢丝网,外涂4-6公分325水泥,丙烯艺术颜料喷涂二道,清漆保护二道。 4、板车茅草:板车数量1个,尺寸2400mmx670mmx940mm,茅草堆尺寸1600mmx2000mm,GRC工艺,7号圆钢,挂8mm网格钢丝网,外涂4-6公分325水泥,丙烯艺术颜料喷涂二道,清漆保护二道,表面铺仿真茅草。 5、含底座、地台、地基、土建等事项,详见图纸,批量制作前须实地勘察经二次深化设计后,提供详细设计图纸及色板,经采购人确认后方可制作; 详见图纸 6、具体详见图纸 1 项 4 钓鱼台 人物:数量2个,姜太公高度1750mm,哪吒长度1700mm,GRC工艺,7号圆钢,挂4mm镀锌网格钢丝网,外涂4-6公分325水泥,丙烯艺术颜料喷涂二道,清漆保护二道。 2、解说牌,尺寸500x250mmx600mm,GRC工艺,7号圆钢,挂4mm镀锌网格钢丝网,外涂4-6公分325水泥,丙烯艺术颜料喷涂二道,清漆保护二道。 3、含底座、地台、地基、土建等事项,详见图纸,批量制作前须实地勘察经二次深化设计后,提供详细设计图纸及色板,经采购人确认后方可制作; 4、具体详见图纸 1 项 产品制造工艺 在科技与工业深度融合的时代浪潮中,产品制造工艺已成为推动产业升级、塑造企业核心竞争力的关键力量。从纳米级芯片的精密蚀刻,到万吨级船舶的模块化建造,每一次工艺突破都在重新定义产品的品质与效能边界。它不仅是材料科学、机械工程与数字技术的结晶,更承载着人类对效率、精度与可持续发展的不懈追求。深入探究产品制造工艺的演进逻辑与创新路径,不仅能解码工业文明的基因密码,更为探索未来生产模式提供重要启示。 欢乐草坪文字产品制造工艺 产品制造工艺 (一)激光切割 采用激光切割技术对不锈面板进行加工,精准切割出字形正面。通过高精度的激光设备与先进的切割程序控制,确保切割边缘精度达到 ±0.2mm,为后续加工奠定良好基础。 (二)围边制作 依据字厚确定侧边条高度为 250mm,使用切割设备将侧边条切割成型。在切割过程中,严格把控尺寸精度,保证侧边条与字形正面能够完美配合。 (三)折弯卷圆 折角处理:使用折弯机对围边进行折角操作,控制 R 角≥3mm,确保折角处过渡自然,无尖锐边角,既保证美观,又提升产品安全性。 圆弧成型:对于圆弧部分,采用卷板机进行成型加工。针对复杂曲面,采用分段焊接的方式,确保曲面形状符合设计要求,保证整体结构的稳定性。 (四)焊接组装 满焊成型:采用氩弧焊工艺对各部件进行满焊,将接缝完全填满,保证焊接强度,使产品具备良好的结构稳定性。 焊后处理 打磨焊缝:使用专业打磨工具对焊缝进行打磨,使其达到平整状态,消除焊缝凸起对产品外观的影响。 去除焊斑:使用酸洗膏对焊斑进行处理,彻底清除焊斑,恢复不锈钢表面的光洁度。 (五)表面处理工艺 严格控制表面粗糙度在 Ra0.4 - 0.8μm 范围内,通过精细的打磨、抛光等工艺,使产品表面达到理想的光洁度与平整度,提升产品质感。 (六)防指纹处理 在表面处理完成后,喷涂纳米涂层进行防指纹处理。该纳米涂层能够有效防止指纹残留,保持产品表面的清洁美观,同时具备一定的耐磨、防污性能。 (七)镜面抛光 粗抛:使用 600# 砂轮进行粗抛,初步去除表面的瑕疵与不平整,为精抛做好准备。 精抛:采用 3000# 羊毛轮配合钻石研磨膏进行精抛,将表面粗糙度降低至 Ra≤0.1μm,使产品表面呈现出镜面效果。精抛完成后,及时贴上保护膜,防止表面被刮花。 (八)烤漆 将焊接成型的产品进行烤漆处理,在 200℃的温度下烘烤 2 小时,使烤漆牢固附着在产品表面,不仅提升产品的美观度,还增强了产品的耐腐蚀性与耐磨性。 (九)整体结构 不锈钢正反面进行焊接烤漆处理,在内部使用 100mmX100mm 不锈钢方管焊接支撑架,增强产品的整体强度与稳定性。 产品下端预留 1000mm 长腿,并焊接固定钢板,便于产品的安装与固定。对于含底座、地台、地基、土建等事项,严格按照图纸要求执行。在批量制作前,必须进行实地勘察,经过二次深化设计后,提供详细设计图纸及色板,经采购人确认后方可进行批量制作。 质量控制方案 (一)原材料质量控制 采购标准:制定严格的不锈钢板材采购标准,对板材的材质、厚度、表面质量等指标进行明确规定,确保采购的原材料符合产品质量要求。 检验流程:原材料到货后,由专业质检人员进行检验,包括外观检查、尺寸测量、材质检测等,检验合格后方可入库使用;对于不合格的原材料,及时退回供应商。 (二)过程质量控制 工序检验:在每道工序完成后,设置专职检验人员对产品进行检验。例如,激光切割完成后,检查切割边缘精度;焊接完成后,检查焊接质量、焊缝平整度等,确保每道工序的质量符合要求。 关键控制点:对激光切割精度、焊接强度、表面粗糙度、镜面抛光效果等关键质量控制点进行重点监控,建立质量控制记录,及时发现并解决质量问题。 (三)成品质量检验 全检与抽检:对成品进行全检,检查产品的外观、尺寸、结构强度等指标是否符合要求。同时,按照一定比例进行抽检,进行更深入的性能检测,如耐腐蚀性测试、耐磨性测试等。 不合格品处理:对于检验不合格的产品,进行隔离标识,并分析原因,采取返工、返修或报废等处理措施,确保出厂产品 100% 合格。 工艺管理方案 (一)工艺文件管理 制定详细的工艺文件,包括工艺流程图、操作规程、质量控制标准等,确保生产人员能够清晰了解生产工艺与质量要求。 对工艺文件进行版本管理,及时更新工艺文件,保证生产过程使用的是最新、最准确的工艺文件。 (二)人员培训与管理 技能培训:定期组织生产人员进行技能培训,包括激光切割操作、焊接技术、抛光工艺等,提高生产人员的操作技能与质量意识。 考核机制:建立生产人员考核机制,对生产人员的技能水平、工作质量进行考核,考核结果与绩效挂钩,激励生产人员提高工作质量与效率。 (三)设备管理 日常维护:制定设备日常维护计划,定期对激光切割机、折弯机、卷板机、氩弧焊机等设备进行维护保养,确保设备处于良好运行状态。 定期检修:定期对设备进行全面检修,及时发现并解决设备潜在问题,防止设备故障影响生产进度与产品质量。 (四)生产现场管理 5S 管理:推行 5S 管理,对生产现场的整理、整顿、清扫、清洁、素养进行规范管理,保持生产现场的整洁有序,提高生产效率与产品质量。 质量追溯:建立产品质量追溯体系,对每个产品的生产过程、原材料使用、操作人员等信息进行记录,以便在出现质量问题时能够快速追溯原因,采取有效的改进措施。 这份方案涵盖了生产全流程。你可以说说对方案的看法,比如是否要补充特定环节细节,我会进一步优化。 追风堤坝制作工艺 项目概述 本追风堤坝项目主要构件包含 304 不锈钢钢管、底部预埋件及不锈钢烤漆风车,同时涉及底座、地台、地基等土建工程。在批量制作前,需依据实地勘察结果进行二次深化设计,提供详细设计图纸及色板,经采购人确认后实施,以确保追风堤坝满足使用需求及美观要求。 制作工艺方案 (一)不锈钢钢管加工工艺 材料准备:严格采购符合国家标准的 304 不锈钢管材,管径分别为 50mm 和 40mm,壁厚 1.5mm,高度为 2m 和 1.7m。管材进场时,核对质量证明文件,进行外观检查,确保表面无裂纹、划伤、凹坑等缺陷。 切割加工:使用高精度数控切割机,根据设计尺寸对不锈钢钢管进行切割。切割时,保证切口平整、垂直,误差控制在 ±1mm 以内。对于切割后的管口,采用打磨机进行去毛刺和倒圆角处理,防止划伤人员和影响后续焊接质量。 焊接工艺:采用氩弧焊焊接方式,焊接前对焊接部位进行清洁,去除油污、锈迹等杂质。焊接时,控制焊接电流、电压和焊接速度,确保焊缝均匀、饱满,无气孔、夹渣、裂纹等缺陷。焊缝高度不低于管材壁厚,焊接后对焊缝进行打磨抛光处理,使其表面与管材表面平齐,达到美观效果。 (二)底部预埋件制作工艺 材料选择:选用厚度为 2mm 的钢板,按照 300X300mm 的尺寸进行下料。钢板材质需符合相关国家标准,具有良好的强度和耐腐蚀性。 加工制作:使用剪板机对钢板进行裁剪,保证尺寸精度。裁剪后的钢板进行折边处理,折边角度为 90°,折边宽度符合设计要求。在预埋件上钻孔,用于安装固定螺栓,钻孔位置和孔径需准确,误差控制在 ±0.5mm 以内。 (三)风车制作工艺 板材加工:采用 304 不锈钢板材,厚度 1.2mm,根据风车尺寸 600X600mm 和 500X500mm 进行下料。使用数控冲压机对板材进行冲压成型,制作风叶形状。冲压过程中,控制模具精度,确保风叶尺寸准确,形状一致。 表面处理:风叶成型后,进行表面烤漆处理。首先对风叶表面进行喷砂处理,去除表面氧化皮和杂质,增加表面粗糙度,提高烤漆附着力。然后进行底漆喷涂,底漆干燥后,进行面漆喷涂,面漆颜色需符合采购人确认的色板要求。烤漆过程中,控制烤漆温度和时间,确保漆膜均匀、光滑,无流挂、起皮等缺陷。 组装固定:将制作好的风叶通过六角螺丝固定在风车骨架上,螺丝拧紧力矩需符合设计要求,确保风叶安装牢固,可方便更换。 (四)底座、地台、地基及土建施工工艺 地基施工:根据设计图纸进行地基放线,确定地基位置和尺寸。采用机械开挖方式进行基坑开挖,开挖深度和尺寸符合设计要求。基坑底部进行夯实处理,确保地基承载力满足设计要求。在基坑底部浇筑混凝土垫层,垫层厚度和强度符合设计标准。 底座制作:底座采用钢筋混凝土结构,钢筋绑扎需符合设计规范,保证钢筋间距、锚固长度等符合要求。模板安装应牢固、平整,接缝严密,防止漏浆。混凝土浇筑时,采用振捣棒振捣密实,避免出现蜂窝、麻面等缺陷。浇筑完成后,及时进行养护,养护时间不少于 7 天。 地台施工:地台施工在底座混凝土强度达到设计要求后进行。地台表面进行平整处理,可采用水泥砂浆找平层,确保地台表面平整度符合设计标准。在地台表面铺设装饰材料,如石材、地砖等,铺设时保证缝隙均匀、美观。 质量控制方案 (一)质量标准 不锈钢钢管:管材尺寸偏差符合国家标准,壁厚偏差不超过 ±0.1mm,管径偏差不超过 ±0.5mm,高度偏差不超过 ±2mm。焊接质量符合相关焊接规范要求,焊缝外观质量良好,无明显缺陷。 底部预埋件:预埋件尺寸偏差不超过 ±2mm,折边角度偏差不超过 ±1°,钻孔位置偏差不超过 ±0.5mm。预埋件表面无锈蚀、变形等缺陷。 风车:风车尺寸偏差不超过 ±2mm,风叶厚度偏差不超过 ±0.1mm。烤漆漆膜厚度符合设计要求,表面光泽度均匀,无明显色差、划伤等缺陷。风车组装牢固,风叶转动灵活。 底座、地台、地基及土建工程:地基承载力符合设计要求,底座、地台混凝土强度达到设计标准,表面平整度偏差不超过 ±3mm。土建工程外观质量良好,无裂缝、渗漏等缺陷。 (二)质量检验 原材料检验:每批原材料进场时,由材料员会同质检员进行检验。检查材料质量证明文件、规格型号是否符合要求,进行外观检查和抽样复检。对于不锈钢管材、钢板等材料,需进行化学成分分析和力学性能检测,确保材料质量合格。 过程检验:在各工序施工过程中,施工人员进行自检,班组长进行互检,质检员进行专检。对不锈钢钢管切割、焊接,预埋件制作,风车加工,土建施工等关键工序进行重点检查,发现问题及时整改,未经检验合格不得进入下一道工序。 成品检验:追风堤坝制作完成后,进行全面的成品检验。检查整体外观质量、尺寸精度、安装牢固程度等是否符合设计要求。对风车进行转动测试,检查其转动灵活性和稳定性。对底座、地台进行承载试验,确保其承载能力满足设计要求。 (三)质量问题处理 对于检验过程中发现的质量问题,及时制定整改措施,明确整改责任人、整改期限。对一般质量问题,如表面轻微划伤、局部焊缝缺陷等,可进行修补处理;对严重质量问题,如不锈钢钢管壁厚不达标、地基承载力不足等,需进行返工处理,直至质量合格。整改完成后,重新进行检验,确保质量符合要求。 工艺管理方案 (一)组织管理 成立项目工艺管理小组,由项目经理任组长,技术负责人、施工员、质检员、材料员等为成员。明确各成员职责,项目经理负责工艺管理的全面工作,技术负责人负责制定工艺方案和技术指导,施工员负责工艺方案的实施,质检员负责质量检验,材料员负责原材料采购和管理。 (二)技术管理 图纸会审:在项目开工前,组织技术人员、施工人员对设计图纸进行会审。理解设计意图,提出图纸中存在的问题和疑问,及时与设计单位沟通解决,确保施工图纸的准确性和可操作性。 技术交底:技术负责人向施工人员进行详细的技术交底,包括制作工艺、质量标准、施工安全等方面的内容。施工人员需熟悉工艺要求和质量标准,确保施工过程符合设计和规范要求。 工艺改进:在施工过程中,根据实际情况和施工经验,及时对工艺方案进行优化和改进。积极采用新技术、新工艺、新材料,提高制作效率和质量水平。 (三)制度管理 质量管理制度:建立健全质量管理制度,包括原材料检验制度、过程检验制度、成品检验制度、质量问题处理制度等。严格执行质量管理制度,确保质量控制工作有章可循。 安全管理制度:制定安全管理制度,加强施工现场安全管理。对施工人员进行安全教育培训,配备必要的安全防护用品,设置安全警示标志,确保施工过程安全无事故。 档案管理制度:建立项目档案管理制度,对施工图纸、技术交底记录、检验报告、质量问题处理记录等资料进行收集、整理和归档。确保项目资料完整、准确,便于查阅和追溯。 这份方案涵盖了制作、质量与管理多方面内容。你可以和我说说对方案的看法,比如是否需要调整某些工艺细节或补充特定要求。 XX 岛制作工艺 项目概述 本方案针对 XX 岛房屋景墙、人物、茶桌树凳、板车茅草等物件,以及底座、地台、地基、土建等工程进行制作工艺、质量及工艺管理规划。各类物件均采用 GRC 工艺,明确了材料规格、施工工艺及表面处理要求,旨在确保 XX 岛制作项目符合设计标准,质量可靠。 制作工艺方案 (一)材料选用 钢材:统一采用 7 号圆钢,用于构建 GRC 构件的内部骨架,保证结构强度。钢材进场时需检查质量证明文件,进行抽样检测,确保其屈服强度、抗拉强度等力学性能符合国家标准。 网格钢丝网:选用 8mm 网格钢丝网,挂于圆钢骨架外,增强 GRC 构件的整体性和抗裂性能。钢丝网应表面平整,无锈迹、破损,其网孔尺寸、丝径等需符合设计要求。 水泥:采用 325 水泥进行构件表面涂抹,厚度控制在 4 - 6 公分。水泥需有出厂合格证,进场后进行安定性、凝结时间等指标检测,严禁使用过期、受潮结块的水泥。 颜料与涂料:丙烯艺术颜料用于构件表面上色,需具备良好的耐候性、耐水性和色彩稳定性。清漆用于表面保护,喷涂后应形成均匀、致密的保护膜,提升构件耐久性。采购时选择知名品牌产品,并进行小样测试,确保颜色、光泽度等效果符合设计要求。 仿真茅草:用于房屋景墙和板车茅草堆顶部铺设,要求材质轻便、防火、耐老化,外观逼真,与整体风格协调。 (二)施工工艺 房屋景墙制作 骨架搭建:根据 7000mmx3200mmx400mm 的尺寸要求,使用 7 号圆钢焊接成景墙骨架,确保骨架的垂直度、平整度误差控制在 ±5mm 以内,各连接点采用满焊,焊接质量需进行探伤检测,避免出现虚焊、漏焊现象。 钢丝网铺设:将 8mm 网格钢丝网固定在骨架上,采用镀锌铁丝绑扎,间距不大于 150mm,保证钢丝网绷紧、平整,与骨架紧密贴合。 水泥涂抹:分两层进行 325 水泥涂抹,第一层厚度控制在 2 - 3 公分,待初凝后(约 2 - 3 小时),进行第二层涂抹,厚度为 2 - 3 公分,每层涂抹后均需压实、抹光,表面平整度误差不超过 ±3mm。 表面处理:水泥层干燥后(一般需 7 - 10 天),进行丙烯艺术颜料喷涂,分二道进行,每道喷涂间隔时间不少于 24 小时,确保颜色均匀、饱满。颜料干燥后,喷涂二道清漆进行保护,清漆喷涂应薄厚均匀,无流坠、气泡等缺陷。 茅草铺设:在景墙顶部铺设仿真茅草,茅草铺设应整齐、牢固,搭接长度不小于 50mm,使用专用胶水或钉子固定,避免茅草脱落。 人物制作 骨架制作:按照 1650mm/1800mm 的高度要求,用 7 号圆钢焊接人物骨架,根据人体结构特点,合理设置支撑点,确保骨架能够承受 GRC 材料的重量和外力作用。骨架焊接完成后,需进行整体矫正,保证人物姿态符合设计要求。 钢丝网安装:同房屋景墙钢丝网铺设方法,确保钢丝网覆盖整个骨架表面,无褶皱、空鼓现象。 水泥塑造与涂抹:根据人物造型,使用 325 水泥进行初步塑造,待水泥具有一定强度后(约 1 - 2 天),进行精细打磨和二次涂抹,使表面光滑、线条流畅,符合人物形象设计。 上色与保护:与房屋景墙表面处理工艺相同,通过丙烯艺术颜料喷涂展现人物肤色、服饰等细节,清漆保护提升耐久性。 茶桌树凳制作 骨架与钢丝网施工:依据茶桌 900mmX700mmX700mm 和树凳高 500mm、直径 400mm 的尺寸,焊接 7 号圆钢骨架并铺设 8mm 网格钢丝网,确保骨架结构稳固,钢丝网贴合紧密。 水泥成型:采用模具辅助或手工塑造的方式,进行 325 水泥成型,控制水泥厚度在 4 - 6 公分,保证茶桌桌面平整、树凳表面圆润,无明显接缝和缺陷。 表面装饰:水泥干燥后,进行丙烯艺术颜料喷涂和清漆保护,使茶桌树凳具有自然、古朴的质感。 板车茅草制作 板车制作:按照 2400mmx670mmx940mm 的尺寸,焊接板车 7 号圆钢骨架,铺设钢丝网并涂抹水泥,制作过程中注意板车的车轮、车架等部件的连接牢固性,确保板车能够承受一定的重量和外力。 茅草堆制作:根据 1600mmx2000mm 的尺寸要求,搭建茅草堆骨架,铺设钢丝网和涂抹水泥,塑造出茅草堆的自然形态。 表面处理与茅草铺设:同房屋景墙表面处理工艺,在板车和茅草堆表面喷涂颜料和清漆后,铺设仿真茅草,使板车和茅草堆更加逼真。 底座、地台、地基、土建施工 地基施工:根据设计图纸要求,进行地基开挖,开挖深度、尺寸应符合设计规范,基底需平整、坚实,经地质勘察和监理验收合格后,方可进行下一步施工。 底座与地台施工:采用钢筋混凝土结构,钢筋绑扎应符合设计要求,混凝土浇筑过程中需振捣密实,避免出现蜂窝、麻面等缺陷。浇筑完成后,及时进行养护,养护时间不少于 7 天。 土建施工:包括墙体砌筑、地面铺装等工程,严格按照建筑施工规范和设计图纸进行施工,确保各部位的尺寸、标高准确,施工质量符合相关标准。 质量控制方案 (一)质量标准 构件尺寸偏差:房屋景墙、人物、茶桌树凳、板车茅草等构件的长度、宽度、高度尺寸偏差不超过 ±5mm,对角线偏差不超过 ±8mm。 表面质量:GRC 构件表面应平整、光滑,无裂缝、孔洞、蜂窝、麻面等缺陷,水泥层与钢丝网、骨架结合牢固,无空鼓现象。丙烯艺术颜料喷涂颜色均匀,无色差、流坠;清漆涂层平整、光亮,无气泡、划痕。 结构强度:构件内部骨架焊接牢固,钢材力学性能符合要求,GRC 构件的抗压强度、抗折强度等指标应满足设计和使用要求。通过抽样进行破坏性试验或无损检测,确保结构安全。 仿真茅草安装:仿真茅草铺设整齐、牢固,无脱落、翘边现象,与构件表面贴合紧密,整体效果自然逼真。 (二)质量检验与验收 原材料检验:每批材料进场时,由材料员、质检员共同进行验收,检查材料的规格、型号、数量、质量证明文件等是否齐全,并按规定进行抽样送检,检验合格后方可使用。不合格材料立即退场,并做好记录。 工序检验:每道工序完成后,施工班组进行自检,自检合格后报质检员进行专检。专检合...
追风堤坝项目投标方案.docx
下载提示

1.本文档仅提供部分内容试读;

2.支付并下载文件,享受无限制查看;

3.本网站所提供的标准文本仅供个人学习、研究之用,未经授权,严禁复制、发行、汇编、翻译或网络传播等,侵权必究;

4.左侧添加客服微信获取帮助;

5.本文为word版本,可以直接复制编辑使用。


这个人很懒,什么都没留下
未认证用户 查看用户
该文档于 上传
×
精品标书制作
百人专家团队
擅长领域:
工程标 服务标 采购标
16852
已服务主
2892
中标量
1765
平台标师
扫码添加客服
客服二维码
咨询热线:192 3288 5147
公众号
微信客服
客服