文库 工程类投标方案 建筑工程

金融中心项目钢结构技术标246页.docx

DOCX   246页   下载134   2025-04-29   浏览16985   收藏74   点赞63   评分-   176234字   49.00

AI慧写标书

十分钟千页标书高效生成

温馨提示:当前文档最多只能预览 15 页,若文档总页数超出了 15 页,请下载原文档以浏览全部内容。
金融中心项目钢结构技术标246页.docx 第1页
金融中心项目钢结构技术标246页.docx 第2页
金融中心项目钢结构技术标246页.docx 第3页
金融中心项目钢结构技术标246页.docx 第4页
金融中心项目钢结构技术标246页.docx 第5页
金融中心项目钢结构技术标246页.docx 第6页
金融中心项目钢结构技术标246页.docx 第7页
金融中心项目钢结构技术标246页.docx 第8页
金融中心项目钢结构技术标246页.docx 第9页
金融中心项目钢结构技术标246页.docx 第10页
金融中心项目钢结构技术标246页.docx 第11页
金融中心项目钢结构技术标246页.docx 第12页
金融中心项目钢结构技术标246页.docx 第13页
金融中心项目钢结构技术标246页.docx 第14页
金融中心项目钢结构技术标246页.docx 第15页
剩余231页未读, 下载浏览全部

开通会员, 优惠多多

6重权益等你来

首次半价下载
折扣特惠
上传高收益
特权文档
AI慧写优惠
专属客服
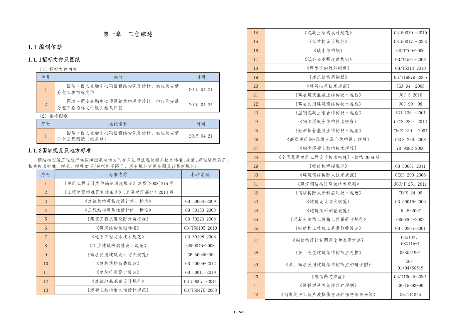
目 录 第一章 工程综述 1 1.1 编制依据 1 1.2 工程概况 2 第二章 重难点分析及解决方案 10 2.1 重难点概述 10 2.2 重难点分析及解决对策 10 第三章 项目管理组织机构 17 3.1 组织管理机构图 17 3.2 主要管理人员及职责 18 3.3 人员组织架构表 19 第四章 施工部署管理 21 4.1 工程承包范围及截面划分 21 4.2 施工总体安排 21 4.3 现场平面布置管理 30 4.4 钢结构安装与土建立面关系 33 4.5 各工序折线图 34 4.6 施工准备工作 35 第五章 进度计划保证措施方案 36 5.1 钢结构施工工期计划 36 5.2 施工资源配置计划 39 5.3 施工资源投入应急预案 43 5.4 特殊季节和气候下运输保证措施 44 5.5 进度计划控制原则 44 5.6 工期保证措施 44 第六章 钢结构深化设计方案 45 6.1 钢结构深化设计主要内容 45 6.2 深化设计流程 45 6.3 深化设计质量管理 48 6.4 深化设计准则 48 6.5 施工详图设计配合 49 6.6 主要及复杂节点的深化设计方案 51 6.7 钢构件深化设计计划管理 53 6.8 深化设计进度质量控制 55 6.9 深化设计报批 55 6.10 深化统筹和协调 55 第七章 钢结构制作及运输方案 58 7.1 加工制作综述 58 7.2 工厂制作准备 60 7.3 典型构件加工制作工艺流程及措施 66 7.4 钢构件工厂预拼装方案 74 7.5 工厂焊接控制及质量检查 76 7.6 喷砂抛丸工艺 81 7.7 成品检验、包装及运输方案 81 7.8 钢构件与材料的进场及交接验收 83 7.9 钢构件运输方案 83 第八章 垂直运输选型及交通组织 86 8.1 塔吊设备选型 86 8.2 塔吊安装与拆除 90 8.3 塔吊爬升规划 90 8.4 塔吊内爬支撑梁计算分析 95 8.5 现场周边环境 97 8.6 交通组织管理 97 第九章 与业主、总承包单位、监理及设计的协调、配合方案 99 9.1 与业主、总承包单位、监理及设计配合要点 99 9.2 钢结构专业总包管理 100 9.3 钢结构专业总包管理机制 102 9.4 对钢结构各专业的管理 104 第十章 钢结构安装工艺及管理 106 10.1 钢构件验收及堆放 106 10.2 钢构件安装准备 109 10.3 地下室柱脚安装工艺 111 10.4 核心筒钢结构安装工艺 115 10.5 外框钢柱及钢梁安装工艺 124 10.6 塔楼加强层桁架安装工艺 139 10.7 塔楼悬挑桁架安装工艺 150 10.8 裙楼钢结构安装工艺 155 10.9 钢结构焊接施工 159 10.10 高强螺栓施工 169 10.11 钢筋桁架楼承板施工 173 10.12 防腐防火涂装施工 177 第十一章 安装过程变形分析与控制 184 11.1 塔楼结构施工过程压缩变形分析与控制 184 11.2 施工过程危险工况验算 202 第十二章 钢结构测量方案 204 12.1 测量准备工作 204 12.2 测量控制网的建立 205 12.3 控制点引测 206 12.4 钢结构安装测量与校正 208 12.5 结构变形监测 210 第十三章 质量保证措施及质量管理 211 13.1 质量保证目标 211 13.2 质量管理体系 211 13.3 质量管理控制措施 213 13.4 钢结构质量通病及防治措施 214 13.5 成品保护措施 215 13.6 质量控制方案 215 第十四章 安全文明保证措施及管理 218 14.1 安全生产管理体系 218 14.2 施工安全技术措施 219 14.3 施工安全防护措施 221 14.4 施工安全应急预案 223 14.5 环境保护与文明施工管理 224 第十五章 成品保护方案 227 15.1 构件堆放及安装成品保护措施 227 15.2 运输过程成品保护措施 227 15.3 因成品保护措施不当的补偿方案 228 第十六章 BIM 系统的应用与配合 229 16.1 BIM 应用目标 229 16.2 BIM 工作体系 229 16.3 BIM 系统应用 231 第十七章 绿色施工方案 239 17.1 目标确定及职责 239 17.2 LEED 及绿标二星认证体系保证 239 17.3 LEED 及绿标二星认证实施措施 240 第十八章 保修服务承诺及保障方案 243 18.1 保修服务内容及服务体系 243 18.2 维保服务计划及措施 243 18.3 保修服务承诺 244 工程综述 编制依据 招标文件及图纸 (1)招标文件内容 序号 内容 时间 1 国瑞 · 西安金融 中心 项目钢结构深化设计 、供应及 安装 分包工程 招标文件 2015.04.21 2 国瑞 · 西安金融 中心 项目钢结构深化设计 、供应及 安装 分包工程 招标文件疑问卷 及 回复 2015.04.24 (2)招标图纸 序号 图纸名称 时间 1 国瑞 · 西安金融 中心 项目钢结构深化设计 、供应及 安装 分包工程 图纸(纸质版) 2015.04.21 国家规范及地方标准 钢结构安装工程应严格按照国家与地方的有关法律法规及相关技术标准、规范、规程进行施工。相关技术标准、规范、规程如下(包括但不限于,所有规范皆需参照现行最新规范): 序号 标准名称 标准名称 1 《建筑工程设计文件编制深度规定》建质[2008]216号 2 《工程建设标准强制性条文》(房屋建筑部分)2013版 3 《建筑结构可靠度设计统一标准》 GB 50068-2009 4 《工程结构可靠性设计统一标准》 GB 50153-2008 5 《建筑工程抗震设防分类标准》 GB 50223-2008 6 《建筑结构制图标准》 GB/T50105-2010 7 《地下工程防水技术规范》 GB 50108-2008 8 《工业建筑防腐蚀设计规范》 GB50046-2008 9 《高层民用建筑设计防火规范》 GB 50045-95 10 《建筑结构荷载规范》 GB 50009-2012 11 《建筑抗震设计规范》 GB 50011-2010 12 《建筑地基基础设计规范》 GB 50007 -2011 13 《混凝土结构耐久性设计规范》 GB/T50476-2008 14 《混凝土结构设计规范》 GB 50010 -2010 15 《钢结构设计规范》 GB 50017 -2003 16 《碳素结构钢》 GB/T700-2006 17 《低合金高强度结构钢》 GB/T1591-2008 18 《厚度方向性能钢板》 GB/T5313-2010 19 《建筑结构用钢板》 GB/T19879-2005 20 《建筑桩基技术规范》 JGJ 94 -2008 21 《高层建筑混凝土结构技术规程》 JGJ 3-2010 22 《高层民用建筑钢结构技术规程》 JGJ 99 -98 23 《型钢混凝土组合结构技术规程》 JGJ 138 -2001 24 《钢管混凝土结构技术规程》 CECS 28 : 2012 25 《矩形钢管混凝土结构技术规程》 CECS 159 : 2004 26 《高层建筑钢-混凝土混合结构设计规程》 CECS 230:2008 27 《钢骨混凝土结构技术规程》 YB 9082-2006 28 《全国民用建筑工程设计技术措施》-结构2009版 29 《钢结构焊接规范》 GB 50661-2011 30 《建筑钢结构防火技术规范》 CECS 200:2006 31 《建筑钢结构防腐蚀技术规程》 JGJ/T 251-2011 32 《钢结构防火涂料应用技术规范》 CECS 24:90 33 《建筑设计防火规范》 GB 50016-2006 34 《建筑变形测量规范》 JGJ8-2007 35 《混凝土结构工程施工质量验收规范》 GB50204-2002 36 《钢结构工程施工质量验收规范》 GB 50205-2001 37 《钢结构设计制图深度和表示方法》 03G102 , 08G115-1 38 《多、高层建筑钢结构节点连接》 03SG519-1 39 《多、高层民用建筑钢结构节点构造详图》 GB/T 01(04)SG519 40 《碳钢药芯焊丝》 GB/T10045-2001 41 《埋弧焊用碳钢焊丝和焊剂》 GB/T5293-99 42 《钢焊缝手工超声波探伤方法和探伤结果分级》 GB/T11345 主要法律、法规和规范性文件 序号 法规和规范性文件名称 文号 1 《中华人民共和国合同法》 国家主席令第 15 号 2 《中华人民共和国环境保护法》 国家主席令第 22 号 3 《中华人民共和国安全生产法》 国家主席令第 70 号 4 《中华人民共和国节约能源法》 国家主席令第 77 号 5 《中华人民共和国建筑法》 国家主席令第 91 号 6 《建设工程质量管理条例》 国务院令第 279 号 7 《建设工程安全生产管理条例》 国务院令第 393 号 8 《安全生产许可证条例》 国务院令第 397 号 9 《生产安全事故报告和调查处理条例》 国务院令第 493 号 10 《建设工程施工现场管理规定》 建设部令第 15 号 11 《建筑安全生产监督管理规定》 建设部令第 13 号 12 《房屋建筑工程质量保修办法》 建设部令第 80 号 13 《建筑工程设计文件编制深度规定》 建质 [2008]216 号 14 《关于进一步规范房屋建筑和市政工程生产安全事故报告和调查处理工作的若干意见》 建质 [2007]257 号 工程概况 整体工程概况 本工程 位于 高新区 创业新大陆北侧,紧邻城市主干道锦业路,东西侧紧邻规划路,南侧临市政规划创业新大陆绿化广场,建筑功能地上部分主要为办公,少数楼层餐饮,地下部分主要为停车场,部分商业及附属用房,结构形式 主楼 采用框架核心筒混合结构,裙房采用框架剪力墙结构,主楼楼板采用钢筋桁架楼承板,裙房采用现浇混凝土楼板 。主楼 地上 75层 ,裙房地上 3层 ,地下 4层 ,建筑高度 349.7 m,结构高度为 349.4 m,总建筑面积为 289978 m2 。 塔楼 平立面外形规则,平面布置基本为正方形,塔楼柱网跨度 6 m,裙房主要柱网跨度 8.4 m,地上部分塔楼结构最长长度 53.6 m,最大宽度 53.6 m,裙房结构最大长度 67.15 m,最大宽度 29.20 m,地下部分结构最大长度 142.9 m,最大宽度 116.95 m,最大跨度为 28.45 m。最大 悬挑 尺寸为 12.55 m 。 工程信息 1 项目名称 国瑞·西安 金融中心项目 2 建设单位 北京国瑞 兴业地产股份有限公司 3 设计单位 北京市建筑设计研究院 4 估算顾问 北京 威宁谢工程咨询有限公司 (2)工程建筑信息如下: 建筑信息 建筑高度 主体结构高度 349.4 m 层数 地上 75 层 建筑高度 349.7 m 地下 4层 建筑类别 高层民用公共建筑 设计使用年限 50年 防火等级 一级 地下室防水等级 一级 结构 重要性系数 1.1 地基 基础设计等级 甲级 建筑主要功能 地上部分主要 功能 为办公,少数楼层餐饮,地下部分主要 功能 为停车场,部分商业及附属用房 建筑 效果图 塔楼工程概况 裙楼 工程概况 其他钢结构概况 材质要求 构件部位 构件类型 材质 核心筒 钢板墙 Q345B 型钢暗柱 Q345B、Q345GJB 外框架 型钢混凝土柱 Q345B、Q345GJB 外框钢梁 Q345C 首层V撑 Q345GJB 加强层及屋顶桁架 伸臂桁架 Q390GJC 腰桁架 Q345GJC 楼面水平支撑 Q345C 钢楼梯 梯梁 Q345B 踏步板 Q235B 柱脚 锚栓 Q345GJC、GLG460、GLG650 楼板要求 部位 楼板类型 备注 塔楼 TD3-80、TD4-120、TD7-170 镀锌表层≥120g/m2 连接材料 手工焊接用焊条 Q235B E43xx Q 345B/C、Q345GJC E50xx Q390GJC E55xx 二保焊 Q 345B/C ER50-3 Q345GJC ER55-3 高强螺栓(10.9级) ≤M30 扭剪型高强度螺栓 栓钉 Ф19×80、Ф22×90 除锈及防腐要求 除锈 底漆 中间漆 Sa2.5 无机或有机富锌(80 μm ) 环氧云铁( 1 0 0μm ) 防火要求 构件类型 耐火极限(小时) 防火涂料类型 楼面梁 2.5 厚型防火涂料 伸臂桁架、腰桁架 2.0 厚型防火涂料 屋顶悬挑桁架 3.0 厚型防火涂料 屋顶悬挑部分钢柱 3.0 厚型防火涂料 钢楼梯 1.5 薄型防火涂料 重难点分析及解决方案 重难点 概述 根据我司施工经验,结合本工程结构特点和施工环境等,总结出来本工程钢结构专业施工的重难点,并针对重难点提出了具体的解决措施。 重难点分析 及解决对策 项目管理组织机构 组织管理机构图 中标后,我司将为本工程组建由 三个管理层次组成的组织结构, 即以董事长为首的企业保障层、项目经理为首的项目管理层、作业班长为首的项目作业层三级组织管理架构。项目 经理、主要 施工 技术、质量及安全管理人员、深化设计人员 的 姓名、资质证书及履历简介、项目经理承担过的类似项目情况及学历职称复印件等详见技术标 第十九 章企业资质。 (1)第一管理层次——企业保障层。由项目管理委员会、总部主要管理部门、专家顾问团组成。从公司层次设置“中建三局国瑞 ▪ 西安钢结构工程项目管理委员会”,由我司董事长作为指挥长,总部主要管理部门:公司技术中心、科技部、商务管理部、工程管理部、安全生产监督管理部、财务部、人力资源部组成。对项目进行全面掌控,能更好地全面调配和组合人才、技术、资金、机械设备、专业施工队伍等资源,使项目资源实现最优化配置,为本工程顺利实施提供全力支持和保障。 (2)第二管理层次——项目管理层。其岗位设置和管理人员完全独立,代表我司管理包括钢结构深化设计 、供应及安装 分包 工程 ,实施各项总体管理和目标控制,并与总承包 单位 做好配合、服务工作,确保工程的顺利进行。 项目管理层设项目经理、总工程师、生产经理、商务 经理、安全总监、质量总监和 综合 事务经理 等,下设相对应的职能部门(涉及职能部门1 0 个,管理人员总人数 45 人),对工程施工进度、技术、质量、安全、BIM、绿色施工等工作进行管理。 (3)第三管理层次——项目作业层。由项目管理层统一指挥、协同工作,是整个工程施工计划的具体执行者和实施者。它包括钢结构深化设计 、供应及安装 三部分。 主要管理人员及职责 序号 岗位 岗位职责 1 项目经理 (1)全面负责整个项目的日常事务,对工程的质量、安全、进度、合约、资金等全面负责。 (2)根据有关规定,签订本工程需要项目经理签订的合同或协议。 (3)制定项目部规章制度,明确项目部各部门和岗位职责,领导项目部开展工作。 (4)主持编制项目管理方案,组织实施项目管理的目标与方针;批准各专业分包单位的实施方案,并监督协调其实施行为。 (5)主持项目部会议工作,审定、签发对内、外各类文件。 (6)及时协调与各单位之间的关系,参加各类协调会议,解决与各单位之间的矛盾和问题。 (7)与雇主、监理及工程总承包保持经常接触,解决随时出现的各种问题,积极处理好与政府部门、区域管理委员会及周边关系。 (8)完善内部基础管理,合理分配各项工作并予以指导,奖优罚劣。 (9)负责履行合同规定的工程交付使用后的保修工作。 2 综合事务 经理 (1)宣传党的路线、方针、政策,保证监督党的方针、政策和国家法律、法规的正确贯彻执行。保证监督企业党组织的决议落实,支持项目经理行使经营生产和资源配置指挥权,保证监督项目经济运营、成本控制和各项工作的全面完成。 (2)经常对党员进行党的基本知识、党的纪律和传统教育,发挥党员先进性,组织项目中各层次的党员起到模范带头作用,积极以各种形式激励职工积极工作。 (3)加强对党员的管理、坚持党员发展方针,严格党的组织生活,监督党员切实履行义务,保障党员的权利不受侵犯,充分发挥党员在施工生产和经营开拓及管理工作中的先锋模范作用。 (4)对党员特别是党员干部实行有效监督。发扬党内民主,积极开展批评与自我批评。 (5)同项目经理密切配合,团结合作,积极支持、协助项目经理正确行使职权和关心、改善职工的物质文化生活,重点是现场外生活区的管理、人员交通运输组织协调,现场的饮食、临时休息的保障。 (6)积极加强党建工作,认真开展党支部达标活动,充分调动党员的积极性,发挥党支部的战斗堡垒作用。 (7)负责对接业主对施工现场的整体环境要求的严格管理,并贯彻实施。 (8)负责项目对外接待。 3 生产经理 (1)全面组织管理制作、安装钢结构生产活动,合理调配劳动力资源。 (2)负责项目的生产组织、生产管理和生产活动。 (3)负责项目的安全生产活动,建立健全的项目的安全管理组织体系。 (4)协调作业班组之间的进度矛盾及现场作业面冲突,确保现场施工有序合理的进行。 (5)具体抓项目的进度管理,从计划进度、实际进度和进度调整等多方面进行控制,确保项目工结构施工如期完成。 (6)进行施工现场的标准化管理,积极推进施工现场文明工地标准化管理达标活动。 4 总工程师 (1)领导技术管理部、BIM管理部,负责项目部的技术工作和BIM协调管理工作,统一组织其它相关工作,并提供技术支持。 (2)审核施工组织设计与施工方案,并配合 总承包单位 协调各施工 工序 之间的技术问题。 (3)主持项目的安全技术措施、大型机械设备的安装及拆卸、脚手架胎架的搭设及拆除、季节性安全施工措施的编制、审核工作。 (4)主持图纸内部会审、施工组织设计交底及技术交底。 (5)负责工程材料设备选型的相关工作。 (6)主持项目计量设备管理及检验、试验工作。 (7)及时组织技术人员解决工程施工中出现的技术问题,组织对本项目的关键技术难题进行科技攻关,进行新工艺、新技术的研究。 (8)领导工程资料管理组对工程资料进行收集、归纳、存档及管理。 (9)及时组织相关单位和部门开展各阶段质量验收工作。 5 商务经理 (1)在钢结构项目经理的领导下,主持内部预算体系的建立。 (2)协助项目经理选择各材料供应单位、劳务分包单位合同谈判与签约。 (3)协助项目经理与总承包之间的工程报价及审价。 (4)协助项目经理审核项目预结算,合理组织资金周转。 (5)协助项目经理审核内部经济类台帐、报表,并协调经济各部门之间的经济关系。 (6)协助项目经理进行成本核算。 (7)负责项目物资及材料的采购管理。 6 质量总监 (1)对本工程钢结构施工的质量进行全过程检查、监督及控制。 (2)负责对分部分项工程及最终产品的检验与协调工作。 (3)负责各种质量的记录资料的填制、收集、立卷工作。 (4)确保施工质量,为整个工程创“长安杯”和“省级文明 工地 ”打好基础。 (5)组织制定质量方针,建立相应的质量目标群。 (6)审核质量控制的政策、流程、制度及操作规范,督促、检查质量政策制度的贯彻执行。 (7)指导、参与重大质量风险和事故的处理。 (8)贯彻落实企业质量方针、质量目标。 7 安全总监 (1)认真贯彻执行安全工作规程、安全施工管理规定及总承包有关安全施工的规定,负责安全施工管理工作。 (2)制定年度安全工作计划、安全生产目标、事故预防措施。 (3)督促有关人员做好施工措施的编制及交底工作,并监督措施的执行。 (4)负责监督检查施工现场钢结构的安全施工和文明施工。 (5)督促有关人员做好安全施工防护,发现隐患及时提出整改意见,并督促整改。 (6)督促有关人员办理做好安全设施,并亲临现场检查指导。 (7)在总承包的带领下,定期参加安全大检查和专项安全检查。 (8)协助总承包布置、检查安全日活动,做好安全教育。 (9)发生事故及时如实向总承包安全部门报告,协助总承包调查,提供有关资料。 (10 ) 落实 绿色建筑评价标准, 创LEED金 级认证。 人员组织架构表 职务 姓名 职称 年龄 执业或职业资格证明 证书 名称 级别 证号 同类工作经验年限 项目经理 黄开良 高级 工程师 51 注册 建造师 壹级 00085196 28 总工程师 刘西俊 高级 工程师 44 职称证 高级 中建031532 21 生产经理 姚建忠 工程师 34 职称证 中级 中建三13721 11 商务经理 何雄伟 高级 工程师 42 注册 建造师 壹级 (2010)1103188 20 质量总监 陈明 高级 工程师 46 职称证 高级 中建三13002 23 安全总监 黄国兵 高级 工程师 50 职称证 高级 中建三13009 29 综合事务 经理 陈帅 工程师 30 职称证 中级 (2012)1303679 8 质量 管理部 经理 余磊 工程师 28 上岗证 中级 C1132766 5 质量 管理员 毛从兵 工程师 28 上岗证 中级 C1132765 6 质量 管理员 姜冬陈 助理 工程师 26 上岗证 初级 F1431237 4 材料 试验检验专员 王琪 工程师 28 上岗证 中级 C1132767 5 安全管理 部经理 蔡晓生 工程师 35 注安 工程师 中级 AG00201222 12 安全 管理员 叶艳红 高级 工程师 39 安全生产考核证 C类 (2013)0102254 17 安全 管理员 叶明飞 工程师 35 安全生产考核证 C类 (2013)0615110 10 安全 管理员 余显志 助理 工程师 26 安全生产考核证 C类 (2013) 0615178 3 绿建与 LEED 管理 专员 胡新 助理 工程师 26 上岗证 初级 A1434459 3 工程 管理部 经理 李科 工程师 27 上岗证 中级 A1432012 5 材料 管理员 徐友桂 工程师 44 上岗证 中级 F1430479 24 劳务 管理员 刘旻昕 工程师 33 上岗证 中级 N1130275 8 工程管理 员 聂来彬 工程师 35 上岗证 中级 A1034184 12 工程管理 员 杨凡凡 工程师 28 职称证 中级 (2012) 1370379 7 工程管理 员 卢鹤 助理 工程师 25 上岗证 初级 B1430629 3 协调 管理部 经理 王金宇 工程师 32 职称证 中级 (2012)1303603 10 计划 管理 专员 王作舟 工程师 31 上岗证 中级 A1434452 7 平面 协调 专 员 陈金辉 助理 工程师 26 上岗证 初级 A1434455 2 技术 管理部经理 谢广杰 工程师 33 职称证 中级 中建三63820 10 技术 管理 员 陈良 助理 工程师 27 上岗证 初级 A1439463 5 技术 管理 员 熊根 助理 工程师 25 上岗证 初级 A1439464 3 技术 管理 员 赵东 助理 工程师 24 职称证 初级 A1439474 3 深化设计 部 经理 桂峥嵘 工程师 27 上岗证 中级 A1034183 5 深化设计员 田伟宏 工程师 29 职称证 中级 (2012)1103058 9 深化设计员 熊万昌 工程师 27 上岗证 中级 A1434445 7 深化设计员 李同洋 工程师 27 上岗证 中级 A1432010 5 深化设计员 陈亚 工程师 29 上岗证 中级 A1430431 5 深化设计员 汪智涛 工程师 28 上岗证 中级 A1430426 4 深化设计员 佘志刚 助理 工程师 26 上岗证 初级 A1434444 3 BIM管理部 经理 崔建超 工程师 31 职称证 中级 (2012)14819 8 B IM 管理 员 周大磊 工程师 33 职称证 中级 (2012)1303602 10 B IM 管理 员 李罗 工程师 29 职称证 中级 (2012)1303826 5 商务管理部 经理 刘时辉 工程师 38 职称证 高级 (2012) 1103100 15 商务管理员 龚莉琼 工程师 35 上岗证 中级 U1430014 10 商务管理员 刘笑赟 助理 工程师 25 上岗证 初级 U1430009 3 综合办公室 主任 杨洋 工程师 47 职称证 中级 中建三03254 28 综合 办事员 薛梅 助理 工程师 45 职称证 初级 建三二06137 24 综合办事员 薛丽华 助理 工程师 41 职称证 初级 建三二1931 19 施工部署管理 工程承包范围及截面划分 钢结构安装工程承包范围 本工程为国瑞·西安金融中心项目钢结构深化设计、供应及安装分包工程,钢结构安装及制作工程承包范围包括:项目主塔楼、裙楼部分以及其他附属钢结构设施等。 工程 承包 范围 钢结构工作范围包括(但不限于)以下内容: 序号 主要内容 1 全部钢结构的供应 、 加工 、 制作及运输 。 2 加工图设计 、 竣工图制作 , 并将审核通过的图纸提供予总包备案 。 3 对钢结构在运输过程中出现对表面 (除锈、防锈等)的破坏进行修复。 4 对合同图纸及技术规范要求的钢结构之钢构件与混凝土连接节点的设计以及预埋件的设计 、供应、制作及技术指导。 5 负责派工程师于工地现场监督、指导、配合钢结构的安装,履行分包人义务并担保钢结构工程符合工程技术标准及要求制定要求 6 提供保修期内正常替换需要的零配件,其他不可或缺的附加和辅助工作。 7 负责对钢结构工程进行管理和总协调。 8 负责幕墙、屋面、机电等工程的重要连接件安装及机电专业在钢构件上的开孔补强,并负责对应区域或部位钢结构防腐防火涂层损伤的修补。 9 负责防火涂料的喷涂。 10 履行各项LEED-CS认证及中国绿色建筑认证工作。 11 按技术要求及招标图纸所显示的内容准备计算书及图纸。 工程实现目标 项目 目标 实现 质量目标 争取 通过“长安杯”的验收。 省级文明工地的验收。 绿色 施工 达到 国家 《绿色建筑评价标准》(GB/T50378-2006)中二星级。 美国绿色建筑协会LEED金级认证。 工期目标 钢结构施工计划进场日期为2015年10月1日。 主楼封顶时间不迟于2017年7月30日。 钢结构施工计划完成时间2017年8月30日。 安全目标 无重大安全事故发生,并且不出人参伤亡事故及重大财产损失。 施工总体安排 施工思路概述 第一阶段:核心筒B4~L1(+16.450m)及外框B4~B1(+1.100m)主体结构施工。 第一施工阶段:核心筒B4~L1(+16.450m)及外框B4~B1M(+1.100m)。 地下室施工时,在核心筒西北底板上安装一台1#STL720-32动臂塔吊,同时在地下室B1地块安装一台2#STL720-32动臂塔吊;塔楼核心筒施工至L4层开始安装顶模系统。 第二阶段:核心筒L1~L4(+29.350m)及外框B1~L1(+16.450m)主体结构施工。 第二阶段:核心筒L2~L4(+ 29.350 m)及外框B1~L1(+16.450m)。 施工L1层时将原本位于主塔楼南侧的2#塔吊进行拆除并安装在核心筒东南侧,此时钢结构外框柱由一变二呈V字型节点,由原来16根分支为32根。 第三阶段:核心筒L4~L75屋顶层(+349.400m)及外框L1~L67(+305.850m)主体结构施工。 第三施工阶段:核心筒L4~L75屋顶层(+349.400m)及外框L1~L67(++305.850m)。 此阶段为典型的标准层施工,伴随着楼层桁架施工,同时也插入了压型钢板及防火涂料的施工,此阶段施工完毕后即核心筒封顶。 第四阶段:L67~L75屋顶层(+349.400m)。 第四施工阶段:为外框 L67~L75屋顶层 施工。 此阶段为剩余外框钢柱施工及屋顶附属结构施工。封顶后进行塔吊的拆除,用1#塔吊拆除2#塔吊,然后用屋面吊进行1#塔吊的拆除工作。 施工区域划分 主塔楼钢结构施工区域划分 主塔楼分为南北两个施工区域,不同阶段的钢结构堆场及使用塔吊不同。 第一阶段地下部分施工时,2#塔吊位于塔楼南侧,地上施工时将2#塔吊移至核心筒西南侧。 第二、三、四阶段采用位于核心筒东北角的1#塔吊及位于核心筒西南角的2#塔吊进行安装。 平面区域划分 本工程平面划分主要分为主塔楼施工区及附属结构施工区。主塔楼施工区域主要为金融中心钢结构,分为南北两侧施工区域,附属结构主要为裙楼部分、雨棚及其他本专业金属结构。 根据现场塔吊数量及钢结构堆场的布置情况,可将整个主塔楼分为四个阶段:第一阶段地下部分施工、第二阶段V柱区域施工、第三阶段为核心筒L2到核心筒封顶以及第四阶段外框L67到主塔楼封顶。 总体施工区域如下图所示: 总体分为主塔楼施工区域、附属结构区域,区域界线划分明显。 地下室部分施工时,1#塔吊位于核心筒东北角,北侧卸车时,采用1#塔吊将构件卸至东侧堆场,且负责北侧区域
金融中心项目钢结构技术标246页.docx
下载提示

1.本文档仅提供部分内容试读;

2.支付并下载文件,享受无限制查看;

3.本网站所提供的标准文本仅供个人学习、研究之用,未经授权,严禁复制、发行、汇编、翻译或网络传播等,侵权必究;

4.左侧添加客服微信获取帮助;

5.本文为word版本,可以直接复制编辑使用。


这个人很懒,什么都没留下
个人认证 查看用户
该文档于 上传
×
精品标书制作
百人专家团队
擅长领域:
工程标 服务标 采购标
16852
已服务主
2892
中标量
1765
平台标师
扫码添加客服
客服二维码
咨询热线:192 3288 5147
公众号
微信客服
客服