文库 服务类投标方案 其他

秸秆收运作业项目投标方案(技术标_208页).docx

DOCX   208页   下载354   2024-06-20   浏览431   收藏0   点赞0   评分-   99396字   49.00
温馨提示:当前文档最多只能预览 15 页,若文档总页数超出了 15 页,请下载原文档以浏览全部内容。
秸秆收运作业项目投标方案(技术标_208页).docx 第1页
秸秆收运作业项目投标方案(技术标_208页).docx 第2页
秸秆收运作业项目投标方案(技术标_208页).docx 第3页
秸秆收运作业项目投标方案(技术标_208页).docx 第4页
秸秆收运作业项目投标方案(技术标_208页).docx 第5页
秸秆收运作业项目投标方案(技术标_208页).docx 第6页
秸秆收运作业项目投标方案(技术标_208页).docx 第7页
秸秆收运作业项目投标方案(技术标_208页).docx 第8页
秸秆收运作业项目投标方案(技术标_208页).docx 第9页
秸秆收运作业项目投标方案(技术标_208页).docx 第10页
秸秆收运作业项目投标方案(技术标_208页).docx 第11页
秸秆收运作业项目投标方案(技术标_208页).docx 第12页
秸秆收运作业项目投标方案(技术标_208页).docx 第13页
秸秆收运作业项目投标方案(技术标_208页).docx 第14页
秸秆收运作业项目投标方案(技术标_208页).docx 第15页
剩余193页未读, 下载浏览全部
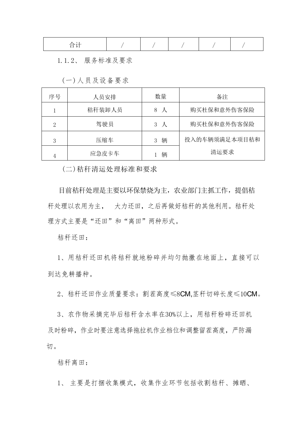
目 录 I 、采购需求理解 3 1.1 、 项目基本情况 3 1.2 、 项目服务理念 5 1.3 、 整体服务思路和管理措施 11 1.4 、 拟投入的人员和设备 13 1.5 、 重点难点及解决方式 36 II 、项目实施方案 38 2.1 、 秸秆收运整体运作流程 38 2.2 、 收运工作解决方式 39 2.3 、 秸秆收运处理方式 40 2.4 、 周围环境作业制度 52 2.5 、 车辆管理制度 57 2.6 、 装卸作业管理措施 76 2.7 、 进退场交接措施 83 2.8 、 服务承诺 86 III 、质量保证方案 89 3.1 、 质量管理标准 89 3.2 、 质量保证措施 89 IV 、安全保障方案 94 4.1 、 安全保障体系、安全管理制度 94 4.2 、 安全文明生产、落实安全措施 108 4.3 、 安全作业规程 112 4.4 、 安全培训 112 4.5 、 人员、车辆安全检查 115 V 、 应急处理方案 115 5.1 、 应急保障机制 115 5.2 、 卫生防疫应急预案 120 5.3 、 暴雨、台风应急预案 123 5.4 、 火灾应急预案 127 5.5 、 其他突发事件处理 129 VI 、内部管理制度 130 6.1 、 人事管理、人员培训管理制度 130 6.2 、 作业车辆及设备管理制度 190 6.3 、 作业流程管理制度 193 6.4 、 档案管理制度 196 I 、 采购需求理解 1.1、 项目基本情况 本项目为 XX 区秸秆收运作业项目。 1.1.1、 服务内容及相关区域 1、服务内容:对 XX 区8个主要田洋农作物产品豇豆、青瓜、茄 子、丝瓜、玉米和西瓜等产生的秸秆“离田”回收利用或在田间“还 田”处置达90%以上。 2、 服务区域: 序号 区域 水稻面积 (盲) 年种植 次数 瓜菜面积 (亩) 年种植 次数 实际耕种 合 计(盲) 1 / / / / / / 2 / / / / / / 3 / / / / / / 4 / / / / / / 5 / / / / / / 6 / / / / / / 7 / / / / / / 8 / / / / / / 9 / / / / / / 10 / / / / / / 11 / / / / / / 12 / / / / / / 合计 / / / / / 1.1.2、 服务标准及要求 (一)人员及设备要求 序号 人员安排 数量 备注 1 秸秆装卸人员 8 人 购买杜保和意外伤客保险 2 驾驶员 3 人 购买杜保和意外伤客保险 3 压缩车 3 辆 投入的车辆须满足本项目秸和 清运要求 4 应急皮卡车 1 辆 (二)秸秆清运处理标准和要求 目前秸秆处理是主要以环保禁烧为主,农业部 门主抓工作,提倡秸 秆处理以农用为主, 大力还田,之后再做好秸秆的其他利用。秸秆处 理方式主要是“还田”和“离田”两种形式。 秸秆还田: 1、用秸秆还田机将秸秆就地粉碎并均匀抛撒在地面上,直接可以 到达免耕播种。 2、秸秆还田作业质量要求:割茬高度≤8 CM, 茎秆切碎长度≤10 CM 。 3、农作物采摘完毕后秸秆含水率在30%以上 ,用秸秆粉碎还田机 及时粉碎,作业时要注意选择拖拉机作业档位和调整留茬高度,严防漏 切。 秸秆离田: 1、 主要是打捆收集模式,收集作业环节包括收割秸秆、摊晒、 搂草、捡拾打捆、转运、收储等主要环节。 2、 人工配备相应的作业工具锤捡式捡拾打捆,打捆分成小方 捆、大园捆、大方捆几种型号, 一般捆重20-30 公 斤,需要人工 捡捆装车。 3、各自然村工作人员负责通知本村人员将秸秆定时放到指定堆 放点,不得在地边焚烧,由村(居)委会组织在每个 自然村小组至 少设置两个以上方便车辆出入的主干道边的临时堆放点。 4、在接到各自然村工作人员通知后,中标单位工 作人员需24小 时内做出响应,使用密闭压缩车辆清运,秸秆收集、转运区域及周边 应干净整洁。 5、如遇自然灾害、暴风雨恶劣天气等特殊情况秸秆清运时间适当 延后。 6、各作业车辆应保证证件齐全,车容车貌 良好。秸秆清运应遵循 安全文明作业规范。 7、秸秆清运设备要干净、整洁、完整,清运过程中要遵守交通法律 法规,文明作业。 1.2、 项目服务理念 1.2.1、 服务标准 我公司承诺本项目服务标准不低于招标文件提出的服务内容和招 标人要求的运营验收标准。 1.2.2、 管理目标 我司中标 XX 区秸秆收运作业项目后,将力求接管后在短期内使各 项管理工作步入正轨。根据招标文件的要求达到如下目标: 1.服务质量达到国家及行业标准。 2.无安全事故。 3.服务进度达到合同要求。 4.人员培训率100%。 1.2.3、 管理方式 根据 XX 区秸秆收运作业项目的服务需求分析,我们以客户的满意 为宗旨,总结提炼出了一套适合 XX 区秸秆收运作业的管理方式,主 要包括三个部分: 联合共管机制(三方共管) 服务运作模式(统筹管理、专业细分、 一站式服务) 项目管理运作方式 (内部管理架构、激励机制、监督机制、自我约束机制、信息反 馈及处理机制)。 一 、三位一体的共管机制 实行监督机构、执行机构、责任机构有机结合的共管机制: 以业主为对口监管部门,完成对项目管理各项工作 的监督、协调, 反馈服务质量与需求。 以我公司为最终责任人,负责对项目管理状况的整 体监控和指导, 就其管理状况对业主负责。 二、服务运作模式 统筹管理、专业细分、 一站式服务 ( 一)统筹管理 是我公司利用自身资源、社会资源、政府资源、客户资源进行整 合,针对 XX 区秸秆收运作业项目特点对管理服务的具体实 施进行规 划设计,使各种资源在我公司的有效组织、监督下规范运转。整个管 理处的日常管理活动则通过公司统一的指导、监督部门进行质量控制, 以保证管理处全力、尽心完成服务。 (二)专业细分 指我公司对接管项目的服务需求、细化专业,对整合的资源专业 化,针对需求提供有针对性地服务。 (三) 一 站式服务 针对项目服务的系统性和服务的专业细分,建立以项目管理处为 核心的管理服务体系。项目管理处是指挥调度中心及信息枢纽,进行 有效组织、处理、回访。 三 、组织架构 组织机构的设置原则是精干高效, 一专多能,在充分了解 XX 区秸 秆收运作业项目特点的基础上,根我公司设置 XX 区秸秆收运作业项 目管理处。项目经理、管理员、质检员、安全员、班组长等管理人员 配备齐全到位,项目经理从事工作8年以上,项目管理事项明确,严 格执行企业规范的管理。 四 、内部运行机制 (一)推行目标责任管理机制 目标管理责任制就是将管辖项目的管理目标、经营目标、竞争性 目标以量化形式作为重要职责交托给管理处的领导集体,并 赋予相应 的权力,承担相应责任的一种管理方式。我公司公司结合多年的运用 经验,将其与先进的 BSC 管理工具、严密的计划管 理以及全新的绩效 管理回顾方案重新融合,形成了指标责任控制与运行控制结合的新目 标责任管理机制。 这种管理极大加强了对达成指标过程中的运 行管理的控制力度, 完成指标必经的每个工作节点各级领导都有责任与下属一起对工作 进行回顾,指导、与改进分析,由此完成了从结果控制到过程控制的 转变,使目标责任不仅能明确分解到各部、班组、员工,还能按 点、 按时全部以可考核的量化指标与行动方案形式体现,做到管理重点不 遗漏,管理问题不隐瞒、管理责任不推脱,拓展了 管理控制的广度与 深度。 (二)激励机制 激励机制主要通过周密的计划,目标管理和借助良好的组织结构 所明确的职责,把努力——成绩——报酬——满足这一 连锁关系结合 到整个的管理系统中去,实现对内调节改造、对外适应拓展的功效。 1.思想道德教育 通过培训教育有效地提高员工的思想素质、政治素 质、道德素质, 建设一支有理想、有道德、有文化、守纪律的员工队伍。提高员工对 所担负责任的认识,员工能正确地对待自己和组织的每个成员。毫无 保留地支持各级管理人员,共同努力实现目标。 2.奖 励 按岗位责任制和工作目标责任制,对员工在 工作中取得的成效予 以必要的物质奖励和精神奖励。在奖励机制中不断地对奖励方式创新, 新颖的刺激和变化的刺激比重复的相同的刺 激所产生的激励力量大。 我们要把奖励尤其是精神奖励通过一定的形式使其家属分享荣誉。在 奖励的同时,建立完善的惩罚手段予以辅助。 3.职工参与管理 使员工体验出自己的利益与管理处的生存和发展密切相关而产生 强烈的责任感。 4.工作丰富化 不断地给职工创造具有挑战性和成就感的机遇。 (三)监督机制 监督机制包括实现政府和业主对项目管理活动的 监察和督导以及 项目部各职能系统的相互制约和监督。 1.项目部组织行为及所有内、外部管理制 度合乎法规、政策要求, 并接受政府和业主的监督; 2.履行委托合同中所规定的权利和义务,接受业主 的监督; 3.项目部质量管理部门作为质量监管中心,履行对各部门工作的 监督职能,运用内部质量审核、质量大检查、管理评审手段,达到持 续改进工作质量、完善管理之目的。 (四)自我约束机制 1.执行行业道德规范和自律标准; 2.全体员工遵循员工守则规定; 3.高度重视意见征询工作,对发现问题彻底跟踪、解决。 (五)信息反馈和处理机制 根据作业量的动态变化或主管部门安排的紧急任务来及时调整作 业方式;根据群众意见或建议来调整作业方式、方法;考核 过程中发 现质量问题及时整改;通过《保洁质量征询表》来主动征询意见等。 我公司通过上述管理机制贯彻实施,在职工中形成一 种自愿接受 监督、自觉处理问题、自我约束行为的工作心态,从而在管理机制上 保障作业的质量。 1.2.4、 工作计划 序 号 工作计划 计划要点 疆 备 注 1 拟定项目服务方案 根据 XX 区秸秆收运作业项目招 标文件制定 2 签订《 XX 区秸秆收运作业 项目服务合同》 根据招标文件提供要点和格 式,双方进行商谈 3 人员派遣 公司派遣骨干小组进驻 4 现场熟悉 根据项目服务方案的内容,熟 悉项目的相关惰况 一 、日常管理工作计划 按照 XX 区秸秆收运作业项目方案,分别制订年度工作计划、月工 作计划、专项工作计划等,按照工作计划组织、落实、跟踪 检查,确 保计划的有效执行和服务质量的有效保证,并形成各类数 据统计报表, 统计和分析工作落实、执行情况,不断持续改进各项工作。 二 、沟通计划 使用人日常的有效沟通,是我公司为客户做好各项服务的前期条 件之一。为此,管理处在与业主监管部门保持随时沟通和互动的基础 上,还制定了定期的沟通方式和计划,使管理处能及时准确的了解客 户需求,招标人能及时了解 XX 区秸秆收运作业项目管理服务运作情 况。促进有效沟通,使我公司的服务更符合客户的需求。 1.3、 整 体服务思路和管理措施 1.3.1、 管理运作思路创新 准确的管理定位和恰当的模式选择,是提高秸秆收运管理质 量, 确保秸秆收运目标实现的关键。根据本公司多年的专业管理经验,对 本区域内秸秆收运管理模式选择如下: 一 、组织管理方式创新 建立科学的组织管理方式,改变原秸秆收运管理中落后的条块模 式,促进扁平化矩阵组织形式,强化信息化、数字化组织 管理。只有 组合先进的管理技术,运行动态灵活的管理机制,才能保证秸 秆收运 管理的组织效率。我公司对本项目各条秸秆收运将实行扁平化矩阵式 的管理模式。在公司领导的统一指挥下,充分发挥项目经理、各管理 人员、作业班长等骨干作用,紧紧依靠全体员工,通过科学的管理组 织,进行优质、高效、专业的收运服务。其要点是:公司 实行内部项 目成本核算:质检部和项目经理负责对本项目秸秆清扫收运质量的监 管考核;项目运作实行实时机动巡回督促检查。 二 、管理技术变革 秸秆收运管理要想实现秸秆收运领域的技术变革, 一方面,需要 对原来的管理技术予以提升,整体提升秸秆收运管理新模式的生产效 率与质量保障系统动作能力;另一方面,需要采纳运用新的城市秸秆 收运专业技术。在人机结合合理化的前提下,不断革新作业技术,提 高作业效率,节约作业成本,提升作业综合管理水平。 三 、加强收运技能培调 针对收运人员分不清楚收运重点的问题,加 强收运人员的培训工 作: 一是秸秆收运人员要懂得根据季节气候变化及时调整作业重点。 二是对应急预案的演练,了解各个预案的处理程序。使每名员工 都知道在突发事件来临时,明确自已所要做的工作,避 免出现差错。 四、建立完善的质量监督机制 启动全民360度全方位和24小时秸秆收运管理监督热线与网络, 构建无缝秸秆收运管理质量监控体系。为进一步加强、规 范公司管理, 落实公司的各项规章制度,以“公平、公正、和谐“为原则,公司成 立专门秸秆收运工作领导班子。收运工作领导班子的成员主要是由总 经理、分管副总、质检负责人、项目经理等组成。 收运工作领导班子经常召开员工会议,以老带新,以模范带人, 发挥党员、先进个人的带头作用,树立先进典型,奖励、宣传先进个 人,大力弘扬正气、提倡正义感。 通过管理模式,真正让每位员工从内心树立荣誉高于 金钱、争先 创优的思想意识,把自己负责的服务区域或服务内容做得最好,让员 工对公司有归属感,增强公司凝聚力,提高工作质量及效率。 1.3.2、 管理运行模式创新 建立数字化信息反馈渠道 在公司领导统一指挥下,充分发挥项目经理、各管理人员、作业 班长等骨干作用,紧紧依靠全体员工,通过科学的管理组织,进行优 质、高效、专业的收运服务。建立数字数字化信息反馈渠道。 项目组管理成员每人配备高清晰大屏幕型智能手机,统一加入公 司办公微信群,通过图文并茂数字化的影像传输设备,及时了解服务 区域情况和上级主管的指导思想,建立“全年无休日工作制”,确保 一年365天每天对项目实时监督管理,遇到突发事件时,第一时间发 现,第一时间解决。 1.4、 拟投入的人员和设备 1.4.1、 拟投入的人员 ( 一 )人员配置 一 、项目组织机构 由于项目的一次性与独特性的特点,在决定一个项目以后,就需 要根据这一项目的具体情况,建立项目的管理 班子,负责项目的实施、 负责项目的费用控制、时间控制和质量控制,按项目的目标去实现项 目。项目结束后,项目的管理组织完成自己的任务,也就不复存在。 按照组织结构的基本原理和模式,项目的组织结构也可分为线性 的项目组织结构、职能的项目组织结构和矩阵的项目结构等若干形式。 项目管理组织的结构实质上是决定了项目管理班 子实施项目获取所 需资源的可能方法与相应的权力,不同的项目组织结构对项目的实施 会产生不同的影响。 我公司本次项目组织采取矩阵式组织结构,矩阵式组织结构是一 种混合形式,它在常规的职能层级结构之上“加载”了一 种水平的项 目管理结构。根据项目与职能经理相对权力 的不同,实践中存在不同 种类的矩阵体系,分别有权力明显倾向于职能经理的职能矩阵,权力 明显倾向于项目经理的项目矩阵和传统矩阵安排的平衡矩阵。 这种组织结构的优点在于: 一是和职能式组织结构一样,资源可以在多个项目中共享,可大 大减少项目式组织中人员冗余的问题; 二是项目是工作的焦点,具有一个正式指定的项目经会使他对项 目给予更强的关注,负责协调和整合不同单位的工作; 三是当有多个项目同时进行时,公司可以平衡资源保证各个项目 都能完成其各自的进度、费用及质量要求;四是项目组成员对项目结 束后的忧虑减少,他们一方面与项目有很强的联系, 另一方面他们对 职能部门也有一种“家”的感觉。 二 、机构设置及人员配备 XX 区秸秆收运作业项目管理处实行在我公司领导下和业主监督下 的经理负责制,管理处经理全权负责管理处的经营管理工作,完成我 公司所交给的各项经营任务和管理目标。 这是一种直线职能制的组织形式,管理处各级编制力求精简 ,职 责明确,服务性功能齐备,能够充分发挥各级员工潜能,同时又注重 内、外关系的协调。 在具体运作中,管理处经理是日常工作的指挥者,同时又是 监督 检查者,各项工作指令一经下达,执行机构即开始运作,操作过程中 的信息,通过反馈渠道回到指挥机构,以供指挥机构做出评 审、判断 和总结,在整个操作过程中,执行机构还要从检查、评 比结果中发现 管理中存在的问题,加以纠正,做到有部署、有记录、有检查和有总 结,从而保证了管理的有效性。 在 XX 区秸秆收运作业项目管理处成立之前,各项规部分制度、程 序性文件及各级作业指导书等,均严格按照我公司质量体系标 准的要 求制定。做到每件事都要程序化,从根本上保证公司的服务管理质量。 在实施过程中,管理中心将主要采取以下措施: ( 一)各级负责制 即下级对上级安排的工作负责,上级随时指出下级不符合操作程 序之处,引导其按正确的程序进行工作。 (二)巡视检查制 即各班组、岗位负责人以定期和不定期相结合的方式进行巡视检 查,在检查过程中,发现问题及时记录,重大问 题及时报告上级,并 对处理结果跟踪落实。 (三)过程记录制 即管理服务的每一个过程都有相应的原始记录,通过现场检查、 部门内部自查等方式来考核各项工作的落实情况。 (四)公开监督制 即公开管理处的投诉电话,要求工作人员佩戴工作证上岗,按照 不同的岗位穿着不同的工作服,随时接受检查 与监督。 (五)奖惩落实制 为确保各项规部分制度的有效落实,将员工考 核成绩直接与每月 工资及奖金挂钩,奖优罚劣、明确责任,从而极大提高员工的工作积 极性。 通过采取这些有效措施,管理处实现规范化管理,使内部管理机 制得以不断完善。 三、人员配置标准 我公司将根据招标文件的要求为 XX 区秸秆收运作业项目配置相 关人员。 四、主要岗位职责 (一)项目经理岗位职责 1.在集团公司的领导下,执行公司决议,主持项 目管理处日常事 务,全面负责经营管理工作,并对公司负责。 2.贯彻执行国家的方针、政策、法令和地方政府的法律法规,依 法经营,执行本公司的各项规章制度,带领全体员工完成公司下达的 各项经济指标及服务指标。 3.组织实施经营公司批准的年度工作计划,和财务预算报告及使 用方案。搞好增收节支和开源节流. 4.制定项目经营管理目标,包括一系列规章制度、操作程序,制 定各级人员的岗位责任并监督实施,保证各项管理服务工作的质量, 使业主满意。 5.建立健全项目组织机构,使之合理、精致、高效;召集和主持 例会,及时解决管理中暴露的问题。 6.在公司的委托权限内,以公司代表的身份签署涉及项目范围的 有关协议,合同或合约及处理有关事宜。 7.协调指导各部门的工作,保证项目部各方面的工作顺利进行。 8.健全财务管理,严格财经纪律,负责组织编制公司年度财务预 算,做好财务审核监督。 9.决定组织体制的编制,负责属下职能部门主管、职员的签订、 录用、奖惩。建立健全项目部统一,高效的组织体系和工作体 系。 10.有重点定期或不定期地对一些部门或设备进行巡视检查, 及时 发现问题并解决问题。 11.搞好员工的思想工作,业务培训工作, 加强员工队伍建设,建 立一支作风优良纪律严明,训练有素,服务意识高 的员工队伍。 12.加强企业文化建设,搞好社会公共关系,树立公司良好的社会 现象。 13.与社会各界人士建立和保持良好的公共关系,树立企 业良好形 象。 14.以身作则,关心员工,提高企业凝聚力,使员工以高度的热情 和责任感完成本职工作。 (二)项目管理员岗位职责 1.协助项目经理工作,对本项目各方面工作负责。 2.负责实施本项目工作计划。 3.传达项目经理指示,指导、督促作业员工按照规定办事。 4.负责对本项目员工的思想教育和日常管理工作,负责接待领导 对项目各项事宜的征询或投诉,提高领导对员工及项目 满意的程度。 5.定期对员工进行培训,严格管理,按期工作,做好示范。 6.负责检查记录本项目员工作业情况,及时了解掌握本项目各方 面情况。 7.加强与上级沟通,及时交换意见,反映下属的意见和建议,以 便工作顺利进行。 8.协调员工之间的关系,以达到最佳合作状态。 9.根据工作需要,组织安排人力,以达到高效服务的目的。 10.负责本项目的钥匙、档案的管理。 11.负责处理本项目日常服务中发生的问题。 12.了解掌握本项目日常消耗品和工作用品的使用情况。 13.负责临时增派任务的组织管理工作,协助其他部门处理紧急情 况。 14.负责制定、修改、实施项目内各项岗位责任制。 15.负责处理客户投诉,解决客户提出的各种问题。 16.负责协调、协商与各有关部门业务往来,负责上级部门的各种 报告、报表的制订。 (三)安检管理员岗位职责 1.积极宣传和认真贯彻国家有关安全生产方 针、政策、法规以及 公司相关安全制度,推动公司安全生产工作顺利开展。在项目经理的 领导下,制定落实项目安全防范措施。 2.负责对新员工和日常安全教育培训工作,认真做好安 全台账, 组织安全生产检查。发现重大安全隐患,应立即采取有效补救措施, 并及时汇报,将隐患消灭在萌芽状态。 3.经常深入现场进行安全检查,发现危及员工人身安全的隐患, 有权采取必要防范措施,令其停止作业并及时向有关 领导报告,有权 制止和纠正“危险作业”。 4.负责项目现场重要危险区域的警示、安全标语牌的制作和宣传 工作。 5.负责开展安全生产会议,定期汇报安全生产工作,提出安全生 产方面的建议和要求,按时上报安全生产各类报表。并制定书面安全 措施。 6.对项目的全过程进行安全监督,协助项目经理开展定期和不定 期的安全检查,对查出的问题进行登记、上报,并制定书面安全措施, 按期解决。 7.参加工伤事故和未遂事故的调查、分析、处理,提出防范措 施, 并将事故及时、真实地统计上报。 8.检查各项管理方案、应急预案和组织机构、资源配备 的落实情 况,并做好记录。 9.严格履行职责,杜绝事故发生。 (四)质检管理员岗位职责 1.全面负责本项目质量管理检查,认真负责,严禁弄虚作假,保 证项目保质保量地完成。 2.质检人员服从分配,听从指挥,并严格遵 守公司的各项规章制 度和有关规定。 3.质检人员应在适时情况下,主持召开项目会议,总结昨日工作 上的疏忽及纰漏,并加以改正,认真落实当日工作。 4.对作业人员进行考核、评价以及激励;有对作业人员的 推荐权 和评价权。 5.每日做好检查记录及各项工作记录,质检 人员每月都要认真总 结,并作出工作分析,递交上级领导审批;征求领导意见,并且改进 工作中的不足之处。 6.质检人员在各项工作中须秉公执法, 一视同仁、严以律己、以 身作则。 (五)收运组长岗位职责 1.努力学习政治、文化、业务知识,爱岗敬业。 2.遵守劳动纪律,严格按照规定执行并落实“一人一段一车一责” 的职责,高标准、高质量完成本项目收运任务和突击 性清扫任务。 3.严格按照规范操作程序做好秸秆收运工作。 4.做好责任区域督查工作,规范服务,文明清扫,并做好卫生宣 传工作。 5.认真严格执行各项规章制度和劳动纪律,努力提高自身素质和 工作形象,以身作则起好模范带头作用。 6.及时上报(每月30日前)本项目秸秆收运情况 和考勤记录。 7.负责所在区域内的生活秸秆的收运,并做 到及时、快速。 8.积极配合上级部门的卫生检查工作。 (六)收运人员岗位职责 1.树立高度的工作责任心,严格片区收运责任制。在收运过程中, 如发现设施设备有损坏或异常情况及时向管理员汇报,负责做好片区 内的收运工作。 2.努力提高自身负责和对公司负责的觉悟,服从领导工 作安排, 遵守劳动纪律,不迟到、不早退、不擅自离岗,如有急事向管理员请 假。当班人员不得做与本职工作无关的事。 3.负责片区内的收运卫生,必须达到规定标准,连续3次未达标 者,分别给予警告、罚款、辞退的处罚。 4.上班时必须穿合适的衣服。 5. 工 作中坚持原则、团结协作、以礼相待,不准以个人恩 怨懈怠 工作,不准以任何借口扰乱工作秩序。做好区域衔接部分的秸秆收运。 6.不准私拿公物,私卖废品,如有发现,罚 款并同时辞退;如有 损坏卫生工具者,照价赔偿。拾到物品,不得占为己有,要及时归还 失主或上交管理员。 7.自觉接受各级领导的监督管理,完成领导交办的其他临时性任 务。 (七)秸秆收集人员岗位职责 1.按要求认真完成责任区域内生活秸秆收集 收运任务,做到日产 日清。 2.自觉遵守公司各项规章制度,有事请假,不得私自招人顶替作 业。 3.不超载收运,做到安全作业。 4.在规定时间内作业,尽量减少对周围群众的影响,作业完毕将 中转站周围清理干净,确保环境卫生。 5.如遇外因不能正常作业,提前报告项目经理协调处理。中转站 维修时,按要求将秸秆运至指定地点倾倒,确保 秸秆不落地。 6.工作中与秸秆中转站人员、汽车队司机和睦相处、配合默契。 7.完成领导交办的其他任务。 (八)司机岗位职责 1.收运司机要严格听从单位领导和收运分管领导的管理和指挥, 不得顶撞或擅自做主处理工作。 2.收运司机不得以个人主观行为推脱或者延误收运。 3.杜绝抛撒秸秆现象,秸秆收运过程中需加盖篷布的车辆必须加 盖篷布。 4.严禁将秸秆收运车辆或设备擅自外借于 非收运人员。 5.禁止驾驶室副驾驶室拉人(本单位人员除外)。 6.严禁收运车辆公车私用。 7.四轮车收运秸秆后,要做到车走地净,保持秸秆池3米内无秸 秆。 8.严禁任何人擅自焚烧秸秆。 9.司机要及时清洗所属本人的收运车辆(车外观、驾驶室)。 10.驾驶员要爱惜保护车辆和相关设备,要 及时保养维修好车辆, 不开“带病车”上路。 11.驾驶员要严格遵守道路交通法律法规和交警部门的相关规 定。 12.收运过程中,要及时回收液压臂、液压钩、箱体后盖
秸秆收运作业项目投标方案(技术标_208页).docx
下载提示

1.本文档仅提供部分内容试读;

2.支付并下载文件,享受无限制查看;

3.本网站所提供的标准文本仅供个人学习、研究之用,未经授权,严禁复制、发行、汇编、翻译或网络传播等,侵权必究;

4.左侧添加客服微信获取帮助;

5.本文为word版本,可以直接复制编辑使用。


这个人很懒,什么都没留下
未认证用户 查看用户
该文档于 上传
×
精品标书制作
百人专家团队
擅长领域:
工程标 服务标 采购标
16852
已服务主
2892
中标量
1765
平台标师
扫码添加客服
客服二维码
咨询热线:192 3288 5147
公众号
微信客服
客服