文库 工程类投标方案 其他

钢箱梁安装专项施工方案.doc

DOC   35页   下载906   2024-08-29   浏览288   收藏97   点赞669   评分-   9.00

AI慧写标书

十分钟千页标书高效生成

温馨提示:当前文档最多只能预览 15 页,若文档总页数超出了 15 页,请下载原文档以浏览全部内容。
钢箱梁安装专项施工方案.doc 第1页
钢箱梁安装专项施工方案.doc 第2页
钢箱梁安装专项施工方案.doc 第3页
钢箱梁安装专项施工方案.doc 第4页
钢箱梁安装专项施工方案.doc 第5页
钢箱梁安装专项施工方案.doc 第6页
钢箱梁安装专项施工方案.doc 第7页
钢箱梁安装专项施工方案.doc 第8页
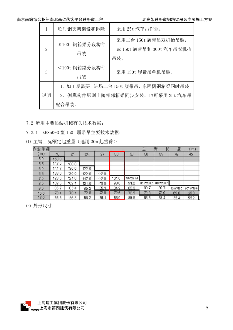
钢箱梁安装专项施工方案.doc 第9页
钢箱梁安装专项施工方案.doc 第10页
钢箱梁安装专项施工方案.doc 第11页
钢箱梁安装专项施工方案.doc 第12页
钢箱梁安装专项施工方案.doc 第13页
钢箱梁安装专项施工方案.doc 第14页
钢箱梁安装专项施工方案.doc 第15页
剩余20页未读, 下载浏览全部

开通会员, 优惠多多

6重权益等你来

首次半价下载
折扣特惠
上传高收益
特权文档
AI慧写优惠
专属客服
钢箱梁安装专项施工方案.doc
下载提示

1.本文档仅提供部分内容试读;

2.支付并下载文件,享受无限制查看;

3.本网站所提供的标准文本仅供个人学习、研究之用,未经授权,严禁复制、发行、汇编、翻译或网络传播等,侵权必究;

4.左侧添加客服微信获取帮助;

5.本文为word版本,可以直接复制编辑使用。


这个人很懒,什么都没留下
未认证用户 查看用户
该文档于 上传
×
精品标书制作
百人专家团队
擅长领域:
工程标 服务标 采购标
16852
已服务主
2892
中标量
1765
平台标师
扫码添加客服
客服二维码
咨询热线:192 3288 5147
公众号
微信客服
客服