文库 工程类投标方案 通信工程

通信基站一体化施工投标方案(284页 )(2024年修订版).docx

DOCX   284页   下载210   2024-09-26   浏览867   收藏48   点赞918   评分-   98214字   53.00
温馨提示:当前文档最多只能预览 15 页,若文档总页数超出了 15 页,请下载原文档以浏览全部内容。
通信基站一体化施工投标方案(284页 )(2024年修订版).docx 第1页
通信基站一体化施工投标方案(284页 )(2024年修订版).docx 第2页
通信基站一体化施工投标方案(284页 )(2024年修订版).docx 第3页
通信基站一体化施工投标方案(284页 )(2024年修订版).docx 第4页
通信基站一体化施工投标方案(284页 )(2024年修订版).docx 第5页
通信基站一体化施工投标方案(284页 )(2024年修订版).docx 第6页
通信基站一体化施工投标方案(284页 )(2024年修订版).docx 第7页
通信基站一体化施工投标方案(284页 )(2024年修订版).docx 第8页
通信基站一体化施工投标方案(284页 )(2024年修订版).docx 第9页
通信基站一体化施工投标方案(284页 )(2024年修订版).docx 第10页
通信基站一体化施工投标方案(284页 )(2024年修订版).docx 第11页
通信基站一体化施工投标方案(284页 )(2024年修订版).docx 第12页
通信基站一体化施工投标方案(284页 )(2024年修订版).docx 第13页
通信基站一体化施工投标方案(284页 )(2024年修订版).docx 第14页
通信基站一体化施工投标方案(284页 )(2024年修订版).docx 第15页
剩余269页未读, 下载浏览全部
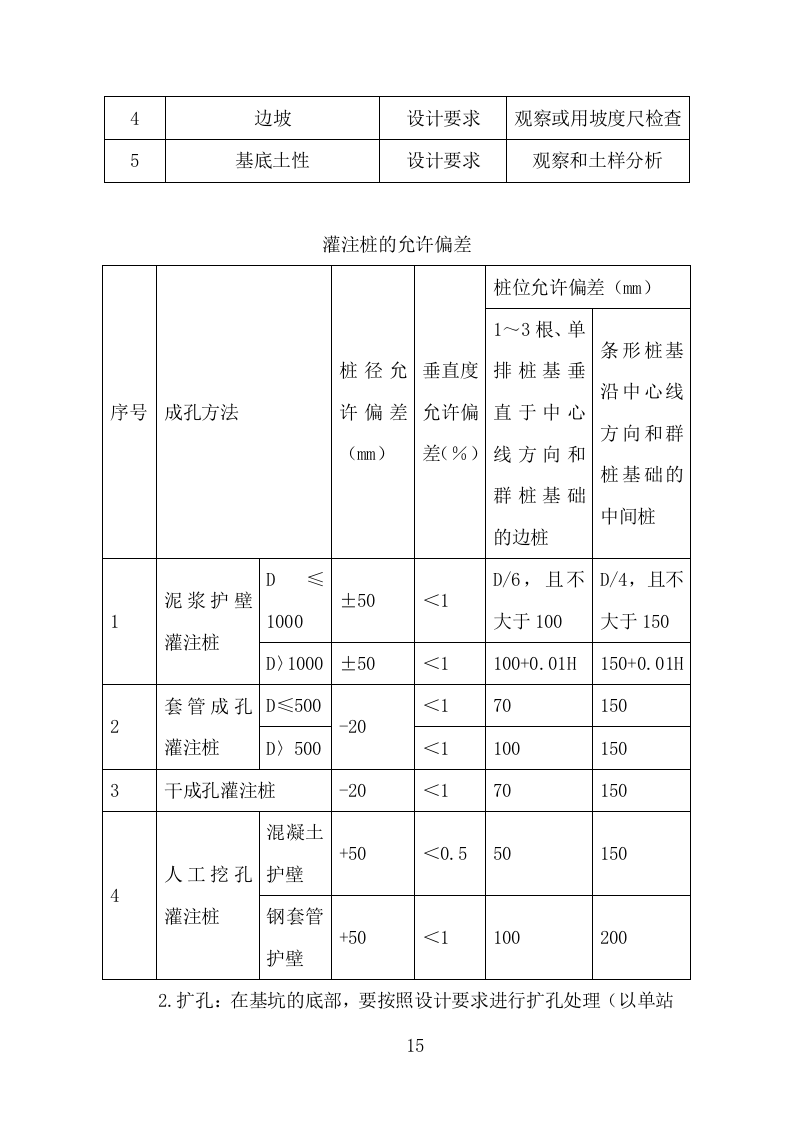
通信基站一体化施工投标方案 目录 第一章 项目施工方案 11 第一节 铁塔基础 工程 11 一、 安全技术交底 11 二、 定位测量放线 12 三、 基坑(或桩)开挖 13 四、 基坑(或桩孔)检查 15 五、 进场材料检测 18 六、 垫层浇筑 20 七、 钢筋笼制作 21 八、 混凝土浇筑 24 九、 基础浇筑 26 十、 三管塔基桩连系梁设置与模板制作 27 十一、 预埋件检查与校正 29 十二、 新建地网 30 十三、 基础养护 31 十四、 模板拆除、回弹测试、塔基检测 32 十五、 钢管桩工艺要求 33 第二节 土建机房工程 35 一、 安全技术交底 35 二、 测量放线 35 三、 场地平整与机房基础开挖 36 四、 进场材料检测 37 五、 新建地网 39 六、 基础垫层与砌筑 41 七、 基础梁钢筋笼制作与室内外接地扁铁预埋 42 八、 基础梁制模与浇筑 45 九、 蓄电池井制作 46 十、 墙体砌筑(砖混机房) 47 十一、 机房框架工程(框架机房) 50 十二、 屋面工程(砖混机房) 51 十三、 混凝土养护 54 十四、 模板拆除 55 十五、 墙体砌筑(框架机房) 55 十六、 室外散水坡制作 57 十七、 防盗门、空调防盗网、馈线窗安装 58 十八、 JFGY18屋面防水处理 59 十九、 屋面彩钢板安装 59 二十、 机房室内外墙面抹灰与装修、室内地面平整 60 二十一、 电气照明安装 61 二十二、 外观涂装 62 二十三、 板房、一体化机房类安装 63 第三节 动力配套工程 66 一、 设计、安全技术交底 66 二、 走线架安装 67 三、 机柜安装 68 四、 配电箱安装 69 五、 空调安装 70 六、 电池组安装 70 七、 电池电压值检测 72 八、 线缆布放 73 九、 标识标签 74 十、 孔洞封堵 76 十一、 工作地、保护地设置与防雷接地 77 第四节 外电引入工程 78 一、 设计、安全技术交底 78 二、 杆路架设 79 三、 电缆沿墙、天面等的敷设 80 四、 线缆布放 81 五、 供电情况检查 82 第五节 客户设备安装 82 一、 平台占用 82 二、 线缆布放 83 三、 孔进线处理 83 四、 室内接地 83 第二章 本地协调 方案 86 第一节 项目实施难点及处理措施 86 第二节 施工过程环节难点及处理方法 86 第三节 项目工程施工建设管理的问题及处理措施 89 一、 项目工程施工建设管理混乱 89 二、 施工进度缓慢 89 三、 施工质量保证 90 第三章 质量 保证方案 91 第一节 质量控制体系 91 一、 质量目标 91 二、 证质量管理措施 91 三、 施工队操作质量的控制措施 96 四、 隐蔽工程的质量控制措施 97 第二节 质量检测 措施 98 一、土建施工质量检测关键环节 98 二、动力配套施工质量检测关键控制点 107 三、外电引入施工质量检测程序 121 第三节 土建 施工质量通病与防治措施 124 一、 砖砌体 124 二、 防水工程 130 三、 模板工程 137 四、 钢筋工程 140 五、 混凝土 146 六、 屋面工程 158 七、 抹灰工程 164 八、 吊顶工程 169 九、 饰面工程 175 十、 涂料工程 181 第四节 外电引入施工质量关键控制点 183 一、 架空线路敷设 183 二、 电缆管道敷设工程 186 三、 直埋电缆敷设 188 四、 室外变压器安装 189 五、 配电箱安装 190 六、 电缆线头制作 190 第四章 安全 文明保证方案 192 第一节 安全管理措施 192 一、 安全管理体系 192 二、 安全生产管理目标 198 三、 安全保证措施 198 四、 安全防护措施 200 五、 工具使用安全要求 201 第二节 文明施工措施计划 202 一、 文明施工健全管理组织 202 二、 现场管理措施 203 三、 文明施工考核、管理办法 204 四、 环境保护 205 五、 加强施工管理,严格保护环境 205 第三节 冬雨季施工方案 206 一、施工准备 206 二、 雨冬季施工设备、材料的管理 207 三、 雨冬季施工技术质量管理 208 四、 雨冬季施工安全措施 209 第四节 施工期间围挡及安全标识 210 第五章 安全生产预案 215 第一节 施工现场应急救援领导组 215 第二节 领导组职责和成员分工 215 一、 安全生产应急救援小组职责 215 二、 项目部现场应急救援小组职责 216 三、 应急组织人员职责 217 第三节 安全生产事故应急救援程序以及流程图 222 一、 生产安全事故应急救援程序 222 二、 应急救援流程图 223 第四节 信号规定 224 第五节 安全生产应急事项 225 一、 物体打击事故应急准备与响应预案 225 二、 机械伤害应急准备与响应预案 227 三、 触电事故应急准备与响应预案 228 四、 高空坠落事故应急准备和响应预案 230 五、 火灾事故应急准备和响应预案 233 六、 高温中暑的应急预案 235 七、 交通事故的应急预案 237 八、 食物中毒应急预备案 238 第六节 突发自然灾害的处理预案 241 一、 预警级别划分及对应措施 241 二、 冰雪灾害 保护 预案 245 三、 泥石流应急保障预案 246 四、 洪涝灾害保障预案 247 第七节 施工中面临的主要风险及预警措施 248 一、 网络故障风险 248 二、 工程资金投入风险 248 三、 安全生产风险 248 四、 合同模糊风险 249 五、 预警措施 249 六、 其他风险及预警措施 250 第六章 主要施工设备及施工安全防护设施 252 第一节 拟投入的仪器仪表清单 252 一、 激光水平仪 254 二、 接地地阻测试仪 254 三、 垂直检测尺(靠尺) 255 四、 万用表 256 五、 钳型表 256 六、 冲击电锤 256 七、 切割机 257 八、 绝缘电阻测试仪 257 九、 智能放电测试仪 258 十、 钳形电流表 258 十一、 真空泵 259 十二、 电焊机 259 十三、 挖掘机 260 十四、 管子切割机 261 十五、 水准仪 261 十六、 经纬仪 261 十七、 回弹仪 262 十八、 坡度测试仪 262 十九、 钢筋位置测定仪 263 二十、 振捣棒 263 二十一、 滑轮 264 二十二、 高压计量表 264 二十三、 铝合金紧线器 265 二十四、 电缆故障控制仪 265 二十五、 穿管器 266 二十六、 链条式断线剪刀 267 二十七、 双轮安全滑车 267 二十八、 液压钳 267 二十九、 标签打印机 268 三十、 GPS定位仪 268 第二节 安全防护设备清单 269 第三节 施工安全防护设施照片 270 第四节 现场围挡 272 第七章 资源协调方案 277 第一节 协调人员配置、构成及分工 277 第二节 本地化协调能力 278 第三节 与建设单位的组织协调 278 第四节 与监理单位之间的组织协调 279 第五节 施工环境的沟通协调 279 第六节 公司内部的沟通协调 279 第七节 工程项目所在地协调 280 第八节 对待投诉的服务响应方案、响应时限及处理方法 280 简介 本方案 为通信基站一体化施工 项目 ,全文采用宋体四号字体,共 284 页。本文档为 WORD 格式 , 清晰无水印 , 可直接编辑。 第一章项目施工方案:涵盖铁塔基础工程、土建机房工程、动力配套工程、外电引入工程、客户设备安装等内容。 第二章本地协调方案:涵盖项目实施难点及处理措施、施工过程环节难点及处理方法、项目工程施工建设管理的问题及处理措施等内容。 第三章质量保证方案:涵盖质量控制体系、质量检测措施、土建施工质量通病与防治措施、外电引入施工质量关键控制点等内容。 第四章安全文明保证方案:涵盖安全管理措施、文明施工措施计划、冬雨季施工方案、施工期间围挡及安全标识等内容。 第五章安全生产预案:涵盖施工现场应急救援领导组、领导组职责和成员分工、 安全生产事故应急救援程序以及流程图 、信号规定、安全生产应急事项、突发自然灾害的处理预案、突发自然灾害的处理预案、 施工中面临的主要风险及预警措施 等内容。 第六至七章:涵盖主要施工设备及施工安全防护设施、资源协调方案等内容。 特别提醒:请在编制时依据项目实际情况,调整内容。 第一章 项目施工方案 第一节 铁塔基础 工程 一、 安全技术交底 1.由设计人员对施工人员进行工程技术交底,对现场施工中的技术问题及处理方案进行解析,技术交底内容包括:工程概况、施工方法、施工程序、现场重点工序及安全注意事项等;由施工班组长对现场施工人员进行安全交底:重申安全施工操作规程、安全施工流程及关键危险工序施工注意事项等。 施工单位内部安全技术交底 现场对施工人员进行安全技术交底 施工区域用围挡进行了圈围并挂警示标识 现场检查施工人员上岗证件。 2.检查施工人员的上岗及作业证件。 二、 定位测量放线 1.开工前的检查及定位放线:应在开工前到现场核查地勘单位有无现场查勘痕迹、确认基站位置有无变化;现场核实施工场地是否平整,是否具备开工放线条件等; 2.按设计要求、地勘资料,复核正负零基准,复核铁塔基础放线位置,用钢尺或卷尺检查复核放线是否与图纸一致,确保定位正确。偏差控制在允许范围内,同时需设计单位确认地勘报告的有效性; 3.现场检查需观察地形地势,查看基础外缘的边坡距离是否满足设计图纸要求,不满足时,应及时请建设单位联系设计院,通过设计院进行确认或设计变更。 现场采集施工经纬度。提交设计院后台审核,审核合格即可放线 施工测量放线 三、 基坑(或桩)开挖 1.施工前,应按照设计位置与有关部门办理挖掘手续,做好施工现场周边的安全宣传。 2.开挖基坑时,应熟悉设计图纸上标注的地上、地下障碍物具体位置并做好标识,同时应设置警示标志和 围挡 ,非作业人员不得进入现场。 3.挖掘土石方,应从上而下进行,不得采用掏挖的方法。在雨季施工时应做好防水、排水、降水措施。 4.桩孔开挖时,先开挖桩孔中间部分的土方,然后向周边扩挖,控制好桩孔截面尺寸,根据土质的不同,确定开挖节段高度,在土质好的情况下,约为1m为宜;当土层松软如细沙土或含水量大的 黏土 时,开挖节段高度可减小至0.4~0.8m为一施工节段。挖孔直径为:上口直径较桩径大10 cm,下口直径较桩径大17 cm, 呈 圆台形。每开挖一节,必须按照设计要求制作钢筋混凝土护壁或钢护筒等。 5.人工挖孔桩同一基坑内禁止2人同时下井开挖;开挖土方应及时使用垂直运输设备提升到井外,堆放于距离井口大于1米的指定范围,开挖深度超过10m时应配置专门向井下送风的设备; 6.设计要求使用机械开挖的,严禁私自改为人工开挖;机械开挖必须设专人统一指挥,机械臂操作范围内不得有人;机械开挖的土石方堆放距离坑口应大于1米;机械开挖的坑底应用人工找平。 7.流砂、疏松土质的沟深超过1米或硬土质沟的侧壁与底面夹角小于115°且沟深超过1.5米时,应安装挡土板;在房基土或是废土地段开挖的沟坑,必须安装挡土板。 8.从沟底向地面掀土,应注意上边是否有人。堆土要在基坑边缘1m以外,并且高度不得超过1.5m,同时组织清运交通道路上的土方、石方。 9.钻孔灌注桩护筒用4—8mm厚钢板制成,内径比钻头直径大100—200mm,顶面高出地面0.4~0.6m,上部开1 — 2个溢浆孔。 人工挖孔桩:井底单人操作、及时提升土方、每米制作护壁 采取人工清理基坑内余土,并进行整平 机械开挖基坑 四、 基坑(或桩孔)检查 1.按设计要求检查开挖质量,确保基坑基槽的长、宽、高,桩的直径、垂直度等达到设计要求; 基坑开挖的允许偏差 序号 项目 允许偏差(mm) 检查方法 1 标高 -50 水准仪 2 长度、宽度(由设计中心线向两边量) +200,-50 经纬仪,用钢尺量 3 表面平整度 20 用2m靠尺和楔形塞尺检查 4 边坡 设计要求 观察或用坡度尺检查 5 基底土性 设计要求 观察和土样分析 灌注桩的允许偏差 序号 成孔方法 桩径允许偏差 ( mm ) 垂直度允许偏差( % ) 桩位允许偏差(mm) 1 ~ 3根、单排桩基垂直于中心线方向和群桩基础的边桩 条形桩基沿中心线方向和群桩基础的中间桩 1 泥浆护壁灌注桩 D≤1000 ±50 < 1 D/6,且不大于100 D/4,且不大于150 D〉1000 ±50 < 1 100+0.01H 150+0.01H 2 套管成孔灌注桩 D≤500 -20 < 1 70 150 D〉500 < 1 100 150 3 干成孔灌注桩 -20 < 1 70 150 4 人工挖孔灌注桩 混凝土护壁 +50 < 0.5 50 150 钢套管护壁 +50 < 1 100 200 2.扩孔:在基坑的底部,要按照设计要求进行扩孔处理(以单站的设计图纸为准)。扩孔与否对基础的抗拔力有着直接的影响 。 3.护壁的检查: ( 1 ) 根据设计要求检查是否做护壁 。 ( 2 ) 基础开挖时,要按照设计分层做好护壁,每层高度约为1000mm,完工后,用钢尺测量检查护壁尺寸及桩坑内径,要符合设计要求。 现场测量 桩深 现场测量基坑开挖直径。 分层制作护壁 4.机械钻孔灌注桩泥浆护壁成孔桩泥浆配合比应控制在1.10~1.15之间,施工过程中应根据地质情况选择适当的泥浆比重。机械钻孔灌注桩泥浆护壁成孔桩在清孔过程中,要不断置换泥浆,直至浇注水下砼时才能停止置换以保证已清好符合沉渣厚度要求的孔底,沉渣不应由于泥浆静止、渣土下沉而导致实际沉渣厚度超厚。沉渣厚度如设计无要求应符合下列规定:端承桩≤50mm;摩擦端承桩、端承摩擦桩≤100mm;摩擦桩≤300mm。 五、 进场材料检测 1.检查项目:对进场的材料( 砂石 、水泥、钢筋、砖、焊条、焊剂、拌合用水等)进行查验;核查材料质量证明文件:需对进场材料的质量证明文件进行核查,如出厂合格证、材质证明文件、出厂检验(测试)记录和相关检验报告等必须完整清晰、手续齐全,符合国家及行业相关规定 。 2.检查内容:材料种类、数量、规格、质量是否符合设计要求,查看材料的出厂合格证、材质证明书和相关检验报告 。 3.砂料:要求为中粗砂,砂子要干净,含泥量应≤2 % ( 按重量计 %) ,如砂料中含泥和它杂质过多,需重新进行筛选;现场砂料必须符合《建筑用砂》GB/T14684-2011标准 。 4.石料:要求为碎石,粒径均匀,2 — 4cm级配,粒径过大或过小,要重新筛选,石子要干净,含泥量应≤1 % ,不干净要进行冲洗 。 5.水泥:严禁使用过期的水泥和受潮发硬结块的水泥;现场检查时要清点数量,核对品牌、标号和出厂时间,检查出厂质量合格证和检验报告;必须符合《通用硅酸盐水泥GB/175-2007》标准;水泥出厂超过三个月(快硬硅酸盐水泥出厂超过一个月)时,应进行复验,根据复验结果使用 。 6 . 钢筋:进场检查时要核对吊牌或钢号,检查出厂质量合格证、材质证明书和理化 试验报告 ;检查锈蚀程度,直径是否达标,不得有裂纹和局部缩颈,所用的钢筋、钢丝应符合《钢筋混凝土用钢GB1499-2010》标准。并根据实际情况,在监理现场见证下取样、送检 。 7.砖砌体:按设计要求选用合适的砖砌体,需要时可检查砖的出厂报告,砖外形为直角六面体,应符合《GB 50924-2014 砌体结构工程施工规范》,普通烧结砖尺寸为240mm×115mm×53mm,尺寸允许偏差:240mm≤±2mm;115mm≤±1.5mm;53mm≤±1.5mm 。 8.水:混凝土拌合用水一般要求用生活饮用水或中水,不得有漂浮明显的油脂和泡沫 , 不应有明显的颜色和异味,PH值≥4.5 , 应符合《混凝土用水JGJ63-2006》标准 。 9.焊条焊剂:采用E43焊条,要检查质量证明书,质量应符合《碳钢焊条B5117-2012 》《 低合金钢焊条GB5118-2012》标准;严禁使用药皮脱层或焊芯生锈的焊条和受潮结块或已熔烧过的焊剂 。 10.外加剂:使用外加剂要检查出厂质量合格证书和说明书,同时使用外加剂前需进行试配;如需使用新材料,要检查鉴定证明、使用说明和检验报告。 六、 垫层 浇筑 1.检查基坑基槽土质是否夯实平整,按设计要求浇筑混凝土垫层,垫层的厚度一般为80—100mm 。 2.垫层的混凝土标号应符合设计要求 。 基础垫层混凝土 浇筑 完成 七、 钢筋笼制作 1.钢筋安装 地 检查 : 项目 允许偏差(mm) 检验方法 绑扎钢筋网 长、宽 ±10 钢尺检查 网眼尺寸 ±20 钢尺量三档,取最大值 绑扎钢筋骨架 长 ±10 钢尺检查 宽、高 ±5 钢尺检查 灌注桩钢筋笼 直径 ±10 钢尺检查 长 ±100 钢尺检查 受力钢筋 间距 ±10 钢尺量三档,取最大值 排距 ±5 钢尺检查 保护层厚度 基础 ±10 钢尺检查 柱、梁 ±5 钢尺检查 板、墙、壳 ±3 钢尺检查 绑扎箍筋、横向钢筋间距 ±20 钢尺量三档,取最大值 加密区间距及非加密区应符合设计要求 ±10 钢尺检查 钢筋弯起点位置 20 钢尺检查 整板基础钢筋网绑扎检查 整板基础钢筋网绑扎检查。 。 整板基础钢筋网绑扎检查 现场测量钢筋笼长度 现场检查钢筋笼施工工艺及质量 2.钢筋焊接要求:基桩竖筋应焊接连接,焊接位置应错开,以提高钢筋笼整体强度;加强筋和竖筋交叉点逐点进行焊接,并除掉焊接杂质 。 3.焊接工艺:单面焊长度为竖筋直径10倍,双面焊长度为竖筋直径5倍,焊缝高度不小于0.3d且不小于4mm、焊缝宽度不小于0.7d且不小于10mm,不得有夹渣、凹陷、焊瘤、咬边等缺陷;焊接时宜采取大功率三相交流焊机,禁止使用小功率交流焊机或二相焊机 。 现场检查钢筋焊接 4.钢筋笼定位检查:按设计要求检查根开尺寸(用钢尺量),检查水平高差(用水平仪、水平管测),笼体顶端伸出地面的高度达到设计要求,确保保护层厚度 。 预埋件水平检查 预埋件安装 钢筋笼吊装完成 钢筋笼吊装 八、 混凝土浇筑 1.检查自拌混凝土的配合比,强度是否达到设计要求 。 2.搅拌:检查是否采用机械搅拌,搅拌是否均匀,严禁人工搅拌 。 3.振捣: ( 1 ) 检查浇筑过程中是否按要求及时用振动棒分层进行振实 。 ( 2 ) 混凝土分层浇筑时,每层混凝土厚度应不超过振动棒的1.25倍;在振捣上一层时,应插入下层中5cm左右,以消除两层之间的接缝,同时在振捣上层混凝土时,要在下层混凝土初凝之前进行 。 ( 3 ) 振动器插点要均匀排列,可采用“行列式”的次序移动,不应混用,以免造成混乱而发生漏振。每次移动位置的距离应不大于振动棒作用半径的1.5倍,一般振捣棒的作用半径为30~40cm 。 ( 4 ) 振动器使用时,振捣器距离模板不应大于振捣器作用半径的0.5倍,且不宜紧靠模板振动,应尽量避免碰撞钢筋、预埋件等 。 ( 5 ) 每一插点振捣时间以20~30秒为宜,一般以混凝土表面呈水平并出现均匀的水泥浆和不再冒气泡为止,不显著下沉,表示已振实,即可停止振捣 。 4.试块制作:自拌混凝土试块留置要求:每浇筑50立方混凝土要有一组试块,每根桩必须留1组试块,混凝土试块尺寸150mm×150mm×150mm,标准条件养护送检 。 5.混凝土浇筑时落差不得超过2米,超过2米必须使用溜槽、串筒等 。 采用振动棒对混凝土捣实。 单管塔基础混凝土浇筑 单管塔基础及机柜承台混凝土浇筑完成 九、 基础 浇筑 1.筏板基础浇筑之前,底板筋与垫层之间应采用支点的方式垫高2—4cm 。 2.基础浇筑施工时,对于一次性浇筑工序,应一次完成,不能留下施工缝,对于筏板基础等二次浇筑工序,应严格控制浇筑时间间隔,不宜超过24小时 。 按规范使用 导流槽 浇筑 采用振动棒对混凝土捣实 3.当钢筋笼下沉固定后,再次复检孔深和沉渣厚度等,端承型桩沉渣厚度不应大于50mm;摩擦型桩不应大于100mm。 4.二次清孔结束后30分钟内立即进行混凝土浇筑,浇筑必须连续进行。 5.水下浇筑混凝土必须具备良好的和易性,塌落度宜为180~220mm,水泥用量不少于360kg/m3,水下混凝土必须 连续浇筑 ,根据单桩浇注的时间控制砼缓凝时间。 6.严格控制混凝土的初灌量:用以储存混凝土的初灌斗的容量必须满足第一斗混凝土灌下后能使导管一次埋入砼面以下0.8m以上。 7.水下 混凝土浇筑 过程中导管在砼埋深宜为2~6m。严禁导管提出混凝土面灌注水下砼时应由专人测量管内外砼面标高,填写水下 混凝土浇筑 记录。 8.对浮桩(桩砼浇筑完成后桩头砼与泥沙夹杂部分)进行处理,凿除泛浆高度后必须保证暴露的桩顶砼达到设计强度值。在桩顶承台 混凝土浇筑 前,应先在承台底部(桩顶部)填以50~100mm厚与混凝土内砂浆成分相同的水泥砂浆。 9.桩顶嵌入承台的长度对于大直径桩(D≥800mm)不宜小于100mm,对于中等直径(250mm < D < 800mm)的桩不宜小于50 mm。 10.采用水下混凝土浇筑的桩基应做小(低)应变测试,确保桩身的完整性。 十、 三管塔基桩连系梁设置与模板制作 1.连系梁应严格按照设计施工,钢筋加工时,连系梁主筋应与基础桩主筋 连结 一个整体 。 2.建议使用标准化钢模板,模板及其支架应具有足够的承载能力、刚度和稳定性,能可靠地承受浇筑混凝土的重量,侧压力以及施工荷载,严禁采用石棉瓦、石膏板、薄夹板代替 。 3.模板安装要求: (1)模板的接缝处不应漏浆;浇筑前,木模板应浇水湿润,但模板内不应有积水 。 (2)模板与混凝土的接触面应清理干净并涂刷隔离剂 。 (3)浇筑前,模板内的杂物应清理干净; 4.模板安装允许偏差 : 项目 允许偏差(mm) 检查方法 轴线位置 5 钢尺检查 底模上表面标高 ±5 水准仪 或钢尺检查 截面内部尺寸 基础 ±10 钢尺检查 柱、梁、墙 +4~-5 钢尺检查 层高垂直度 不大于 6 吊线、钢尺检查 大于 8 吊线、钢尺检查 相邻两板表面高低差 2 钢尺检查 表面平整度 5 靠尺和塞尺检查 连系梁钢筋及模板支护检查 连系梁钢筋及模板支护检查 连系梁钢筋及模板支护检查 十一、 预埋件检查与校正 预埋件定位安装:按设计要求检查预埋件定位、水平,各个基桩的预埋件螺栓位置、水平高度应一致 。 预埋件检查项目及标准 序号 项目 允许偏差 检查方法 备注 1 支撑面(混凝土基桩顶面) (1)标高 ±2mm 水准仪,钢尺量 (2)水平度 1/1000 水准仪,水平尺 2 3 支撑面(法兰上端面) (1)标高 ±1.5mm 水准仪,钢尺量 (2)水平度 1/1500且不大于3mm 水准仪,水平尺 4 5 地脚螺栓 位置扭转偏差 ±1mm 水准仪,钢尺量 任意截面处 6 法兰对角线偏差 ≤L/1500且<10mm 用钢尺量 L为对角线长度 相邻之间偏差 ≤b/1500且<10mm 用钢尺量 b为基础根开距离 7 伸出法兰面的长度 a±10mm 用钢尺量 a为设计螺栓伸出长度 8 螺纹长度 1w±10mm 用钢尺量 1w为设计螺纹长度 9 单管塔预埋件水平检查 三管塔根开测量 十二、 新建地网 1.地网材料:地网及接地体材料的规格、截面尺寸必须符合设计要求。垂直接地体一般为L50×5长度2.5米的热镀锌角钢,水平接地体一般为-40×4热镀锌扁钢 。 2.焊接:扁钢与扁钢搭接为扁钢宽度的2倍,不少于三面施焊;圆钢与扁钢的搭接为圆钢直径的10 倍,双面施焊,焊接接头部位需做防腐处理 。 3.埋设:接地体上端距地面宜不小于0.7m。在寒冷地区接地体应埋设在冻土层以下。在土壤较薄的石山或碎石多岩地区应根据具体情况确定接地体埋深 。 4.地网位置变更:个别基站受现场地形限制无法按设计图纸施工时,需通过设计单位进行变更,监理进行签字确认 。 5.地阻测试:用地阻仪进行测试,地阻值必须小于等于10欧姆 。 用地阻仪测试地网地阻 现场测量地网沟槽深度 地网施工检查 十三、 基础养护 1.浇筑后应在12h内开始浇水养护,养护时应在基础模板外加遮盖物,浇水次数应能保持混凝土表面始终湿润,浇水养护不得少于7昼夜;日平均气温低于5℃时,不得采用浇水自然养护;应适当采取保温保湿措施 。 2.混凝土强度达到1.2N/mm2前,不得在其上踏踩或安装模板、支架;养护期一般不少于28天 。 巡视检查基础养护情况 十四、 模板拆除、回弹测试 、塔基检测 1.拆模时间:基础浇筑完毕,混凝土达到规定的强度后才能拆模 。 2.拆模注意事项:拆模时应保证其表面及棱角不损坏,应 清楚地 脚螺栓上的混凝土残渣,地脚螺栓丝口部分做防锈处理,做好包裹保护 。 3.回弹测试:拆模后检查铁塔基础的尺寸、标高、根开、预埋件定位是否符合设计标准;外观有无蜂窝麻面、外观破损、变形露筋等现象;养护期到期后对基础进行回弹测试,并对混凝土试块做抗压强度试验。 三管塔基础拆模,并核实根开 单管塔基础拆模 测试基础混凝土抗压强度 十五、 钢管桩工艺要求 钢管桩材料检查 管节外形尺寸允许偏差: 偏差名称 允许偏差 说明 钢管外周长 ±0.5 % 周长,且不大于10mm测量外周长 管端椭圆度 ±0.5 % 直径,且不大于5mm 两端相互垂直的直径差 管端平整度 2mm 多管节拼装,以整段为要求 管端平面倾斜 小于0.5 % 直径,并不得大于4mm 管壁厚度 按 所用钢材 的相应标准 成桩外形尺寸: 偏差名称 允许偏差 桩长偏差 +300,-0.0 桩纵轴线的弯曲矢高 不大于桩长0.1 % ,并不得大于30 桩体镀锌厚度应符合设计要求,镀锌表面光滑无毛刺,无滴瘤及多余结块,并不得有酸洗或露铁等缺陷。 2.实施过程注意要点:压桩前需进行基坑开挖,并用钎探等手段探明地下管线,要求钎探深度不低于设计要求的桩长深度;压桩过程中需配合垂直度测量,垂直度符合设计要求。 各 工种协同 作业 实施 完毕后做好路面修复 压桩 前做好钎探 第二节 土建机房工程 一、 安全技术交底 1.由设计人员对施工人员进行工程技术交底,对现场施工中的技术问题及处理方案进行解析,技术交底内容包括:工程概况、施工方法、施工程序、现场重点工序及安全注意事项等;由施工班组长对现场施工人员进行安全交底:重申安全施工操作规程、安全施工流程及关键危险工序施工注意事项等。 2.检查施工人员的上岗及作业证件。 二、 测量放线 测量放线:应按设计要求、地勘资料,复核放线位置,确保轴线定位正确。 机房测量放线。 机房测量放线。 三、 场地平整与机房基础开挖 1.施工前,应办理好相关入场施工手续,做好施工现场周边的安全宣传 。 2.开挖基坑时,应熟悉设计图纸上标注的地上、地下障碍物具体位置并做好标识,根据图纸确定好正负零,做好水平定位。同时应设置警示标志和围栏,非作业人员不得进入现场 。 机房施工区域进行了圈围并有警示标示 3.挖掘土石方,应从上而下进行,不得采用掏挖的方法。在雨季施工时应做好防水、排水、降水措施 。 4.流砂、疏松土质的沟深超过1米或硬土质沟的侧壁与底面夹角小于115度且沟深超过1.5米时,应安装挡土板;在房基土或是废土地段开挖
通信基站一体化施工投标方案(284页 )(2024年修订版).docx
下载提示

1.本文档仅提供部分内容试读;

2.支付并下载文件,享受无限制查看;

3.本网站所提供的标准文本仅供个人学习、研究之用,未经授权,严禁复制、发行、汇编、翻译或网络传播等,侵权必究;

4.左侧添加客服微信获取帮助;

5.本文为word版本,可以直接复制编辑使用。


这个人很懒,什么都没留下
未认证用户 查看用户
该文档于 上传
×
精品标书制作
百人专家团队
擅长领域:
工程标 服务标 采购标
16852
已服务主
2892
中标量
1765
平台标师
扫码添加客服
客服二维码
咨询热线:192 3288 5147
公众号
微信客服
客服